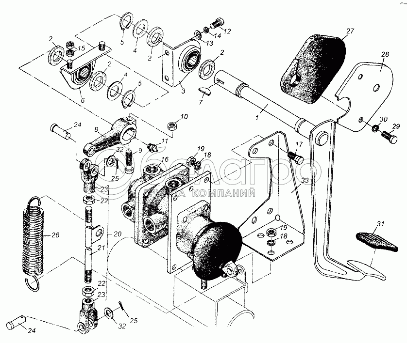
Каталог запасных частей к технике: МАЗ-64226. Привод тормозного крана

zoom-in zoom-out enlarge shrink circle-right circle-left file-text2 info cart arraw right arraw left zoom out zoom in arraw maximize arraw minimize
1
2
2
2
2
3
4
4
5
5
6
7
8
9
10
11
12
13
14
15
16
17
18
18
19
19
20
21
22
22
23
23
24
24
25
25
26
27
28
29
30
31
32
32
33
1
64221-3504012
Педаль с кронштейном
В узле: 1
2
400808
Кольцо
В узле: 4
3
64221-3504020
Кронштейн с шарниром
В узле: 1
4
5336-1602338
Прокладка
В узле: 2
5
400374
Кольцо В25
В узле: 2
6
5336-1602062-10
Кронштейн с подшипником
В узле: 1
7
378063
Шпонка 6х10
В узле: 1
8
64221-3504017
Чехол педали
В узле: 1
9
200269
Болт М8-6gх50
В узле: 1
10
250510
Гайка М8-6Н
В узле: 1
11
264020
Масленка 1.3.Ц6хр
В узле: 1
12
201456
Болт М8-6gх20
В узле: 2
13
252005
Шайба 8
В узле: 2
14
252135
Шайба 8Т
В узле: 2
15
250510
Гайка М8-6Н
В узле: 4
16
100-3514008
Кран с рычагом в сборе
В узле: 1
17
201499
Болт М10-6gх30
В узле: 4
18
252136
Шайба 10.ОТ
В узле: 4
19
250512
Гайка М10-6Н
В узле: 4
20
64226-3504064
Тяга в сборе
В узле: 1
21
64226-3506065
Тяга
В узле: 1
22
250615
Гайка М12х1,25-6Н
В узле: 2
23
200-3504055Б
Вилка
В узле: 2
24
260091
Палец 12х45
В узле: 2
25
258053
Шплинт 4х25
В узле: 2
26
200-1602094
Пружина оттяжная
В узле: 1
27
53371-1602074
Уплотнитель
В узле: 1
28
5336-1602072
Фланец
В узле: 1
29
201422
Болт М6-6gх25
В узле: 2
30
252134
Шайба 6Т
В узле: 2
31
5336-1602029
Подушка педали
В узле: 1
32
252007
Шайба 12
В узле: 2
33
[Кронштейн]
Кронштейн
В узле: 1
Содержащиеся в справочниках-каталогах запасные части и детали не предлагаются к продаже, а носят исключительно информационный характер

Ваша заявка была отправлена. В ближайшее время наши специалисты с Вами свяжутся по указанному Вами телефону.

Представьтесь
Поле обязательно для заполнения
Ваш телефон
Введите правильный номер телефона
E-mail
Введите правильный e-mail
Тема
Тема
применяемость финансирование доставка цена, наличие другое сервис и гарантия
Время для звонка
08:00
08:00 09:00 10:00 11:00 12:00 13:00 14:00 15:00 16:00 17:00 18:00 19:00
19:00
08:00 09:00 10:00 11:00 12:00 13:00 14:00 15:00 16:00 17:00 18:00 19:00

Мы постараемся перезвонить в указанное время

Если вы не хотите ждать, то звоните нашим вежливым консультантам:

8 800 100-2-700
Подтвердите, что вы не робот
Подтвердите, что вы не робот
Спасибо!

Ваше сообщение успешно отправлено!

ЗакрытьПовторить попытку