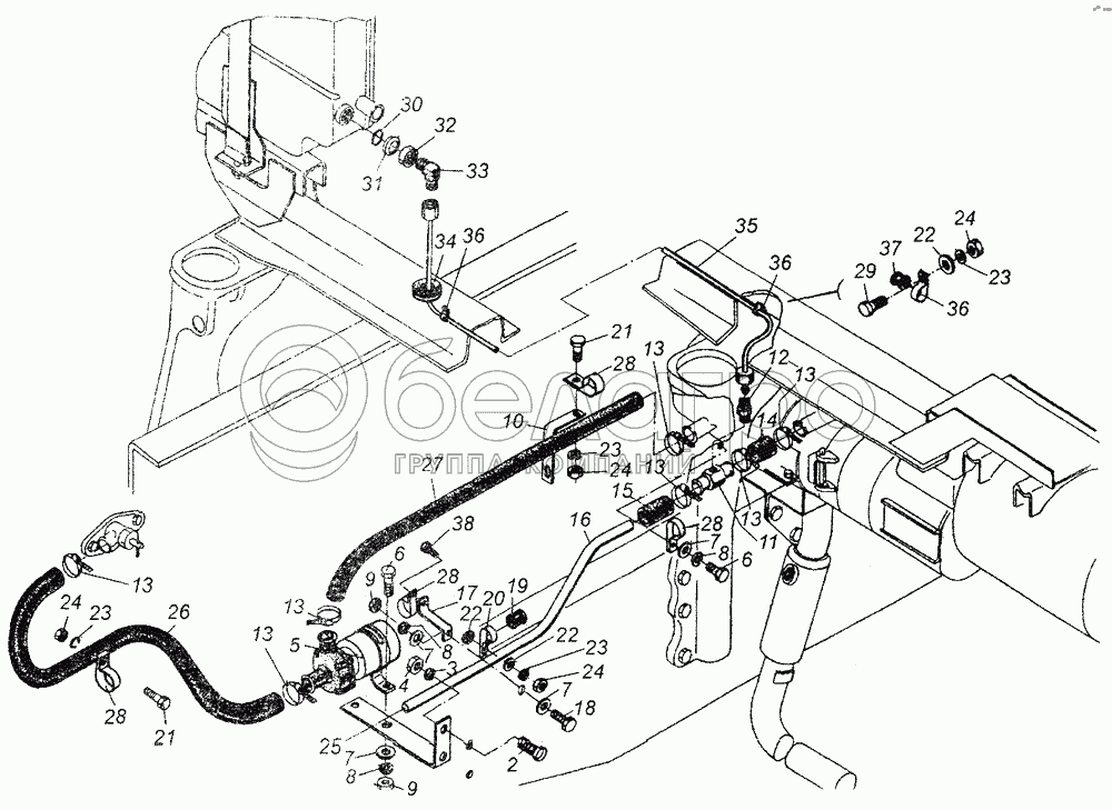
Каталог запасных частей к технике: МАЗ-64226. Установка трубопроводов подогревателя

zoom-in zoom-out enlarge shrink circle-right circle-left file-text2 info cart arraw right arraw left zoom out zoom in arraw maximize arraw minimize
2
3
4
5
6
6
7
7
7
7
8
8
8
9
9
10
11
12
13
13
13
13
13
13
13
14
15
16
17
18
19
20
21
21
22
22
22
23
23
23
23
24
24
24
24
25
26
27
28
28
28
28
29
30
31
32
33
34
35
36
36
36
37
38
1
64226-1015072
Кронштейн
В узле: 1
2
201499
Болт М10-6gх30
В узле: 2
3
252136
Шайба 10.ОТ
В узле: 2
4
250512
Гайка М10-6Н
В узле: 2
5
35.3730010
Электродвигатель с насосом
В узле: 1
6
201456
Болт М8-6gх20
В узле: 3
7
252005
Шайба 8
В узле: 4
8
252135
Шайба 8Т
В узле: 3
9
250510
Гайка М8-6Н
В узле: 3
10
64226-1303311-01
Кронштейн
В узле: 1
11
64226-1015655
Переходник
В узле: 1
12
379497
Ниппель
В узле: 1
13
16.71.28
Хомут
В узле: 8
14
64226-1015173
Шланг
В узле: 1
15
64226-1015136
Шланг
В узле: 1
16
64226-1015442-01
Трубопровод
В узле: 1
17
6303-3506052
Кронштейн
В узле: 1
18
201460
Болт М8-6gх30
В узле: 1
19
5551-8609439
Муфта
В узле: 1
20
379665
Кпяммер
В узле: 1
21
201418
Болт М6-6gх16
В узле: 1
22
252004
Шайба 6
В узле: 3
23
252134
Шайба 6Т
В узле: 4
24
250508
Гайка М6-6Н
В узле: 4
25
[Направление к отопителю кабины]
Направление к отопителю кабины
В узле: ---
26
64226-1015094
Шланг 16х25 L=750мм
В узле: 1
27
64226-1015080
Шланг 18х27 L=750мм
В узле: 1
28
379202
Кляммер
В узле: 3
29
201420
Болт М6-6gх20
В узле: 3
30
012-016-25-2-3
Кольцо
В узле: 1
31
375919
Шайба 14
В узле: 1
32
374620
Гайка М14х1,5
В узле: 1
33
402983
Угольник
В узле: 1
34
500-3724042
Втулка
В узле: 1
35
64226-1015402
Трубопровод
В узле: 1
36
315406
Кляммер
В узле: 2
37
500-1104341Б
Втулка
В узле: 2
38
201424
Болт М6-6gх30
В узле: 1
Содержащиеся в справочниках-каталогах запасные части и детали не предлагаются к продаже, а носят исключительно информационный характер

Ваша заявка была отправлена. В ближайшее время наши специалисты с Вами свяжутся по указанному Вами телефону.

Представьтесь
Поле обязательно для заполнения
Ваш телефон
Введите правильный номер телефона
E-mail
Введите правильный e-mail
Тема
Тема
применяемость финансирование доставка цена, наличие другое сервис и гарантия
Время для звонка
08:00
08:00 09:00 10:00 11:00 12:00 13:00 14:00 15:00 16:00 17:00 18:00 19:00
19:00
08:00 09:00 10:00 11:00 12:00 13:00 14:00 15:00 16:00 17:00 18:00 19:00

Мы постараемся перезвонить в указанное время

Если вы не хотите ждать, то звоните нашим вежливым консультантам:

8 800 100-2-700
Подтвердите, что вы не робот
Подтвердите, что вы не робот
Спасибо!

Ваше сообщение успешно отправлено!

ЗакрытьПовторить попытку