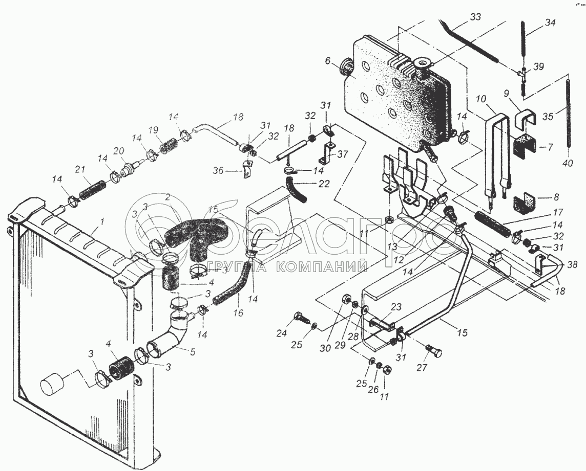
Каталог запасных частей к технике: МАЗ-64226. Установка трубопроводов системы охлаждения

zoom-in zoom-out enlarge shrink circle-right circle-left file-text2 info cart arraw right arraw left zoom out zoom in arraw maximize arraw minimize
1
2
3
3
3
3
3
3
4
4
5
6
7
8
9
10
11
11
12
13
14
14
14
14
14
14
14
14
14
14
15
15
16
17
18
18
18
19
20
21
22
23
24
25
25
26
27
28
29
30
31
31
31
31
32
32
32
33
34
35
36
37
38
39
40
1
81.06101.6355
Радиатор водяной
В узле: 1
2
81.06101.6356
Патрубок
В узле: 1
3
06.67128-0323
Хомут 64-71
В узле: 6
4
6422-1303025
Шланг радиатора отводящий (1-176 мм, диаметр 60х70)
В узле: 2
5
64226-1303240
Патрубок
В узле: 1
6
81.06102.6355
Бачок уравнительный
В узле: 1
7
81.96101.0540
Прокладка
В узле: 2
8
81.96101.0539
Прокладка
В узле: 2
9
81.0614.0077
Накладка
В узле: 2
10
81.97460-5225
Хомут
В узле: 2
11
250510
Гайка М8-6Н
В узле: 10
12
81.96301.0425
Переходник
В узле: 1
13
06.67128.0313
Хомут 32-39
В узле: 1
14
06.67128.0706
Хомут 17-21
В узле: 11
15
64226-1303032-01
Трубопровод L=2400мм
В узле: 1
16
64226-1303172
Шланг N 15-2 L=400мм
В узле: 1
17
64226-1304038
Шланг N 15-2 L=200мм
В узле: 1
18
64226-1303030
Трубопровод
В узле: 1
19
64226-1303169
Шланг N 15-2 L=100мм
В узле: 1
20
81.52120-0007
Обратный клапан
В узле: 1
21
64226-1303168
Шланг N 15-2 L=140мм
В узле: 1
22
04.27405.9215
Шланг N 15-2
В узле: 1
23
6303-3506052
Кронштейн
В узле: 2
24
201458
Болт М8-6gх25
В узле: 7
25
252005
Шайба 8
В узле: 3
26
252135
Шайба 8Т
В узле: 31
27
201420
Болт М6-6gх20
В узле: 16
28
250508
Гайка М6-6Н
В узле: 20
29
252004
Шайба 6
В узле: 10
30
252134
Шайба 6Т
В узле: 8
31
379665
Кпяммер
В узле: 6
32
5551-8609439
Муфта
В узле: 6
33
64226-1304037
Трубка
В узле: 1
34
64226-1304039
Трубка
В узле: 1
35
64226-1304036
Трубка
В узле: 1
36
64226-1303313
Кронштейн
В узле: 1
37
64226-1303312
Кронштейн
В узле: 1
38
64221-1303311
Кронштейн
В узле: 1
39
500-520805
Тройник
В узле: 1
40
[Направление в атмосферу]
Направление в атмосферу
В узле: ---
Содержащиеся в справочниках-каталогах запасные части и детали не предлагаются к продаже, а носят исключительно информационный характер

Ваша заявка была отправлена. В ближайшее время наши специалисты с Вами свяжутся по указанному Вами телефону.

Представьтесь
Поле обязательно для заполнения
Ваш телефон
Введите правильный номер телефона
E-mail
Введите правильный e-mail
Тема
Тема
применяемость финансирование доставка цена, наличие другое сервис и гарантия
Время для звонка
08:00
08:00 09:00 10:00 11:00 12:00 13:00 14:00 15:00 16:00 17:00 18:00 19:00
19:00
08:00 09:00 10:00 11:00 12:00 13:00 14:00 15:00 16:00 17:00 18:00 19:00

Мы постараемся перезвонить в указанное время

Если вы не хотите ждать, то звоните нашим вежливым консультантам:

8 800 100-2-700
Подтвердите, что вы не робот
Подтвердите, что вы не робот
Спасибо!

Ваше сообщение успешно отправлено!

ЗакрытьПовторить попытку