Каталог запасных частей к технике: МАЗ-64226. Установка задней подвески МАЗ-64226

zoom-in zoom-out enlarge shrink circle-right circle-left file-text2 info cart arraw right arraw left zoom out zoom in arraw maximize arraw minimize
1
1
2
3
4
5
6
7
8
8
9
9
10
10
11
11
12
12
14
14
15
15
16
16
17
17
18
18
19
19
20
20
21
21
22
22
23
24
25
26
27
28
28
29
30
31
32
32
32
33
33
33
33
33
33
33
34
34
34
34
34
35
35
36
36
37
37
38
39
39
40
41
41
42
43
43
44
45
46
47
47
48
49
49
50
50
51
52
53
54
54
55
1
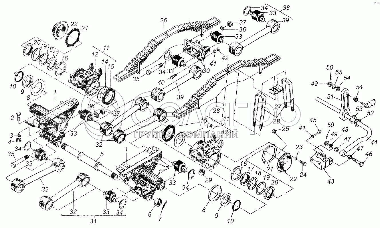
64221-2918150-10
Кронштейн с осью в сборе
В узле: 2
2
371096
Болт М24х2-6gх75
В узле: 16
3
252143
Шайба 24Т
В узле: 16
4
374650
Гайка М24х2-6Н
В узле: 16
5
64221-2918164-10
Стяжка
В узле: 1
6
375107
Гайка М48х2-5Н6Н
В узле: 2
7
258101
Шплинт 8х80
В узле: 2
8
6303-2918068
Шайба
В узле: 2
9
6303-2918156
Кольцо распорное
В узле: 2
10
122-130-46-2-3
Кольцо распорное
В узле: 2
11
6303-2918018
Балансир в сборе
В узле: 2
12
6303-2918020
Балансир
В узле: 2
13
938-2918022
Втулка балансира
В узле: 4
14
6303-2918044
Кольцо упорное
В узле: 3
15
537-3103037-01
Манжета армированная с пружиной
В узле: 2
16
6303-2918045
Кольцо упорное
В узле: 2
17
64221-2918190
Гайка кольцевая
В узле: 2
18
64221-2918198
Шайба стопорная
В узле: 2
19
938-2918200
Шайба замковая
В узле: 2
20
64221-2918202
Гайка
В узле: 2
21
6303-2918122
Прокладка
В узле: 2
22
6303-2918118
Крышка балансира
В узле: 2
23
252155
Шайба 8Л
В узле: 16
24
201450
Болт М8-6gx20
В узле: 16
25
54323-2401142
Пробка МК24
В узле: 2
26
5516-2912012
Рессора
В узле: 2
27
6303-2912012
Накладка
В узле: 2
28
6303-2912408
Стремянка задней рессоры
В узле: 4
29
349600
Гайка М30х2-5Н6Н
В узле: 4
30
64221-2919044
Кронштейн
В узле: 2
31
64221-2919014
Штанга реактивная
В узле: 2
32
64221-2919018
Труба с головками
В узле: 4
33
64221-2919040
Шарнир штанги
В узле: 12
34
64221-2919032
Кольцо пружинное
В узле: 12
35
371095
Болт М24х2-6gх275
В узле: 6
36
252143
Шайба 24Т
В узле: 18
37
374650
Гайка М24х2-6Н
В узле: 18
38
64221-2919015
Штанга реактивная
В узле: 2
39
64221-2919016
Труба с головками
В узле: 2
40
372608
Болт М16х1,5-6gх70
В узле: 4
41
252139
Шайба 16.ОТ
В узле: 16
42
374727
Гайка М16х1,5-5Н6Н
В узле: 4
43
5516-2916040
Кронштейн стабилизатора нижний левый
В узле: 1
43
5516-2916041
Кронштейн стабилизатора нижний правый
В узле: 1
44
5516-2916016
Вал стабилизатора
В узле: 1
45
202142
Болт М16х1,5-6gх38
В узле: 8
46
54321-2916034
Палец
В узле: 2
47
54321-2916028
Втулка
В узле: 4
48
252019
Шайба 20
В узле: 2
49
374910
Гайка М20х1,5-5Н6Н
В узле: 4
50
268056
Шплинт 4х40
В узле: 4
51
54321-2916022
Рычаг
В узле: 2
52
5516-2916030
Втулка
В узле: 2
53
54321-2916032
Кольцо стопорное
В узле: 2
54
64221-2906028
Втулка
В узле: 4
55
252049
Шайба 20
В узле: 2
Содержащиеся в справочниках-каталогах запасные части и детали не предлагаются к продаже, а носят исключительно информационный характер

Ваша заявка была отправлена. В ближайшее время наши специалисты с Вами свяжутся по указанному Вами телефону.

Представьтесь
Поле обязательно для заполнения
Ваш телефон
Введите правильный номер телефона
E-mail
Введите правильный e-mail
Тема
Тема
применяемость финансирование доставка цена, наличие другое сервис и гарантия
Время для звонка
08:00
08:00 09:00 10:00 11:00 12:00 13:00 14:00 15:00 16:00 17:00 18:00 19:00
19:00
08:00 09:00 10:00 11:00 12:00 13:00 14:00 15:00 16:00 17:00 18:00 19:00

Мы постараемся перезвонить в указанное время

Если вы не хотите ждать, то звоните нашим вежливым консультантам:

8 800 100-2-700
Подтвердите, что вы не робот
Подтвердите, что вы не робот
Спасибо!

Ваше сообщение успешно отправлено!

ЗакрытьПовторить попытку