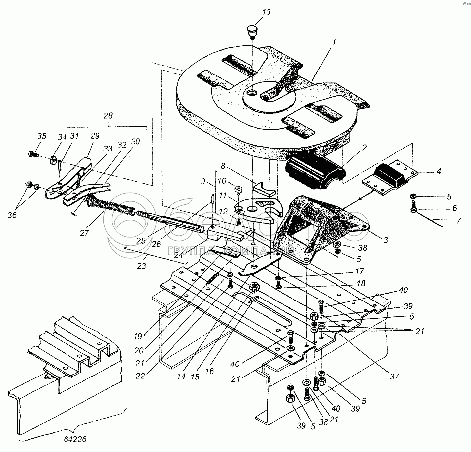
Каталог запасных частей к технике: МАЗ-64226. Устройство седельное с подставкой

zoom-in zoom-out enlarge shrink circle-right circle-left file-text2 info cart arraw right arraw left zoom out zoom in arraw maximize arraw minimize
1
2
3
4
5
5
5
5
5
6
7
8
9
10
11
12
13
14
15
16
17
18
19
20
21
21
21
21
22
23
24
25
26
27
28
29
30
31
32
33
34
35
36
37
38
38
39
39
39
40
40
40
1
64221-2702030-01
Седло
В узле: 1
2
64221-2702090
Подушка
В узле: 2
3
64221-2702071
Кронштейн
В узле: 2
4
64221-2702056
Кронштейн
В узле: 2
5
252139
Шайба 16.ОТ
В узле: 25
6
372703
Болт 3М16-6hх45
В узле: 1
7
258286
Шплинт 1,6х300
В узле: 4
8
64221-2703016
Захват передний
В узле: 1
9
64221-2703015
Захват задний
В узле: 1
10
64221-2703020
Опора
В узле: 1
11
64221-2703017
Захват задний
В узле: 1
12
201495
Болт М10-6gх20
В узле: 1
13
64221-2704125
Палец
В узле: 1
14
64221-2703156
Крышка
В узле: 1
15
250910
Гайка М24х2-5Н6Н
В узле: 1
16
258071
Шплинт 5х45
В узле: 1
17
252138
Шайба 14.ОТ
В узле: 1
18
201585
Болт М14-6gх30
В узле: 1
19
64221-2704138
Защелка
В узле: 1
20
200В-2703033
Пружина
В узле: 1
21
252017
Шайба 16
В узле: 25
22
372179
Болт М14-6hх25
В узле: 1
23
64221-2703028
Кулак
В узле: 1
24
64221-2703029
Кулак
В узле: 1
25
64221-2703032
Шток
В узле: 1
26
377576
Штифт 10х45
В узле: 1
27
64221-2703033
Пружина
В узле: 1
28
64221-2703140
Рукоятка
В узле: 1
29
64221-2703137
Рукоятка
В узле: 1
30
64221-2703152
Опора
В узле: 1
31
260065
Палец 10х48
В узле: 1
32
258038
Шплинт 3,2х16
В узле: 1
33
200В-2703146
Пружина
В узле: 1
34
64221-2704140
Планка предохранительная
В узле: 1
35
372179
Болт М14-6hх25
В узле: 1
36
250636
Гайка М16х1,5-6Н
В узле: 2
37
54321-2702171
Подставка
В узле: 1
38
372613
Болт М16х1,5-6gх55
В узле: 12
39
250691
Гайка М16х1,5-6Н
В узле: 24
40
372629
Болт М16х1,5-6gх45
В узле: 12
Содержащиеся в справочниках-каталогах запасные части и детали не предлагаются к продаже, а носят исключительно информационный характер

Ваша заявка была отправлена. В ближайшее время наши специалисты с Вами свяжутся по указанному Вами телефону.

Представьтесь
Поле обязательно для заполнения
Ваш телефон
Введите правильный номер телефона
E-mail
Введите правильный e-mail
Тема
Тема
применяемость финансирование доставка цена, наличие другое сервис и гарантия
Время для звонка
08:00
08:00 09:00 10:00 11:00 12:00 13:00 14:00 15:00 16:00 17:00 18:00 19:00
19:00
08:00 09:00 10:00 11:00 12:00 13:00 14:00 15:00 16:00 17:00 18:00 19:00

Мы постараемся перезвонить в указанное время

Если вы не хотите ждать, то звоните нашим вежливым консультантам:

8 800 100-2-700
Подтвердите, что вы не робот
Подтвердите, что вы не робот
Спасибо!

Ваше сообщение успешно отправлено!

ЗакрытьПовторить попытку