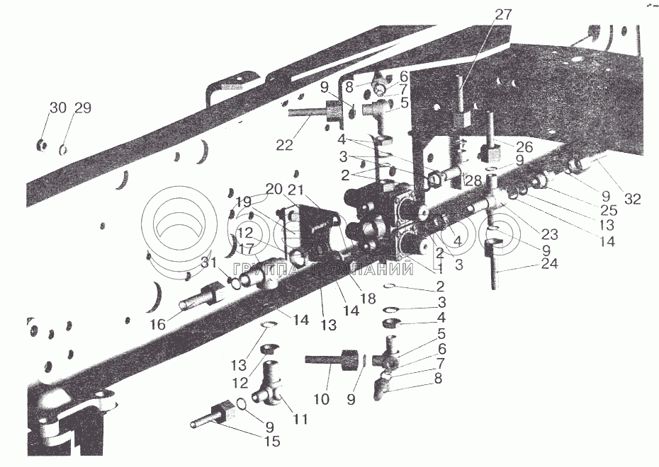
Каталог запасных частей к технике: МАЗ-6422. Крепление четырехконтурного клапана МАЗ-642208, 642205

zoom-in zoom-out enlarge shrink circle-right circle-left file-text2 info cart arraw right arraw left zoom out zoom in arraw maximize arraw minimize
1
2
2
2
3
3
3
4
4
4
5
5
6
6
7
7
8
8
9
9
9
9
9
9
10
11
12
12
13
13
13
14
14
14
15
16
17
18
19
20
21
22
23
24
25
26
27
28
29
30
31
32
1
64221-3515310-10
Клапан защитный четырехконтурный
В узле: 1
2
014-018-25-2-3
Кольцо
В узле: 4
3
375960
Шайба 16
В узле: 4
4
250636
Гайка М16х1,5-6Н
В узле: 4
5
402969
Угольник
В узле: 2
6
010-014-25-2-3
Кольцо
В узле: 2
7
375318
Шайба 12
В узле: 2
8
[Датчик ММ124-Д]
Датчик ММ124-Д
В узле: 2
9
006-011-19-2-3
Кольцо
В узле: 7
10
533602-3506194
Трубка к ресиверу заднего контура
В узле: 1
11
402741
Угольник
В узле: 1
12
374939
Гайка М22х1,5-6Н
В узле: 2
13
376145
Шайба 22
В узле: 3
14
020-025-30-2-3
Кольцо
В узле: 3
15
64224-3506130
Трубка к клапану контрольного вывода
В узле: 1
16
533602-3506148
Трубка к осушителю воздуха
В узле: 1
17
403118
Тройник
В узле: 1
18
201497
Болт М10-6gх25
В узле: 2
19
53035-3515042
Кронштейн
В узле: 1
20
201456
Болт М8-6gх20
В узле: 2
21
252135
Шайба 8Т
В узле: 2
22
533602-3506185
Трубка к ресиверу переднего контура
В узле: 1
23
403401
Крестовина
В узле: 1
24
533602-3506248
Трубка к угольнику отбора воздуха на сцепление
В узле: 1
25
404304
Штуцер
В узле: 1
26
533602-3506305
Трубка к клапану управления тормозами прицепа
В узле: 1
27
533602-3506134
Трубка к клапану управления тормозами прицепа
В узле: 1
28
402984
Угольник
В узле: 1
29
252136
Шайба 10.ОТ
В узле: 2
30
250512
Гайка М10-6Н
В узле: 2
31
012-016-25-2-3
Кольцо
В узле: 1
32
642290-3506154
Трубка к ресиверу потребителей
В узле: 1
Содержащиеся в справочниках-каталогах запасные части и детали не предлагаются к продаже, а носят исключительно информационный характер

Ваша заявка была отправлена. В ближайшее время наши специалисты с Вами свяжутся по указанному Вами телефону.

Представьтесь
Поле обязательно для заполнения
Ваш телефон
Введите правильный номер телефона
E-mail
Введите правильный e-mail
Тема
Тема
применяемость финансирование доставка цена, наличие другое сервис и гарантия
Время для звонка
08:00
08:00 09:00 10:00 11:00 12:00 13:00 14:00 15:00 16:00 17:00 18:00 19:00
19:00
08:00 09:00 10:00 11:00 12:00 13:00 14:00 15:00 16:00 17:00 18:00 19:00

Мы постараемся перезвонить в указанное время

Если вы не хотите ждать, то звоните нашим вежливым консультантам:

8 800 100-2-700
Подтвердите, что вы не робот
Подтвердите, что вы не робот
Спасибо!

Ваше сообщение успешно отправлено!

ЗакрытьПовторить попытку