Каталог запасных частей к технике: МАЗ-6422, 5432. Подвеска балансирная 642205-2900002

zoom-in zoom-out enlarge shrink circle-right circle-left file-text2 info cart arraw right arraw left zoom out zoom in arraw maximize arraw minimize
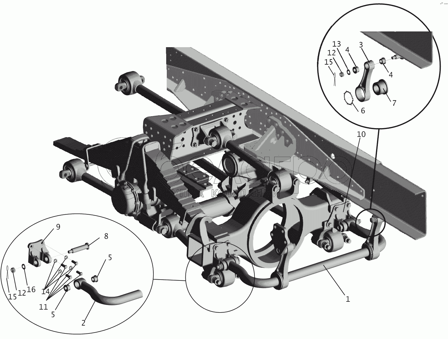
1
2
3
4
4
5
5
6
7
8
9
9
10
10
11
12
12
13
14
15
15
16
1
5516-2916006
Вал стабилизатора с рычагами
В узле: 1
2
5516-2916016
Вал стабилизатора
В узле: 1
3
54321-2916022
Рычаг
В узле: 2
4
5516-2916028
Втулка
В узле: 4
5
54321-2916028
Втулка
В узле: 4
6
54321-2916032
Кольцо стопорное
В узле: 2
7
5516-2916030
Втулка
В узле: 2
8
54321-2916034
Палец
В узле: 2
9
5516-2916040
Кронштейн стабилизатора нижний левый
В узле: 1
9
6501-2916041
Кронштейн стабилизатора левый
В узле: 1
10
6501-2916040
Кронштейн стабилизатора правый
В узле: 1
10
5516-2916041
Кронштейн стабилизатора нижний правый
В узле: 1
11
202142
Болт М16х1,5-6gх38
В узле: 8
12
374910
Гайка М20х1,5-5Н6Н
В узле: 4
13
252049-10
Шайба 20
В узле: 2
14
252139
Шайба 16.ОТ
В узле: 8
15
258056
Шплинт 4х40
В узле: 4
16
252019-10
Шайба 20
В узле: 2
Содержащиеся в справочниках-каталогах запасные части и детали не предлагаются к продаже, а носят исключительно информационный характер

Ваша заявка была отправлена. В ближайшее время наши специалисты с Вами свяжутся по указанному Вами телефону.

Представьтесь
Поле обязательно для заполнения
Ваш телефон
Введите правильный номер телефона
E-mail
Введите правильный e-mail
Тема
Тема
применяемость финансирование доставка цена, наличие другое сервис и гарантия
Время для звонка
08:00
08:00 09:00 10:00 11:00 12:00 13:00 14:00 15:00 16:00 17:00 18:00 19:00
19:00
08:00 09:00 10:00 11:00 12:00 13:00 14:00 15:00 16:00 17:00 18:00 19:00

Мы постараемся перезвонить в указанное время

Если вы не хотите ждать, то звоните нашим вежливым консультантам:

8 800 100-2-700
Подтвердите, что вы не робот
Подтвердите, что вы не робот
Спасибо!

Ваше сообщение успешно отправлено!

ЗакрытьПовторить попытку