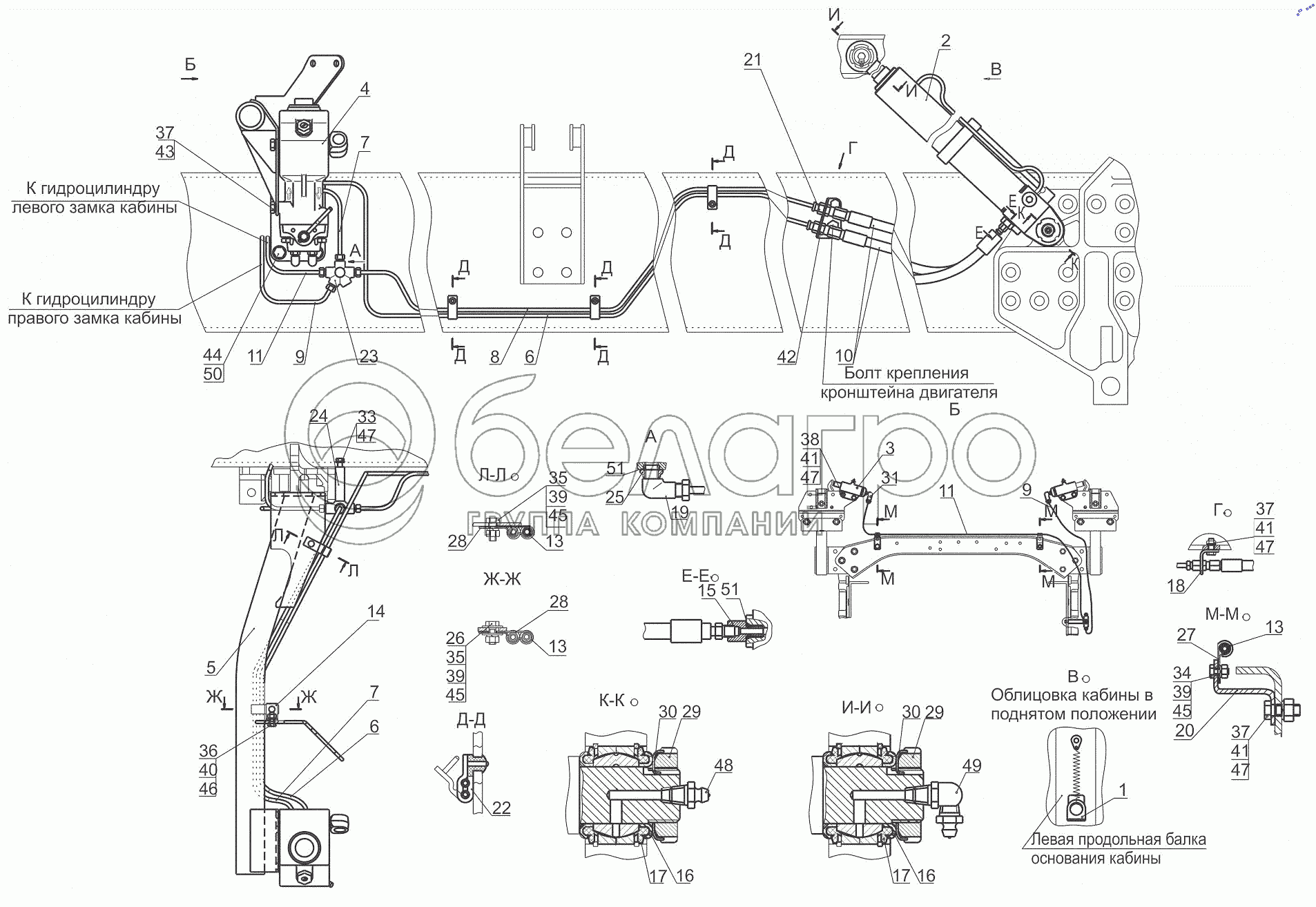
Каталог запасных частей к технике: МАЗ-643018. Установка механизма подъема кабины 544019-5000040

zoom-in zoom-out enlarge shrink circle-right circle-left file-text2 info cart arraw right arraw left zoom out zoom in arraw maximize arraw minimize
1
2
3
4
5
6
6
7
7
8
9
9
10
11
11
13
13
13
14
15
16
16
17
17
18
19
20
21
22
23
24
25
26
27
28
28
29
29
30
30
31
33
34
35
35
36
37
37
37
38
39
39
39
40
41
41
41
42
43
44
45
45
45
46
47
47
47
47
48
49
50
51
51
10
6430-5009160
Шланг
В узле: 2
6430-5009160 Шланг подъема кабины МАЗ (М14х1,5 – ШК 1/8" 415мм S17-S12) <10 шт. Нет на складе
1
6430-3900041
Укладка рычага подъема кабины
В узле: 1
2
6430-5003010
Гидроцилиндр МПК
В узле: 1
3
6430-5003100
Гидроцилиндр замка кабины
В узле: 2
4
6430-5004010
Насос
В узле: 1
5
544019-5004074
Кронштейн
В узле: 1
6
544019-5009055
Трубопровод
В узле: 1
7
544019-5009058
Трубопровод
В узле: 1
8
544019-5009060
Трубопровод
В узле: 1
9
643069-5009058
Трубопровод
В узле: 1
11
650136-5009055
Трубопровод
В узле: 1
13
500-1104541-Б
Втулка
В узле: 6
14
504В-3504046
Угольник оттяжной пружины
В узле: 1
15
6422-5003062
Переходник
В узле: 2
16
6430-5003186
Кольцо
В узле: 4
17
6430-5003188
Уплотнитель
В узле: 4
18
544019-5009062
Кронштейн
В узле: 1
19
64221-5009065
Угольник
В узле: 2
20
544019-5009066
Кронштейн
В узле: 2
21
6422-5009069
Переходник
В узле: 2
22
64221-5009072
Держатель
В узле: 3
23
6302-5009155
Блок соединительный
В узле: 1
24
6430-5009176
Втулка
В узле: 1
25
250615
Гайка М12х1,25-6Н
В узле: 2
26
252037
Шайба 6
В узле: 2
27
315406
Кляммер
В узле: 2
28
315409
Кляммер
В узле: 2
29
375034
Гайка М24х1,5-6Н
В узле: 2
30
376204
Шайба 24
В узле: 2
31
379812
Угольник
В узле: 2
33
200324
Болт М10-6gх75
В узле: 1
34
201416
Болт М6-6gх12
В узле: 2
35
201420
Болт М6-6gх20
В узле: 2
36
201456
Болт М8-6gх20
В узле: 1
37
201497
Болт М10-6gх25
В узле: 7
38
201501
Болт М10-6gх35
В узле: 4
39
250508
Гайка М6-6Н
В узле: 4
40
250510
Гайка М8-6Н
В узле: 1
41
250512
Гайка М10-6Н
В узле: 7
42
250559
Гайка М14х1,5-6Н
В узле: 2
43
252136
Шайба 10.ОТ
В узле: 4
44
252138
Шайба 14.ОТ
В узле: 4
45
252154
Шайба 6Л
В узле: 4
46
252155
Шайба 8Л
В узле: 1
47
252156
Шайба 10Л
В узле: 7
48
264020
Масленка 1.3.Ц6хр
В узле: 1
49
264040
Масленка 2.3.90 Ц6хр
В узле: 1
50
372212
Болт М14х1,5-6gх35
В узле: 4
51
008-012-25-2-3
Кольцо
В узле: 4
Содержащиеся в справочниках-каталогах запасные части и детали не предлагаются к продаже, а носят исключительно информационный характер

Ваша заявка была отправлена. В ближайшее время наши специалисты с Вами свяжутся по указанному Вами телефону.

Представьтесь
Поле обязательно для заполнения
Ваш телефон
Введите правильный номер телефона
E-mail
Введите правильный e-mail
Тема
Тема
применяемость финансирование доставка цена, наличие другое сервис и гарантия
Время для звонка
08:00
08:00 09:00 10:00 11:00 12:00 13:00 14:00 15:00 16:00 17:00 18:00 19:00
19:00
08:00 09:00 10:00 11:00 12:00 13:00 14:00 15:00 16:00 17:00 18:00 19:00

Мы постараемся перезвонить в указанное время

Если вы не хотите ждать, то звоните нашим вежливым консультантам:

8 800 100-2-700
Подтвердите, что вы не робот
Подтвердите, что вы не робот
Спасибо!

Ваше сообщение успешно отправлено!

ЗакрытьПовторить попытку