Каталог запасных частей к технике: МАЗ-643068. Привод переключения КП

zoom-in zoom-out enlarge shrink circle-right circle-left file-text2 info cart arraw right arraw left zoom out zoom in arraw maximize arraw minimize
1
2
3
4
4
4
5
6
7
8
8
8
9
9
9
9
9
10
11
12
13
14
15
16
17
17
18
19
19
20
20
21
22
23
24
25
26
27
28
29
30
31
32
32
33
34
35
36
37
38
39
39
40
40
41
41
42
43
44
45
46
48
49
50
51
52
52
53
53
54
54
55
56
57
57
58
58
58
59
59
59
60
61
61
62
62
62
63
64
65
66
67
68
69
70
71
72
73
74
75
76
77
27
020-025-30-2-2
Кольцо
В узле: ---
020-025-30-2-2 Кольцо уплотнительное, Беларусь >10 шт. 21.89 р.
59
010-014-25-2-2
Кольцо
В узле: ---
010-014-25-2-2 Кольцо уплотнительное, Беларусь >10 шт. 5.32 р.
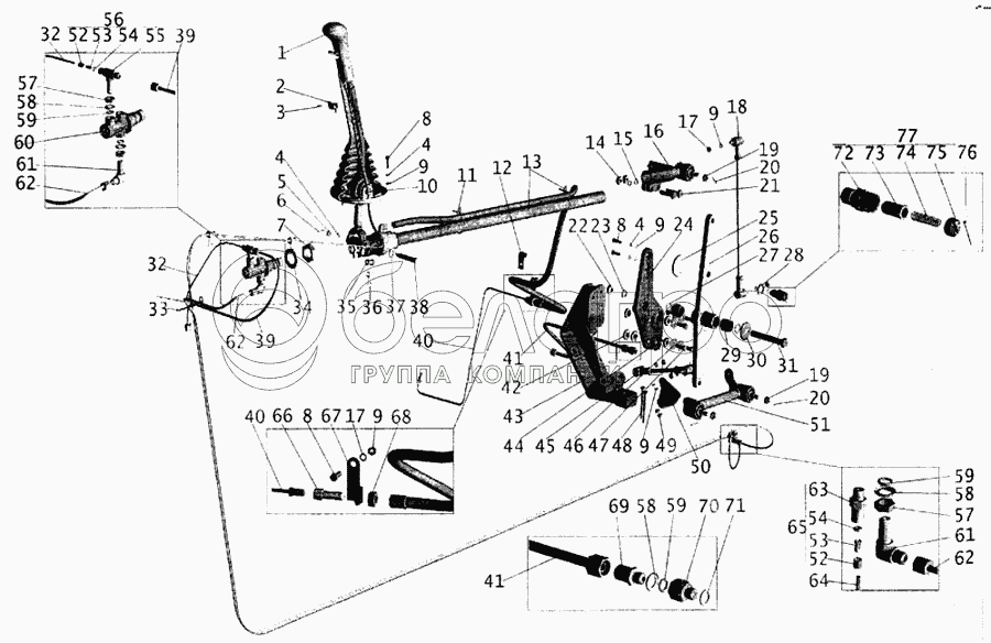
1
64302-1703410
Рычаг в сборе
В узле: ---
2
64221-1703724
Прижим
В узле: ---
3
231553
Винт 2М4-6gх14
В узле: ---
4
252005
Шайба 8
В узле: ---
5
250975
Гайка М8х1-6Н
В узле: ---
6
258014
Шплинт 2х20
В узле: ---
7
375040
Гайка М26х1,5-6Н
В узле: ---
8
201458
Болт М8-6gх25
В узле: ---
9
252135
Шайба 8Т
В узле: ---
10
54402-1703794
Трубка L=400мм
В узле: ---
11
64227-3724620
Лента стяжная
В узле: ---
12
379166
Кляммер
В узле: ---
13
6430-1703325
Механизм промежуточный в сборе
В узле: ---
14
250514
Гайка М12-6Н
В узле: ---
15
252157
Шайба 124
В узле: ---
16
64302-1703448
Хвостовик в сборе
В узле: ---
17
250510
Гайка М8-6Н
В узле: ---
18
64302-1703490-010
Тяга реактивная в сборе
В узле: ---
19
250977
Гайка М12х1,25-6Н
В узле: ---
20
258040
Шплинт 3,2х25
В узле: ---
21
200367
Болт М12-6gх45
В узле: ---
22
250636
Гайка М16х1,5-6Н
В узле: ---
23
252159
Шайба 16Л
В узле: ---
24
64302-1702214-010
Кронштейн
В узле: ---
25
64302-1702215-010
Сухарь
В узле: ---
26
64302-1703701-010
Рычаг в сборе
В узле: ---
28
252161
Шайба 20Л
В узле: ---
29
500А-1602694-10
Втулка
В узле: ---
30
64302-1703717
Стакан
В узле: ---
31
200897
Болт М16х1,5-6gх110
В узле: ---
32
64221-1703840-10
Трубка L=950мм
В узле: ---
33
64221-2724622
Хомут
В узле: ---
34
376196
Шайба 27
В узле: ---
35
500-1104541-Б
Втулка
В узле: ---
36
379164
Кляммер
В узле: ---
37
252007
Шайба 12
В узле: ---
38
54321-1703618
Ось
В узле: ---
39
64221-1705071-01
Трубка
В узле: ---
40
64302-1703752-010
Трубка в сборе
В узле: ---
41
54323-3506146-10
Трубка
В узле: ---
42
64302-1703720
Втулка
В узле: ---
43
64302-1702209-010
Картер
В узле: ---
44
64302-1703722
Втулка
В узле: ---
45
64221-1703490-01
Тяга реактивная в сборе
В узле: ---
46
64302-1703721
Шайба
В узле: ---
48
200276
Болт М8-6gх85
В узле: ---
49
64302-1703723
Втулка
В узле: ---
50
64302-1703454
Кронштейн
В узле: ---
51
64302-1703447
Хвостовик
В узле: ---
52
6430-1703450
Фиксатор
В узле: ---
53
6430-1703446
Цанга
В узле: ---
54
004-008-25-2-2
Кольцо
В узле: ---
55
544022-1703792
Тройник
В узле: ---
56
544022-1703790
Тройник в сборе
В узле: ---
57
374614
Гайка М12х1,5-5Н6Н
В узле: ---
58
375818
Шайба 12
В узле: ---
60
100-3537110
Кран моторного тормоза
В узле: ---
61
402737
Угольник
В узле: ---
62
64226-1602802
Трубка в сборе
В узле: ---
63
6430-1703722
Переходник
В узле: ---
64
64301-1703727
Трубка L=4500мм в сборе
В узле: ---
65
6430-1703860
Переходник в сборе
В узле: ---
66
6422-5009069
Переходник
В узле: ---
67
64301-1703457
Кронштейн
В узле: ---
68
250559
Гайка М14х1,5-6Н
В узле: ---
69
404209
Штуцер
В узле: ---
70
64226-1703867
Дроссель
В узле: ---
71
375538
Шайба 14
В узле: ---
72
64302-1703706
Корпус фиксатора
В узле: ---
73
64302-1703707
Фиксатор
В узле: ---
74
201.1702106
Пружина
В узле: ---
75
64302-1703708
Пробка
В узле: ---
76
258027
Шплинт 2,5х32
В узле: ---
77
64302-1703705
Фиксатор в сборе
В узле: ---
Содержащиеся в справочниках-каталогах запасные части и детали не предлагаются к продаже, а носят исключительно информационный характер

Ваша заявка была отправлена. В ближайшее время наши специалисты с Вами свяжутся по указанному Вами телефону.

Представьтесь
Поле обязательно для заполнения
Ваш телефон
Введите правильный номер телефона
E-mail
Введите правильный e-mail
Тема
Тема
применяемость финансирование доставка цена, наличие другое сервис и гарантия
Время для звонка
08:00
08:00 09:00 10:00 11:00 12:00 13:00 14:00 15:00 16:00 17:00 18:00 19:00
19:00
08:00 09:00 10:00 11:00 12:00 13:00 14:00 15:00 16:00 17:00 18:00 19:00

Мы постараемся перезвонить в указанное время

Если вы не хотите ждать, то звоните нашим вежливым консультантам:

8 800 100-2-700
Подтвердите, что вы не робот
Подтвердите, что вы не робот
Спасибо!

Ваше сообщение успешно отправлено!

ЗакрытьПовторить попытку