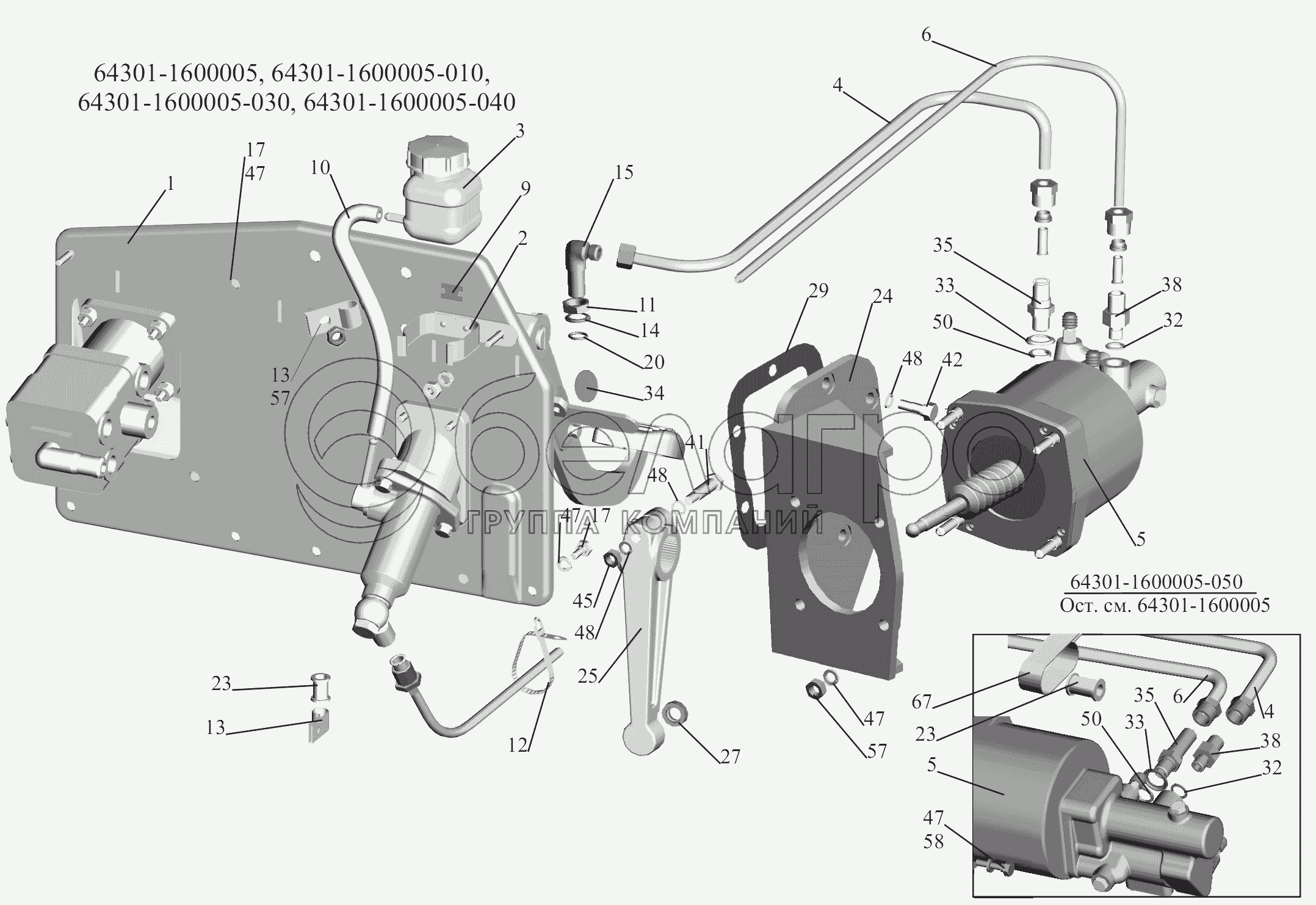
Каталог запасных частей к технике: МАЗ-6430A8 (5440A8, 5440A5). Установка механизма управления сцеплением

zoom-in zoom-out enlarge shrink circle-right circle-left file-text2 info cart arraw right arraw left zoom out zoom in arraw maximize arraw minimize
1
1
2
3
3
4
4
4
5
5
5
5
6
6
9
10
11
12
13
13
14
15
17
17
20
23
23
24
24
25
25
27
29
32
32
33
33
34
35
35
38
38
41
42
45
47
47
47
47
48
48
48
50
50
57
57
58
67
1
6430A5-1602004
Блок управления сцеплением
В узле: 1
1
64301-1602004
Блок управления сцеплением
В узле: 1
2
64226-1602198
Кронштейн
В узле: 1
3
64221-1602560
Бачок
В узле: 1
3
2101-1602560-00
Бачок
В узле: 1
4
64229-1602940-030
Трубка
В узле: 1
4
64229-1602940-040
Трубка
В узле: 1
5
64221-1609200
Усилитель пневмогидравлический
В узле: 1
5
8041.16.09.200
Усилитель сцепления
В узле: 1
5
8050.16.09.200
Усилитель сцепления
В узле: 1
6
54323-3506146-10
Трубка
В узле: 1
9
64226-1602400
Пластина
В узле: 1
10
6430-1602908
Шланг L = 300(+5) мм, рукав 6-14-168
В узле: 1
11
374614
Гайка М12х1,5-5Н6Н
В узле: 1
12
6430-3724624
Хомут
В узле: 10
13
379173
Кляммер
В узле: 2
14
375818
Шайба 12
В узле: 1
15
402952
Угольник
В узле: 1
17
201454
Болт М8-6gх16
В узле: 5
20
010-014-25-2-3
Кольцо
В узле: 1
23
500-1104542
Втулка
В узле: 1
24
64229-1602715
Кронштейн
В узле: 1
24
64229-1602715-20
Кронштейн
В узле: 1
25
64229-1602832-030
Рычаг
В узле: 1
25
543224-1602832
Рычаг
В узле: 1
27
6430-1609517
Уплотнитель
В узле: 1
29
205-4202018
Прокладка
В узле: 1
30
374243
Гайка М10х1-6Н
В узле: 4
32
375539
Шайба 14
В узле: 1
33
375960
Шайба 16
В узле: 2
34
378946
Заглушка М30х1,5
В узле: 1
35
379002
Ниппель проходной
В узле: 1
38
404249
Штуцер
В узле: 1
41
200320
Болт М10-6gх55
В узле: 1
42
201497
Болт М10-6gх25
В узле: 6
45
250512
Гайка М10-6Н
В узле: 1
47
252135
Шайба 8Т
В узле: 7
48
252156
Шайба 10Л
В узле: 11
50
014-018-25-2-3
Кольцо
В узле: 2
57
250510
Гайка М8-6Н
В узле: 2
58
201460
Болт М8-6gх30
В узле: 1
67
379191
Кляммер
В узле: 1
Содержащиеся в справочниках-каталогах запасные части и детали не предлагаются к продаже, а носят исключительно информационный характер

Ваша заявка была отправлена. В ближайшее время наши специалисты с Вами свяжутся по указанному Вами телефону.

Представьтесь
Поле обязательно для заполнения
Ваш телефон
Введите правильный номер телефона
E-mail
Введите правильный e-mail
Тема
Тема
применяемость финансирование доставка цена, наличие другое сервис и гарантия
Время для звонка
08:00
08:00 09:00 10:00 11:00 12:00 13:00 14:00 15:00 16:00 17:00 18:00 19:00
19:00
08:00 09:00 10:00 11:00 12:00 13:00 14:00 15:00 16:00 17:00 18:00 19:00

Мы постараемся перезвонить в указанное время

Если вы не хотите ждать, то звоните нашим вежливым консультантам:

8 800 100-2-700
Подтвердите, что вы не робот
Подтвердите, что вы не робот
Спасибо!

Ваше сообщение успешно отправлено!

ЗакрытьПовторить попытку