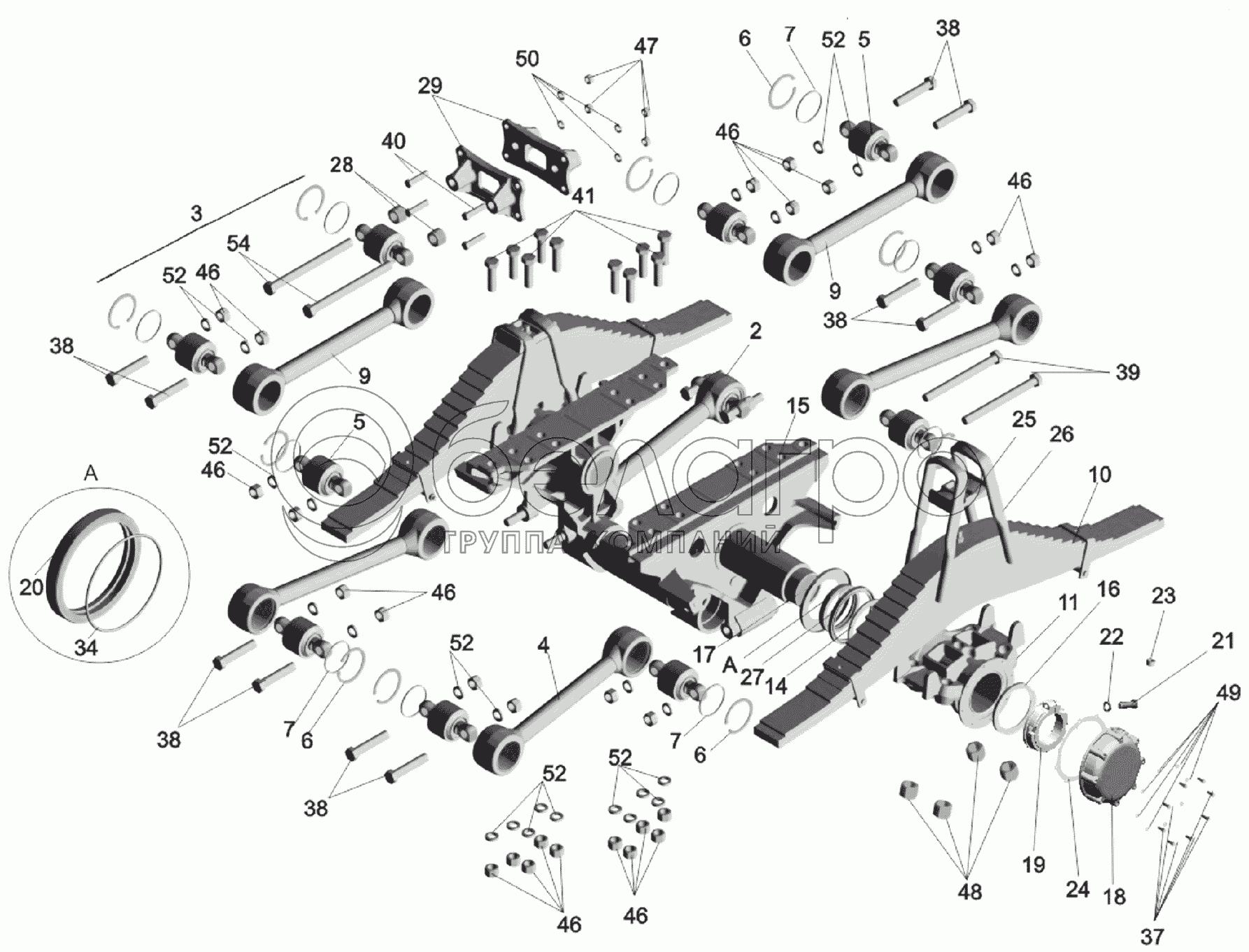
Каталог запасных частей к технике: МАЗ-651705. Подвеска балансирная 651705-2900002

zoom-in zoom-out enlarge shrink circle-right circle-left file-text2 info cart arraw right arraw left zoom out zoom in arraw maximize arraw minimize
2
3
4
5
5
6
6
6
7
7
7
9
9
10
11
12
14
15
16
17
18
19
20
21
22
23
24
25
26
27
28
29
34
37
38
38
38
38
38
39
40
41
46
46
46
46
46
46
46
47
48
49
50
52
52
52
52
52
52
54
2
64221-2919014
Штанга реактивная
В узле: 4
3
64221-2919015
Штанга реактивная
В узле: 2
4
64221-2919018
Труба с головками
В узле: 4
5
64221-2919040
Шарнир штанги
В узле: 12
6
64221-2919032-010
Кольцо пружинное
В узле: 12
7
64221-2919026
Кольцо
В узле: 12
9
64221-2919016
Труба с головками
В узле: 2
10
55165-2912012
Рессора
В узле: 2
11
6303-2918018
Балансир в сборе
В узле: 2
12
6303-2918020
Балансир
В узле: 2
13
938-2918022
Втулка балансира
В узле: 4
14
6303-2918044
Кольцо упорное
В узле: 2
15
5516-2918140
Кронштейны со стяжкой
В узле: 1
16
6303-2918045
Кольцо упорное
В узле: 2
17
6303-2918068
Шайба
В узле: 2
18
5516-2918118
Крышка
В узле: 2
19
5516-2918202-010
Гайка
В узле: 2
20
6303-2918156
Кольцо распорное
В узле: 2
21
371835
Болт М14-6gх50
В узле: 2
22
252138
Шайба 14.ОТ
В узле: 2
23
54323-2401142
Пробка МК24
В узле: 2
24
6303-2918122
Прокладка
В узле: 2
25
6303-2912412
Накладка рессоры
В узле: 2
26
5516-2912408
Стремянка
В узле: 4
27
537-3103037-01
Манжета армированная с пружиной
В узле: 2
28
55165-2919046
Подкладка
В узле: 2
29
55165-2919044
Кронштейн
В узле: 2
34
122-130-46-2-3
Кольцо распорное
В узле: 2
37
370848
Болт М8-6gх75
В узле: 16
38
371045
Болт М24х2-6gх130
В узле: 12
39
371095
Болт М24х2-6gх275
В узле: 4
40
372608
Болт М16х1,5-6gх70
В узле: 4
41
372976
Болт М24х2-6gх110
В узле: 20
46
374650
Гайка М24х2-6Н
В узле: 38
47
374727
Гайка М16х1,5-5Н6Н
В узле: 4
48
349600
Гайка М30х2-5Н6Н
В узле: 8
49
252155
Шайба 8Л
В узле: 16
50
252139
Шайба 16.ОТ
В узле: 4
52
252143
Шайба 24Т
В узле: 38
53
252021
Шайба 24
В узле: ---
54
372986
Болт М24х2-6gх290
В узле: 2
Содержащиеся в справочниках-каталогах запасные части и детали не предлагаются к продаже, а носят исключительно информационный характер

Ваша заявка была отправлена. В ближайшее время наши специалисты с Вами свяжутся по указанному Вами телефону.

Представьтесь
Поле обязательно для заполнения
Ваш телефон
Введите правильный номер телефона
E-mail
Введите правильный e-mail
Тема
Тема
применяемость финансирование доставка цена, наличие другое сервис и гарантия
Время для звонка
08:00
08:00 09:00 10:00 11:00 12:00 13:00 14:00 15:00 16:00 17:00 18:00 19:00
19:00
08:00 09:00 10:00 11:00 12:00 13:00 14:00 15:00 16:00 17:00 18:00 19:00

Мы постараемся перезвонить в указанное время

Если вы не хотите ждать, то звоните нашим вежливым консультантам:

8 800 100-2-700
Подтвердите, что вы не робот
Подтвердите, что вы не робот
Спасибо!

Ваше сообщение успешно отправлено!

ЗакрытьПовторить попытку