Каталог запасных частей к технике: МАЗ-74131. Подвеска двигателя

zoom-in zoom-out enlarge shrink circle-right circle-left file-text2 info cart arraw right arraw left zoom out zoom in arraw maximize arraw minimize
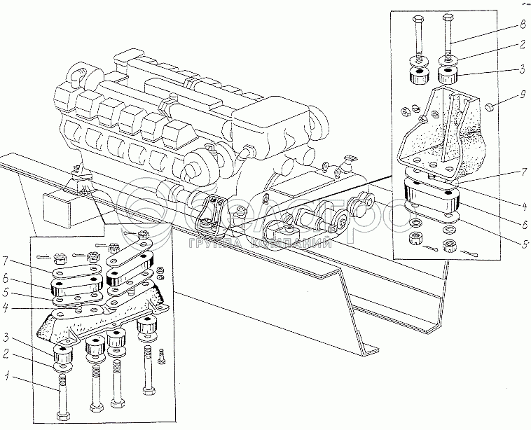
1
2
2
3
3
4
4
5
5
6
6
7
7
8
9
7413-1001015
Балка
В узле: 1
74131-1001064
Опора правая
В узле: 1
74131-1001065
Опора левая
В узле: 1
371342
Болт М16х1,5-6gх50
В узле: 6
374633
Гайка М14х1,5-5Н6Н
В узле: 8
374635
Гайка М16х1.5-6Н
В узле: 6
1
7413-1001124
Стяжка передняя
В узле: 2
2
7413-1001102
Пластина передняя
В узле: 8
3
7413-1001025
Амортизатор
В узле: 8
4
377668
Штифт 14х20
В узле: 4
5
7413-1001066
Кожух верхний
В узле: 4
6
7413-1001050
Амортизатор верхний
В узле: 4
7
7413-1001068
Кожух нижний
В узле: 4
8
7413-1001125
Стяжка задняя
В узле: 2
9
7413-1001030
Ось
В узле: 2
Содержащиеся в справочниках-каталогах запасные части и детали не предлагаются к продаже, а носят исключительно информационный характер

Ваша заявка была отправлена. В ближайшее время наши специалисты с Вами свяжутся по указанному Вами телефону.

Представьтесь
Поле обязательно для заполнения
Ваш телефон
Введите правильный номер телефона
E-mail
Введите правильный e-mail
Тема
Тема
применяемость финансирование доставка цена, наличие другое сервис и гарантия
Время для звонка
08:00
08:00 09:00 10:00 11:00 12:00 13:00 14:00 15:00 16:00 17:00 18:00 19:00
19:00
08:00 09:00 10:00 11:00 12:00 13:00 14:00 15:00 16:00 17:00 18:00 19:00

Мы постараемся перезвонить в указанное время

Если вы не хотите ждать, то звоните нашим вежливым консультантам:

8 800 100-2-700
Подтвердите, что вы не робот
Подтвердите, что вы не робот
Спасибо!

Ваше сообщение успешно отправлено!

ЗакрытьПовторить попытку