Каталог запасных частей к технике: МАЗ-74131. Поворотное устройство

zoom-in zoom-out enlarge shrink circle-right circle-left file-text2 info cart arraw right arraw left zoom out zoom in arraw maximize arraw minimize
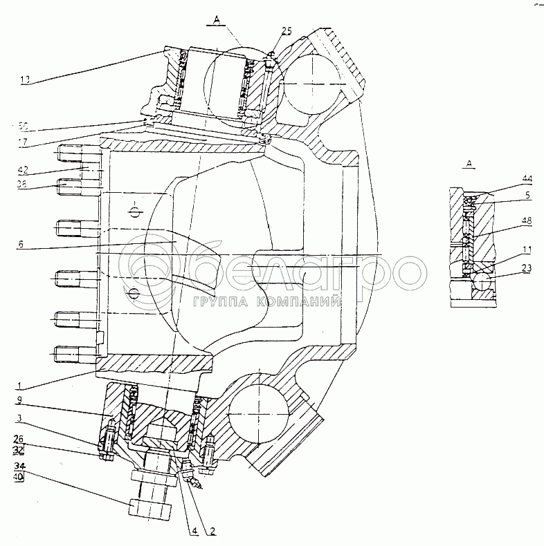
1
2
3
4
5
6
9
11
13
17
23
25
26
32
34
36
40
42
44
48
50
7930-2304031
Кулак поворотный с рычагом левый
В узле: 1
543-2304041-10
Поворотный кулак правый
В узле: 1
543-2304043-10
Поворотный кулак левый
В узле: 1
400469
Кольцо 1Б80
В узле: 1
537-2304190-А
Сальник крышки-стакана в сборе
В узле: 1
547-3414039
Рычаг левый
В узле: 1
1
7930-2304030
Кулак поворотный с рычагом правый
В узле: 1
2
264030
Масленка 2.3.45 Ц6хр
В узле: 1
3
537-2304180
Крышка-стакан опоры поворотного кулака в сборе
В узле: 1
4
537-2304059
Заглушка нижняя
В узле: 1
5
537-2304190-А
Сальник крышки-стакана в сборе
В узле: 1
6
547-3414038
Рычаг правый
В узле: 1
9
7909-2304014
Опора поворотного кулака
В узле: 1
11
543-2304033
Шайба опорная
В узле: 1
13
535А-2304036
Крышка опоры поворотного кулака
В узле: 1
17
535-2304046
Корпус сальника шипа поворотного кулака
В узле: 1
23
0000-2304301
Подшипник 8216
В узле: 1
25
264020
Масленка 1.3.Ц6хр
В узле: 1
26
201497
Болт М10-6gх25
В узле: 6
32
252136
Шайба 10.ОТ
В узле: 8
34
373055
Болт М30х2-6hх55
В узле: 1
36
373657
Шпилька М18х46
В узле: 1
40
375086
Гайка М30х2-5Н6Н
В узле: 1
42
377722
Штифт 20х40
В узле: 2
44
400469
Кольцо 1Б80
В узле: 1
48
0000-3414371
Подшипник 894713
В узле: 1
50
0000-2304712
Кольцо Д4102.17439
В узле: 1
Содержащиеся в справочниках-каталогах запасные части и детали не предлагаются к продаже, а носят исключительно информационный характер

Ваша заявка была отправлена. В ближайшее время наши специалисты с Вами свяжутся по указанному Вами телефону.

Представьтесь
Поле обязательно для заполнения
Ваш телефон
Введите правильный номер телефона
E-mail
Введите правильный e-mail
Тема
Тема
применяемость финансирование доставка цена, наличие другое сервис и гарантия
Время для звонка
08:00
08:00 09:00 10:00 11:00 12:00 13:00 14:00 15:00 16:00 17:00 18:00 19:00
19:00
08:00 09:00 10:00 11:00 12:00 13:00 14:00 15:00 16:00 17:00 18:00 19:00

Мы постараемся перезвонить в указанное время

Если вы не хотите ждать, то звоните нашим вежливым консультантам:

8 800 100-2-700
Подтвердите, что вы не робот
Подтвердите, что вы не робот
Спасибо!

Ваше сообщение успешно отправлено!

ЗакрытьПовторить попытку