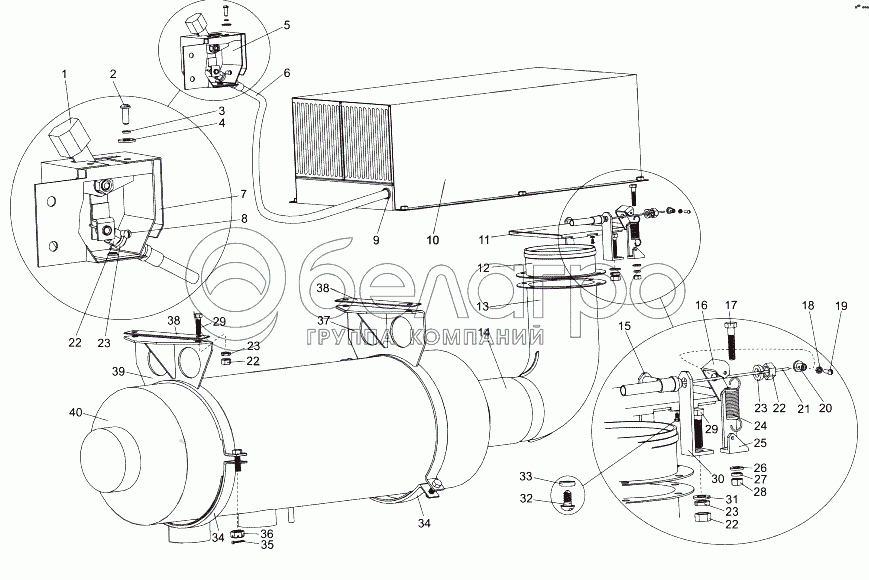
Каталог запасных частей к технике: МАЗ-74131. Установка отопителя независимого действия

zoom-in zoom-out enlarge shrink circle-right circle-left file-text2 info cart arraw right arraw left zoom out zoom in arraw maximize arraw minimize
1
2
3
4
5
6
7
8
9
10
11
12
13
14
15
16
17
18
19
20
21
22
22
22
22
23
23
23
23
24
25
26
27
28
29
29
30
31
32
33
34
34
35
36
37
38
38
39
40
1
74131-8109050
Рукоятка
В узле: 1
2
220051
Винт М4-6gх10
В узле: 3
3
252132
Шайба 4
В узле: 3
4
252002
Шайба 4
В узле: 3
5
74131-8109512
Блок управления
В узле: 1
6
74131-8109562
Оболочка
В узле: 1
7
74131-8109616
Кожух
В узле: 1
8
220076
Винт М5-6gх8
В узле: 1
9
547А-3724876
Втулка
В узле: 1
10
74131-8103140
Сопло
В узле: 1
11
74131-8103250
Крышка
В узле: 1
12
74131-8103210
Патрубок
В узле: 1
13
74131-8103224
Патрубок
В узле: 1
14
74131-8103248
Уплотнитель
В узле: 1
15
74131-8103268
Кронштейн
В узле: 1
16
74131-8103260
Ось
В узле: 1
17
201424
Болт М6-6gх30
В узле: 14
18
250458
Гайка М3-6Н
В узле: 1
19
220004
Винт М3-6gх40
В узле: 1
20
74131-8109588
Ось
В узле: 1
21
74131-8109551
Тяга
В узле: 1
22
250510
Гайка М8-6Н
В узле: 7
23
252135
Шайба 8Т
В узле: 7
24
500-1310075
Пружина
В узле: 1
25
74131-8103266
Кронштейн
В узле: 1
26
252004
Шайба 6
В узле: 8
27
252134
Шайба 6Т
В узле: 16
28
250508
Гайка М6-6Н
В узле: 14
29
201460
Болт М8-6gх30
В узле: 5
30
74131-8109526
Кронштейн
В узле: 1
31
252005
Шайба 8
В узле: 1
32
220001
Винт М3-6gх6
В узле: 4
33
252130
Шайба 3Т
В узле: 4
34
74131-8107020
Стяжка
В узле: 2
35
258013
Шплинт 2х16
В узле: 4
36
250975
Гайка М8х1-6Н
В узле: 4
37
74131-8107011
Кронштейн отопителя
В узле: 1
38
74131-8107026
Пластина
В узле: 2
39
74131-8107010
Кронштейн отопителя
В узле: 1
40
0000-8106124
Отопительно-вентиляционная установка
В узле: 1
Содержащиеся в справочниках-каталогах запасные части и детали не предлагаются к продаже, а носят исключительно информационный характер

Ваша заявка была отправлена. В ближайшее время наши специалисты с Вами свяжутся по указанному Вами телефону.

Представьтесь
Поле обязательно для заполнения
Ваш телефон
Введите правильный номер телефона
E-mail
Введите правильный e-mail
Тема
Тема
применяемость финансирование доставка цена, наличие другое сервис и гарантия
Время для звонка
08:00
08:00 09:00 10:00 11:00 12:00 13:00 14:00 15:00 16:00 17:00 18:00 19:00
19:00
08:00 09:00 10:00 11:00 12:00 13:00 14:00 15:00 16:00 17:00 18:00 19:00

Мы постараемся перезвонить в указанное время

Если вы не хотите ждать, то звоните нашим вежливым консультантам:

8 800 100-2-700
Подтвердите, что вы не робот
Подтвердите, что вы не робот
Спасибо!

Ваше сообщение успешно отправлено!

ЗакрытьПовторить попытку