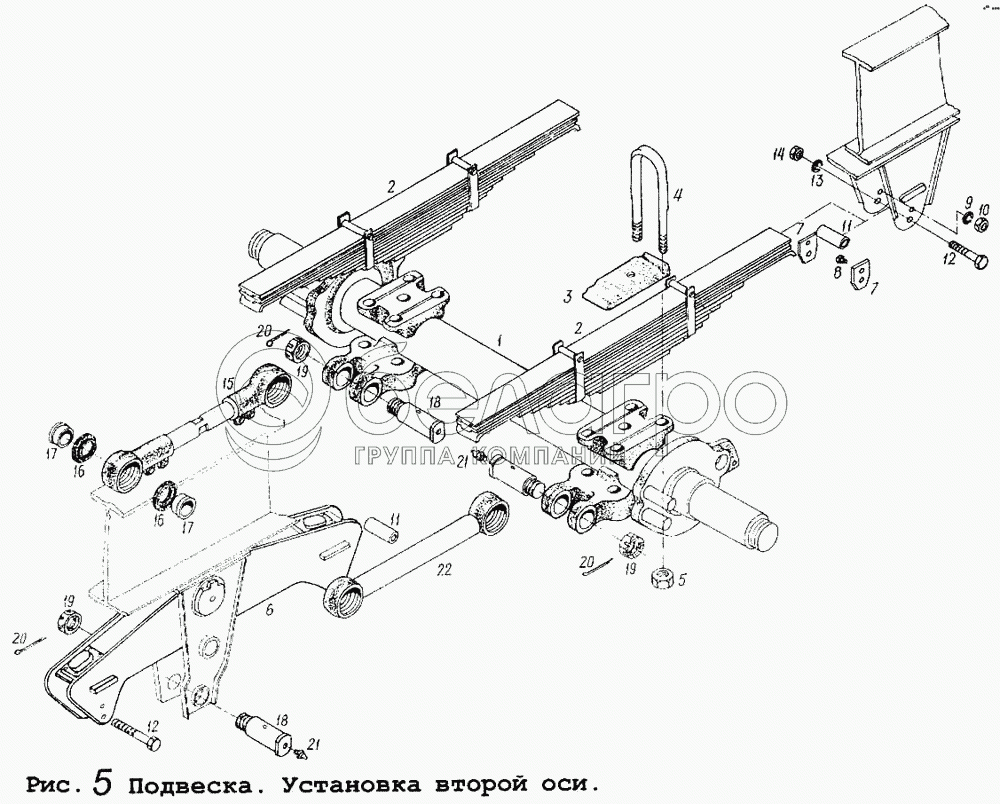
Каталог запасных частей к технике: МАЗ-9008. Подвеска. Установка второй оси

zoom-in zoom-out enlarge shrink circle-right circle-left file-text2 info cart arraw right arraw left zoom out zoom in arraw maximize arraw minimize
1
2
2
3
4
5
6
7
7
8
9
10
11
11
12
12
13
14
15
16
16
17
17
18
18
19
19
19
20
20
20
21
21
22
1
93866.2410007-30
Ось с тормозами
В узле: 1
2
9506-2912012
Рессора
В узле: 2
3
5206-2912412
Накладка задней рессоры
В узле: 2
4
8378-2912408
Стремянка
В узле: 4
5
375059
Гайка М27х2-5Н6Н
В узле: 8
6
97581-2918015
Балансир
В узле: 2
7
941-2918059
Пластина
В узле: 2
8
221723
Винт М10-6gх30
В узле: 4
9
252136
Шайба 10.ОТ
В узле: 2
10
250612
Гайка М10-6Н
В узле: 2
11
200-2912452
Втулка распорная
В узле: 2
12
200879
Болт М16-6gх150
В узле: 4
13
252139
Шайба 16.ОТ
В узле: 4
14
250560
Гайка М16-6Н
В узле: 4
15
93865-2919010
Штанга регулируемая L = 493мм
В узле: 1
16
941-2919026.10
Уплотнитель
В узле: 8
17
941-2919023-10
Втулка
В узле: 8
18
941-2919098
Палец
В узле: 4
19
5335-2402036
Гайка М39х2-5Н6Н
В узле: 4
20
258086
Шплинт
В узле: 4
21
264020
Масленка 1.3.Ц6хр
В узле: 4
22
93865.2919012
Штанга нерегулируемая
В узле: 1
Содержащиеся в справочниках-каталогах запасные части и детали не предлагаются к продаже, а носят исключительно информационный характер

Ваша заявка была отправлена. В ближайшее время наши специалисты с Вами свяжутся по указанному Вами телефону.

Представьтесь
Поле обязательно для заполнения
Ваш телефон
Введите правильный номер телефона
E-mail
Введите правильный e-mail
Тема
Тема
применяемость финансирование доставка цена, наличие другое сервис и гарантия
Время для звонка
08:00
08:00 09:00 10:00 11:00 12:00 13:00 14:00 15:00 16:00 17:00 18:00 19:00
19:00
08:00 09:00 10:00 11:00 12:00 13:00 14:00 15:00 16:00 17:00 18:00 19:00

Мы постараемся перезвонить в указанное время

Если вы не хотите ждать, то звоните нашим вежливым консультантам:

8 800 100-2-700
Подтвердите, что вы не робот
Подтвердите, что вы не робот
Спасибо!

Ваше сообщение успешно отправлено!

ЗакрытьПовторить попытку