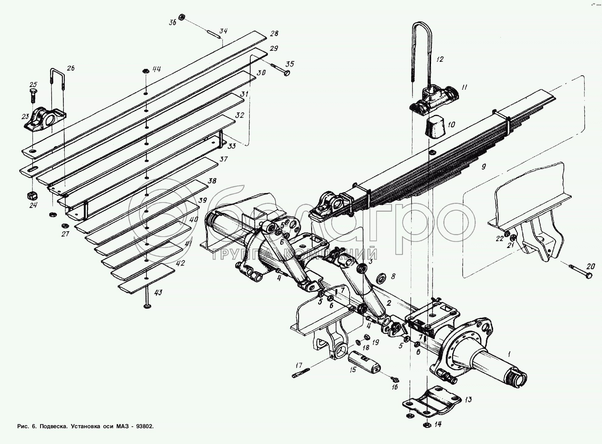
Каталог запасных частей к технике: МАЗ-938662. Подвеска. Установка оси МАЗ-93802

zoom-in zoom-out enlarge shrink circle-right circle-left file-text2 info cart arraw right arraw left zoom out zoom in arraw maximize arraw minimize
1
2
3
4
4
5
5
5
6
6
6
7
7
8
9
10
11
12
13
14
15
16
17
18
19
20
21
22
23
24
25
26
27
28
29
30
31
32
33
34
35
36
37
38
39
40
41
42
43
44
3
500А-2905410
Буфер
В узле: 8
500А-2905410 Втулка амортизатора (одинарная) <10 шт. 93.01 р.
1
93802-2410010
Балка оси
В узле: 1
2
5335-2905006-06
Амортизатор
В узле: 2
4
93802-2915470
Палец
В узле: 2
5
252049
Шайба 20
В узле: 4
6
374910
Гайка М20х1,5-5Н6Н
В узле: 4
7
258056
Шплинт 4х40
В узле: 4
8
500А-2905420
Шайба
В узле: 2
9
8378-2912012-01
Рессора
В узле: 2
10
501-2912624
Буфер
В узле: 2
11
501-2912412А
Накладка
В узле: 2
12
8378-2912408
Стремянка
В узле: 4
13
9571-2912415
Накладка нижняя
В узле: 2
14
375059
Гайка М27х2-5Н6Н
В узле: 8
15
500А-2912478
Палец
В узле: 2
16
264020
Масленка 1.3.Ц6хр
В узле: 2
17
500А-2912482
Клин пальца ушка задней рессоры
В узле: 2
18
252137
Шайба 12.ОТ
В узле: 2
19
250514
Гайка М12-6Н
В узле: 2
20
200880
Болт М16-6gх160
В узле: 2
21
252139
Шайба 16.ОТ
В узле: 2
22
250560
Гайка М16-6Н
В узле: 2
23
5336-2912015
Ушко в сборе
В узле: 2
24
5335-2902018
Втулка накладного ушка передней рессоры
В узле: 1
25
64221-3902020
Палец крепления ушка
В узле: 2
26
500-2912024
Стремянка ушка рессоры
В узле: 2
27
374727
Гайка М16х1,5-5Н6Н
В узле: 4
28
8378-2912101-002
Лист 1
В узле: 2
29
8378-2912102-002
Лист 2
В узле: 2
30
8378-2912103-002
Лист 3
В узле: 2
31
8378-2912104-002
Лист 4
В узле: 2
32
8378-2912105-002
Лист 5
В узле: 2
33
8378-2912106-002
Лист 6
В узле: 2
34
200-2902068
Трубка распорная хомута рессоры
В узле: 4
35
200332
Болт М10-6gх115
В узле: 4
36
250512
Гайка М10-6Н
В узле: 4
37
8378-2912107-002
Лист 7
В узле: 2
38
8378-2912108-002
Лист 8
В узле: 2
39
8378-2912109-002
Лист 9
В узле: 2
40
8378-2912110-002
Лист 10
В узле: 2
41
8378-2912111-002
Лист 11
В узле: 2
42
8378-2912112-002
Лист 12
В узле: 2
43
371792
Болт М12х1,25gх190
В узле: 2
44
250515
Гайка М12х1,25-6Н
В узле: 2
45
8378-2912113-002
Лист 13
В узле: 2
46
8378-2912114-002
Лист 14
В узле: 2
47
500-2912063
Хомут
В узле: 4
48
256839
Заклепка 10х26
В узле: 4
49
294432
Заклепка 10х28
В узле: 4
Содержащиеся в справочниках-каталогах запасные части и детали не предлагаются к продаже, а носят исключительно информационный характер

Ваша заявка была отправлена. В ближайшее время наши специалисты с Вами свяжутся по указанному Вами телефону.

Представьтесь
Поле обязательно для заполнения
Ваш телефон
Введите правильный номер телефона
E-mail
Введите правильный e-mail
Тема
Тема
применяемость финансирование доставка цена, наличие другое сервис и гарантия
Время для звонка
08:00
08:00 09:00 10:00 11:00 12:00 13:00 14:00 15:00 16:00 17:00 18:00 19:00
19:00
08:00 09:00 10:00 11:00 12:00 13:00 14:00 15:00 16:00 17:00 18:00 19:00

Мы постараемся перезвонить в указанное время

Если вы не хотите ждать, то звоните нашим вежливым консультантам:

8 800 100-2-700
Подтвердите, что вы не робот
Подтвердите, что вы не робот
Спасибо!

Ваше сообщение успешно отправлено!

ЗакрытьПовторить попытку