Каталог запасных частей к технике: МАЗ-93892. Ось задняя дополнительная

zoom-in zoom-out enlarge shrink circle-right circle-left file-text2 info cart arraw right arraw left zoom out zoom in arraw maximize arraw minimize
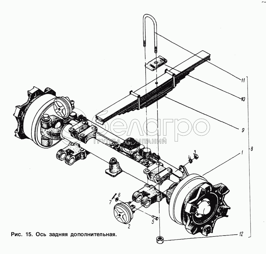
1
2
3
4
5
6
7
8
9
10
11
12
1
9389-3012005
Ось с тормозами
В узле: 1
2
100-3519210-01
Тормозная камера
В узле: 2
3
250561
Гайка М16х1,5-6Н
В узле: 4
4
252139
Шайба 16.ОТ
В узле: 4
5
260089
Палец 12х40
В узле: 2
6
252007
Шайба 12
В узле: 2
7
258052
Шплинт 4х20
В узле: 2
8
9389-3012002
Ось с рессорами
В узле: 1
9
9389-2902012
Рессора
В узле: 2
10
8925-2902412
Накладка
В узле: 2
11
509А-2902408
Стремянка
В узле: 4
12
375059
Гайка М27х2-5Н6Н
В узле: 8
Содержащиеся в справочниках-каталогах запасные части и детали не предлагаются к продаже, а носят исключительно информационный характер

Ваша заявка была отправлена. В ближайшее время наши специалисты с Вами свяжутся по указанному Вами телефону.

Представьтесь
Поле обязательно для заполнения
Ваш телефон
Введите правильный номер телефона
E-mail
Введите правильный e-mail
Тема
Тема
применяемость финансирование доставка цена, наличие другое сервис и гарантия
Время для звонка
08:00
08:00 09:00 10:00 11:00 12:00 13:00 14:00 15:00 16:00 17:00 18:00 19:00
19:00
08:00 09:00 10:00 11:00 12:00 13:00 14:00 15:00 16:00 17:00 18:00 19:00

Мы постараемся перезвонить в указанное время

Если вы не хотите ждать, то звоните нашим вежливым консультантам:

8 800 100-2-700
Подтвердите, что вы не робот
Подтвердите, что вы не робот
Спасибо!

Ваше сообщение успешно отправлено!

ЗакрытьПовторить попытку