Каталог запасных частей к технике: МАЗ-93892. Установка клапана

zoom-in zoom-out enlarge shrink circle-right circle-left file-text2 info cart arraw right arraw left zoom out zoom in arraw maximize arraw minimize
1
2
3
4
5
6
6
7
8
9
10
11
11
11
12
13
14
1
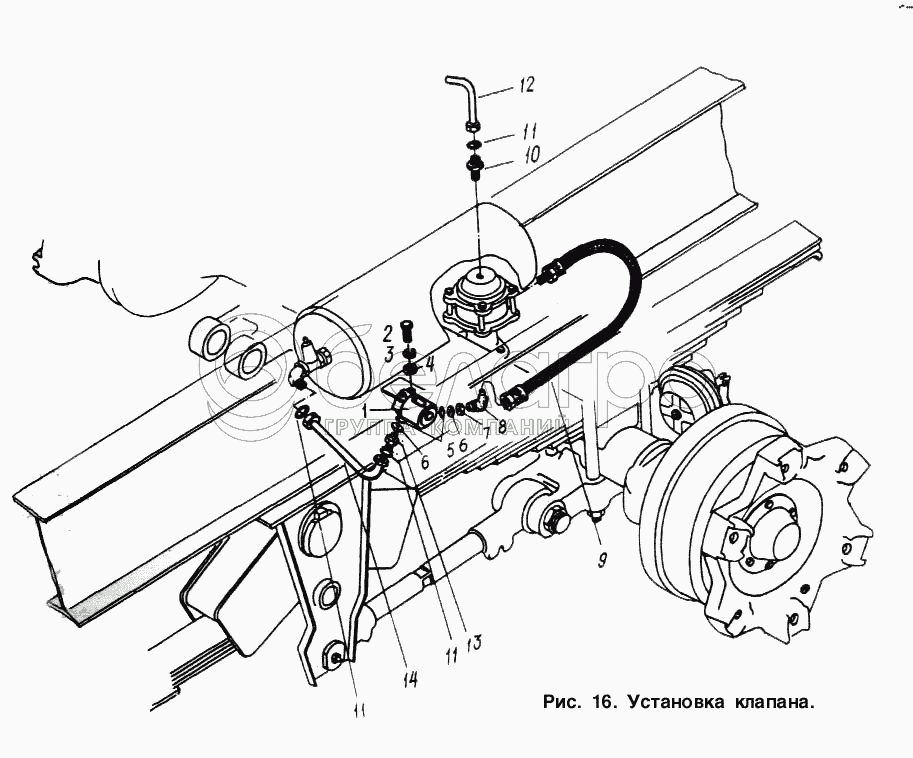
П30. 131.01.000ГЦ
Клапан
В узле: 1
2
200269
Болт М8-6gх50
В узле: 2
3
252135
Шайба 8Т
В узле: 2
4
250510
Гайка М8-6Н
В узле: 2
5
010-014-25-2-3
Кольцо
В узле: 2
6
375600
Шайба 10
В узле: 2
7
250513
Гайка М10х1-6Н
В узле: 1
8
402958
Угольник
В узле: 1
9
8925-3506290
Шланг
В узле: 1
10
379029
Ниппель
В узле: 1
11
008-011-19-2-3
Кольцо
В узле: 3
12
9398-3012061
Трубка
В узле: 1
13
401512
Штуцер
В узле: 1
14
9389-3012063
Трубка
В узле: 1
Содержащиеся в справочниках-каталогах запасные части и детали не предлагаются к продаже, а носят исключительно информационный характер

Ваша заявка была отправлена. В ближайшее время наши специалисты с Вами свяжутся по указанному Вами телефону.

Представьтесь
Поле обязательно для заполнения
Ваш телефон
Введите правильный номер телефона
E-mail
Введите правильный e-mail
Тема
Тема
применяемость финансирование доставка цена, наличие другое сервис и гарантия
Время для звонка
08:00
08:00 09:00 10:00 11:00 12:00 13:00 14:00 15:00 16:00 17:00 18:00 19:00
19:00
08:00 09:00 10:00 11:00 12:00 13:00 14:00 15:00 16:00 17:00 18:00 19:00

Мы постараемся перезвонить в указанное время

Если вы не хотите ждать, то звоните нашим вежливым консультантам:

8 800 100-2-700
Подтвердите, что вы не робот
Подтвердите, что вы не робот
Спасибо!

Ваше сообщение успешно отправлено!

ЗакрытьПовторить попытку