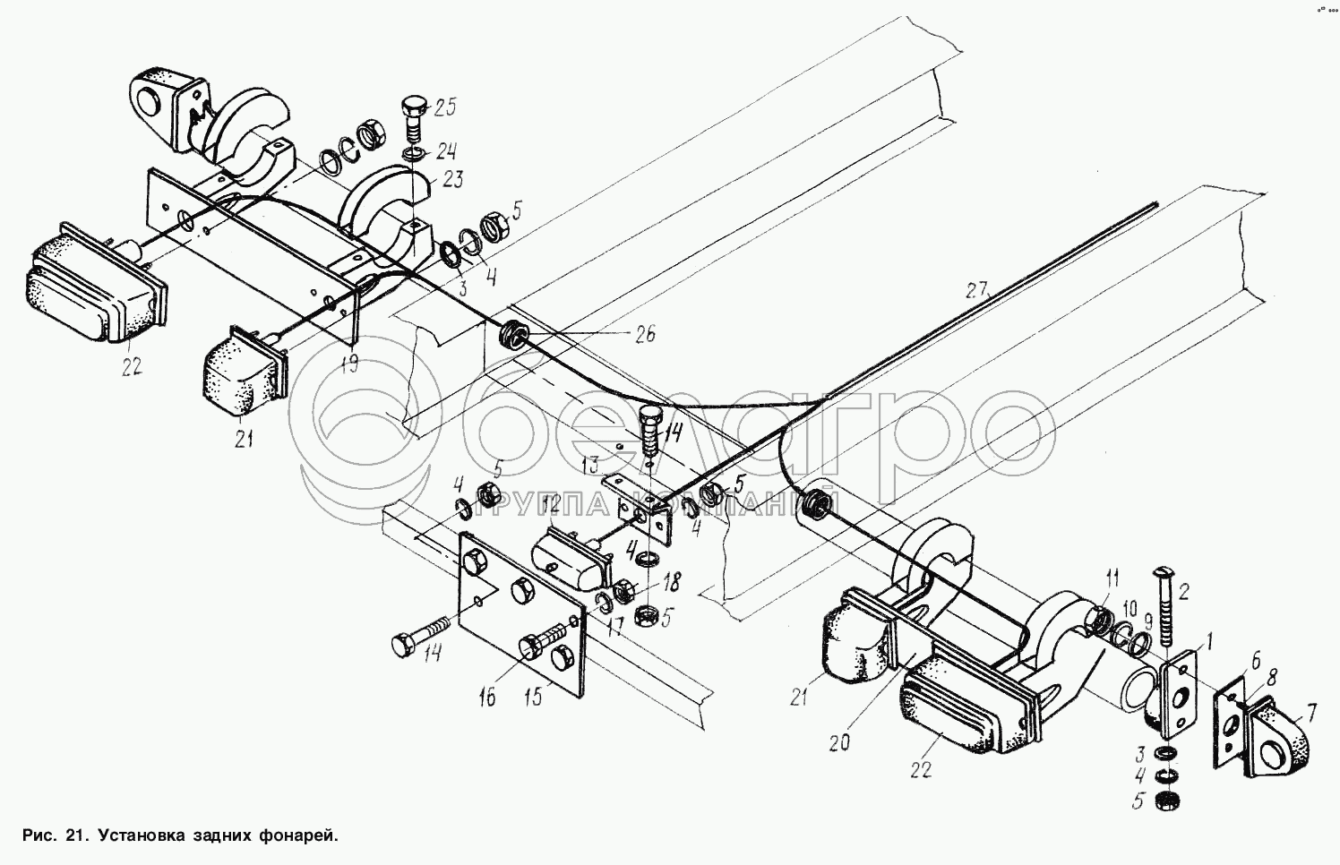
Каталог запасных частей к технике: МАЗ-9506. Установка задних фонарей

zoom-in zoom-out enlarge shrink circle-right circle-left file-text2 info cart arraw right arraw left zoom out zoom in arraw maximize arraw minimize
1
2
3
3
4
4
4
4
4
5
5
5
5
5
6
7
8
9
10
11
12
13
14
14
15
16
17
18
19
20
21
21
22
22
23
24
25
26
27
ФП132АБ-3716010-01
Фонарь задний
В узле: 2
СБИЕ.301126.01
Фонарь габаритный
В узле: 2
1
9506-3731046
Кронштейн
В узле: 2
2
210368
Болт М6-6gх70
В узле: 2
3
252004
Шайба 6
В узле: 17
4
252134
Шайба 6Т
В узле: 17
5
250508
Гайка М6-6Н
В узле: 17
6
64221-3731043
Прокладка
В узле: 2
7
25.3731010
Фонарь
В узле: 2
8
220084
Винт М5-6gх25
В узле: 4
9
252003
Шайба 5
В узле: 4
10
252133
Шайба 5Т
В узле: 4
11
256464
Гайка М5-6Н
В узле: 4
12
ФП131Б-3717010
Фонарь освещения номерного знака
В узле: 1
13
9506-3716048-10
Кронштейн
В узле: 1
14
201418
Болт М6-6gх16
В узле: 2
15
9506-3716034
Пластина
В узле: 1
16
201497
Болт М10-6gх25
В узле: 2
17
252156
Шайба 10Л
В узле: 2
18
250512
Гайка М10-6Н
В узле: 2
19
950-6-3716021
Кронштейн левый
В узле: 1
20
9506-3716020
Кронштейн правый
В узле: 1
21
ФП135-3716010Г
Фонарь заднего хода
В узле: 2
22
ФП132АБ-3716010
Фонарь задний
В узле: 2
23
64221-3716086
Прижим
В узле: 4
24
252135
Шайба 8Т
В узле: 8
25
201459
Болт М8-6gх25
В узле: 8
26
5336-3724027
Втулка
В узле: 2
27
9506-3724030
Жгут по лонжерону
В узле: 1
Содержащиеся в справочниках-каталогах запасные части и детали не предлагаются к продаже, а носят исключительно информационный характер

Ваша заявка была отправлена. В ближайшее время наши специалисты с Вами свяжутся по указанному Вами телефону.

Представьтесь
Поле обязательно для заполнения
Ваш телефон
Введите правильный номер телефона
E-mail
Введите правильный e-mail
Тема
Тема
применяемость финансирование доставка цена, наличие другое сервис и гарантия
Время для звонка
08:00
08:00 09:00 10:00 11:00 12:00 13:00 14:00 15:00 16:00 17:00 18:00 19:00
19:00
08:00 09:00 10:00 11:00 12:00 13:00 14:00 15:00 16:00 17:00 18:00 19:00

Мы постараемся перезвонить в указанное время

Если вы не хотите ждать, то звоните нашим вежливым консультантам:

8 800 100-2-700
Подтвердите, что вы не робот
Подтвердите, что вы не робот
Спасибо!

Ваше сообщение успешно отправлено!

ЗакрытьПовторить попытку