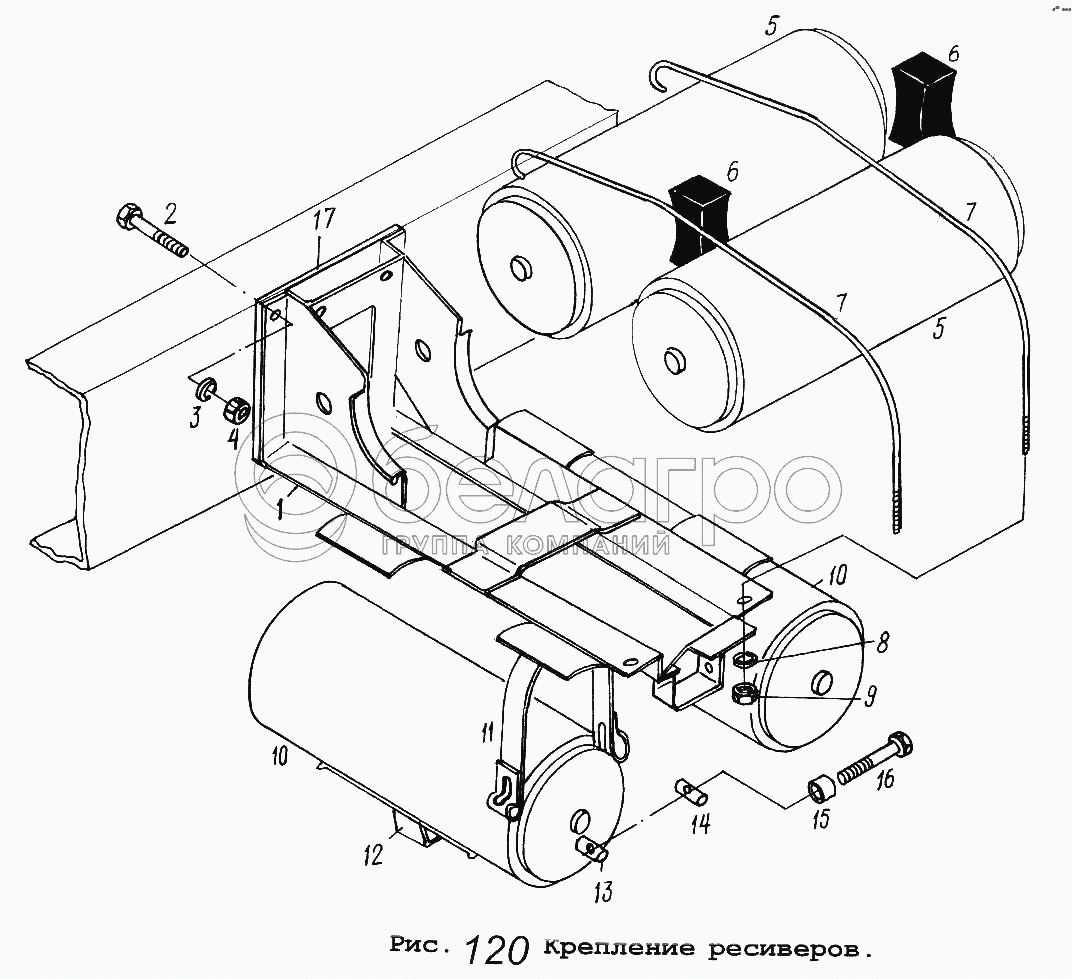
Каталог запасных частей к технике: МАЗ Общий (см. мод-ции). Крепление ресиверов

zoom-in zoom-out enlarge shrink circle-right circle-left file-text2 info cart arraw right arraw left zoom out zoom in arraw maximize arraw minimize
1
2
3
4
5
5
6
6
7
7
8
9
10
10
11
12
13
14
15
16
17
1
54341-3513078
Кронштейн
В узле: 1
2
201544
Болт М12-6gх40
В узле: 4
3
252137
Шайба 12.ОТ
В узле: 4
4
250514
Гайка М12-6Н
В узле: 4
5
6303-3513015-10
Ресивер
В узле: 2
6
5434-3513041
Прокладка
В узле: 2
7
5434-3513038
Хомут
В узле: 2
8
252135
Шайба 8Т
В узле: 2
9
250510
Гайка М8-6Н
В узле: 2
10
5336-3513015
Ресивер
В узле: 2
11
5434-3513039
Хомут
В узле: 4
12
5434-3513093
Коробка
В узле: 2
13
5434-3513060
Ось
В узле: 4
14
5434-3513062
Ось
В узле: 4
15
500-5001083
Втулка распорная
В узле: 8
16
370867
Болт М10-6gх90
В узле: 4
17
5516-3513035
Прокладка
В узле: 2
Содержащиеся в справочниках-каталогах запасные части и детали не предлагаются к продаже, а носят исключительно информационный характер

Ваша заявка была отправлена. В ближайшее время наши специалисты с Вами свяжутся по указанному Вами телефону.

Представьтесь
Поле обязательно для заполнения
Ваш телефон
Введите правильный номер телефона
E-mail
Введите правильный e-mail
Тема
Тема
применяемость финансирование доставка цена, наличие другое сервис и гарантия
Время для звонка
08:00
08:00 09:00 10:00 11:00 12:00 13:00 14:00 15:00 16:00 17:00 18:00 19:00
19:00
08:00 09:00 10:00 11:00 12:00 13:00 14:00 15:00 16:00 17:00 18:00 19:00

Мы постараемся перезвонить в указанное время

Если вы не хотите ждать, то звоните нашим вежливым консультантам:

8 800 100-2-700
Подтвердите, что вы не робот
Подтвердите, что вы не робот
Спасибо!

Ваше сообщение успешно отправлено!

ЗакрытьПовторить попытку