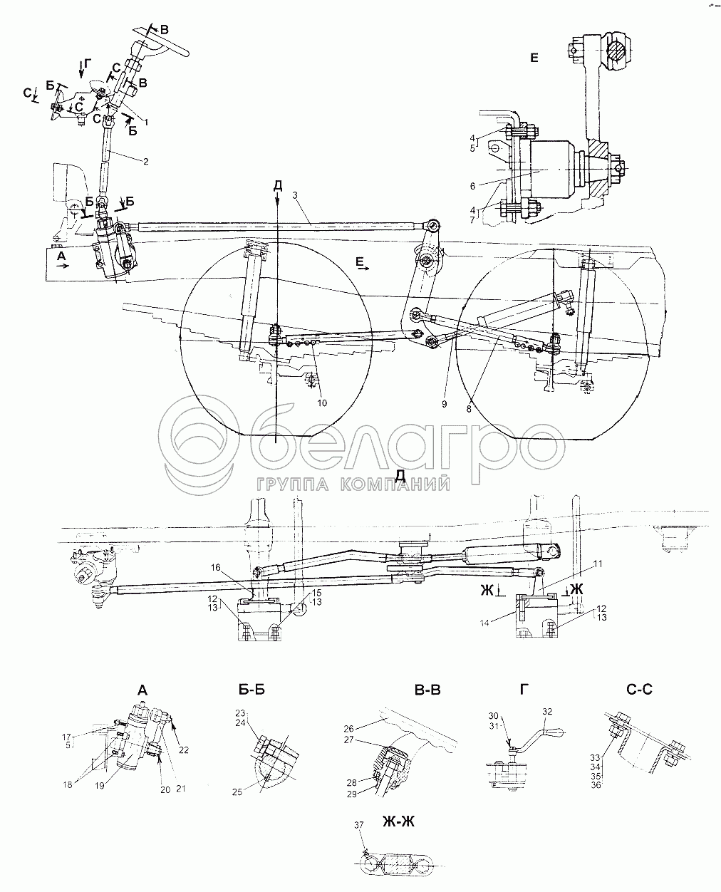
Каталог запасных частей к технике: МЗКТ-65151 "Волат". Установка рулевого управления

zoom-in zoom-out enlarge shrink circle-right circle-left file-text2 info cart arraw right arraw left zoom out zoom in arraw maximize arraw minimize
1
2
3
4
4
5
5
6
7
8
9
10
11
12
12
13
13
13
14
15
16
17
18
19
20
21
22
23
24
25
26
27
28
28
29
30
31
32
33
34
35
36
37
1
64221-3403008
Кронштейн с колонкой
В узле: 1
2
65151-3444050
Вал карданный
В узле: 1
3
65151-3414080
Тяга
В узле: 1
4
250691
Гайка М16х1,5-5Н6Н
В узле: 6
5
371343
Болт М16х1,5-6gх55
В узле: 3
6
69237-3414010-10
Кронштейн
В узле: 1
7
371345
Болт М16х1,5-6gх65
В узле: 2
8
69237-3414170-11
Тяга
В узле: 1
9
69237-3405005-11
Цилиндр
В узле: 1
10
69237-3414120-02
Тяга
В узле: 1
11
69237-3414046
Рычаг
В узле: 1
12
69237-3414149
Упор
В узле: 4
13
250563
Гайка М18х1,5-6Н
В узле: 6
14
372970
Болт 3М24х2-6gх80
В узле: 4
15
69237-3414148
Упор
В узле: 2
16
69237-3414047
Рычаг
В узле: 1
17
372653
Болт М16х1,5-6hх85
В узле: 1
18
371341-01
Болт М16х1,5-6gх45
В узле: 3
19
64229-3400010-30
Рулевой механизм
В узле: 1
20
258073
Шплинт 5х60
В узле: 1
21
69237-3401090-10
Сошка
В узле: 1
22
258069
Шплинт 5х36
В узле: 8
23
200315
Болт М10-6gх40
В узле: 2
24
252136
Шайба 10 ОТ
В узле: 2
25
378057
Шпонка 5х7,5
В узле: 2
26
64227-3402015
Рулевое колесо
В узле: 1
27
64227-3402061
Крышка
В узле: 1
28
220077
Винт М5-6gх10
В узле: 2
28
233037
Винт 2М5-6gx10
В узле: 2
29
64221-3709219
Втулка
В узле: 1
30
220104
Винт М6-6gх14
В узле: 1
31
252154
Шайба 6Л
В узле: 1
32
64221-3403090
Ручка
В узле: 1
33
0000-1015908
Болт М8-6gх20
В узле: 4
34
250510
Гайка М8х1-6Н
В узле: 4
35
252005
Шайба 8
В узле: 4
36
252135
Шайба 8Т
В узле: 4
37
258390
Шплинт 1,5х400
В узле: 2
Содержащиеся в справочниках-каталогах запасные части и детали не предлагаются к продаже, а носят исключительно информационный характер

Ваша заявка была отправлена. В ближайшее время наши специалисты с Вами свяжутся по указанному Вами телефону.

Представьтесь
Поле обязательно для заполнения
Ваш телефон
Введите правильный номер телефона
E-mail
Введите правильный e-mail
Тема
Тема
применяемость финансирование доставка цена, наличие другое сервис и гарантия
Время для звонка
08:00
08:00 09:00 10:00 11:00 12:00 13:00 14:00 15:00 16:00 17:00 18:00 19:00
19:00
08:00 09:00 10:00 11:00 12:00 13:00 14:00 15:00 16:00 17:00 18:00 19:00

Мы постараемся перезвонить в указанное время

Если вы не хотите ждать, то звоните нашим вежливым консультантам:

8 800 100-2-700
Подтвердите, что вы не робот
Подтвердите, что вы не робот
Спасибо!

Ваше сообщение успешно отправлено!

ЗакрытьПовторить попытку