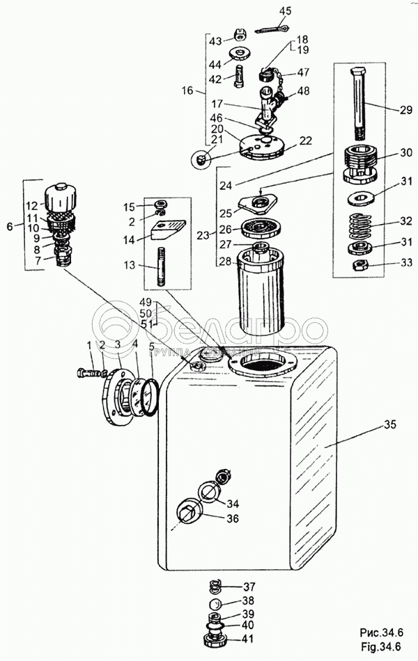
Каталог запасных частей к технике: МЗКТ-65158. Бак масляный 6923-3410010-10

zoom-in zoom-out enlarge shrink circle-right circle-left file-text2 info cart arraw right arraw left zoom out zoom in arraw maximize arraw minimize
1
2
3
4
5
6
7
8
9
10
11
12
13
14
15
16
17
18
19
20
21
22
23
24
25
26
27
28
29
30
31
32
33
34
35
36
37
38
39
40
41
42
43
44
45
46
47
48
49
50
51
7413-1909080
Горловина заливная
В узле: 1
1
201456
Болт М8-6gх20
В узле: 3
2
252135
Шайба 8Т
В узле: 5
3
7410-2024056
Фланец
В узле: 1
4
7410-2024055
Стекло смотровое
В узле: 1
5
7410-2024053
Кольцо уплотнительное
В узле: 1
6
7413-1711560
Сапун
В узле: 1
7
7413-1711562
Переходник
В узле: 1
8
252136
Шайба 10 ОТ
В узле: 1
9
252006
Шайба 10
В узле: 1
10
543В-1101710
Решетка суфлера
В узле: 2
11
543-1018323-Б
Фильтрующий элемент
В узле: 1
12
7413-1711564
Корпус
В узле: 1
13
373220
Шпилька М8х25
В узле: 2
14
7413-1909052
Упор
В узле: 2
15
250510
Гайка М8х1-6Н
В узле: 2
16
7930-1910028
Крышка
В узле: 1
17
7413-1909082
Трубопровод
В узле: 1
18
7413-1909094
Крышка
В узле: 1
19
7413-1909098
Прокладка
В узле: 1
20
7930-1910026
Крышка
В узле: 1
21
262542
Пробка КГ 1/4"
В узле: 2
22
0000-1918814
Кольцо 150-155-36-2-2
В узле: 1
23
7413-1909024
Фильтр с клапаном
В узле: 1
24
7413-1909100
Клапан
В узле: 1
25
7413-1909070
Крышка
В узле: 1
26
543-1716102-Б
Секция фильтра тонкой очистки
В узле: 25
27
7413-1909028
Втулка
В узле: 1
28
7413-1909034
Фильтр
В узле: 1
29
370742
Болт М8-6gх80
В узле: 1
30
7413-1909102
Корпус клапана
В узле: 1
31
7413-1909104
Клапан
В узле: 2
32
535А-1517146
Пружина клапана
В узле: 1
33
251645
Гайка М8-6Н
В узле: 1
34
543-1116056
Прокладка
В узле: 2
35
7930-3410016
Корпус бака с фланцами
В узле: 1
36
378653
Пробка М45х2-6g
В узле: 2
37
543-1718366
Пружина сливного клапана
В узле: 1
38
0000-3410201
Шарик 26,988-100
В узле: 1
39
543-1718370
Седло сливного клапана
В узле: 1
40
0000-3515839
Кольцо У-35х30-2
В узле: 1
41
547В-1101348-01
Пробка сливная
В узле: 1
42
205421
Болт 2М8х1-6hх28
В узле: 4
43
374240
Гайка М8х1-5Н6Н
В узле: 4
44
375458
Шайба 8
В узле: 4
45
258013
Шплинт 2х16
В узле: 4
46
0000-1716759
Кольцо 039-045-36-2-2
В узле: 1
47
200-1103080
Цепочка
В узле: 1
48
7413-1909096
Звено концевое
В узле: 2
49
543-3806026
Прокладка
В узле: 1
50
220077
Винт М5-6gх10
В узле: 5
51
252003
Шайба 5
В узле: 5
Содержащиеся в справочниках-каталогах запасные части и детали не предлагаются к продаже, а носят исключительно информационный характер

Ваша заявка была отправлена. В ближайшее время наши специалисты с Вами свяжутся по указанному Вами телефону.

Представьтесь
Поле обязательно для заполнения
Ваш телефон
Введите правильный номер телефона
E-mail
Введите правильный e-mail
Тема
Тема
применяемость финансирование доставка цена, наличие другое сервис и гарантия
Время для звонка
08:00
08:00 09:00 10:00 11:00 12:00 13:00 14:00 15:00 16:00 17:00 18:00 19:00
19:00
08:00 09:00 10:00 11:00 12:00 13:00 14:00 15:00 16:00 17:00 18:00 19:00

Мы постараемся перезвонить в указанное время

Если вы не хотите ждать, то звоните нашим вежливым консультантам:

8 800 100-2-700
Подтвердите, что вы не робот
Подтвердите, что вы не робот
Спасибо!

Ваше сообщение успешно отправлено!

ЗакрытьПовторить попытку