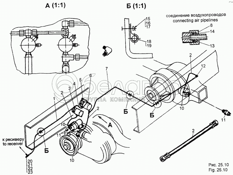
Каталог запасных частей к технике: МЗКТ-65158. Привод управления блокировкой межосевых дифференциалов

zoom-in zoom-out enlarge shrink circle-right circle-left file-text2 info cart arraw right arraw left zoom out zoom in arraw maximize arraw minimize
1
2
3
4
5
6
7
8
10
11
12
13
14
15
16
17
18
19
20
21
22
23
69237-2511005
Привод управления дифференциалом ведущего моста
В узле: 1
6515-2511005
Привод управления блокировкой
В узле: 1
1
69237-2511022
Воздухопровод
В узле: 1
2
6923-3506114
Шланг
В узле: 3
3
379594
Тройник ввертный
В узле: 1
4
69237-2511026
Воздухопровод
В узле: 1
5
379053
Угольник
В узле: 1
6
7917-1723010
Клапан электромагнитный
В узле: 2
7
69237-2511028
Воздухопровод
В узле: 1
8
405641
Гайка накидная 10
В узле: 7
9
401461
Тройник
В узле: 2
10
379650
Угольник
В узле: 3
11
ММ125Д-3810000
Включатель пневматического сигнала торможения
В узле: 3
12
200-3506078-Б
Ниппель
В узле: 1
13
0000-3506717
Кольцо 008-011-19-2-2
В узле: 7
14
379254
Муфта 10
В узле: 7
15
201422
Болт М6-6gх25
В узле: 7
16
250508
Гайка М6-6Н
В узле: 3
17
252134
Шайба 6Т
В узле: 7
18
547А-3724870
Втулка
В узле: 3
19
315403
Кляммер
В узле: 3
20
0000-3515733
Кольцо 020-025-30-2-2
В узле: 1
21
374939
Гайка М22х1,5-6Н
В узле: 1
22
376145
Шайба 22
В узле: 1
23
403033
Тройник
В узле: 1
24
379072
Угольник
В узле: 2
Содержащиеся в справочниках-каталогах запасные части и детали не предлагаются к продаже, а носят исключительно информационный характер

Ваша заявка была отправлена. В ближайшее время наши специалисты с Вами свяжутся по указанному Вами телефону.

Представьтесь
Поле обязательно для заполнения
Ваш телефон
Введите правильный номер телефона
E-mail
Введите правильный e-mail
Тема
Тема
применяемость финансирование доставка цена, наличие другое сервис и гарантия
Время для звонка
08:00
08:00 09:00 10:00 11:00 12:00 13:00 14:00 15:00 16:00 17:00 18:00 19:00
19:00
08:00 09:00 10:00 11:00 12:00 13:00 14:00 15:00 16:00 17:00 18:00 19:00

Мы постараемся перезвонить в указанное время

Если вы не хотите ждать, то звоните нашим вежливым консультантам:

8 800 100-2-700
Подтвердите, что вы не робот
Подтвердите, что вы не робот
Спасибо!

Ваше сообщение успешно отправлено!

ЗакрытьПовторить попытку