Каталог запасных частей к технике: МЗКТ-65158. Привод управления подачей топлива

zoom-in zoom-out enlarge shrink circle-right circle-left file-text2 info cart arraw right arraw left zoom out zoom in arraw maximize arraw minimize
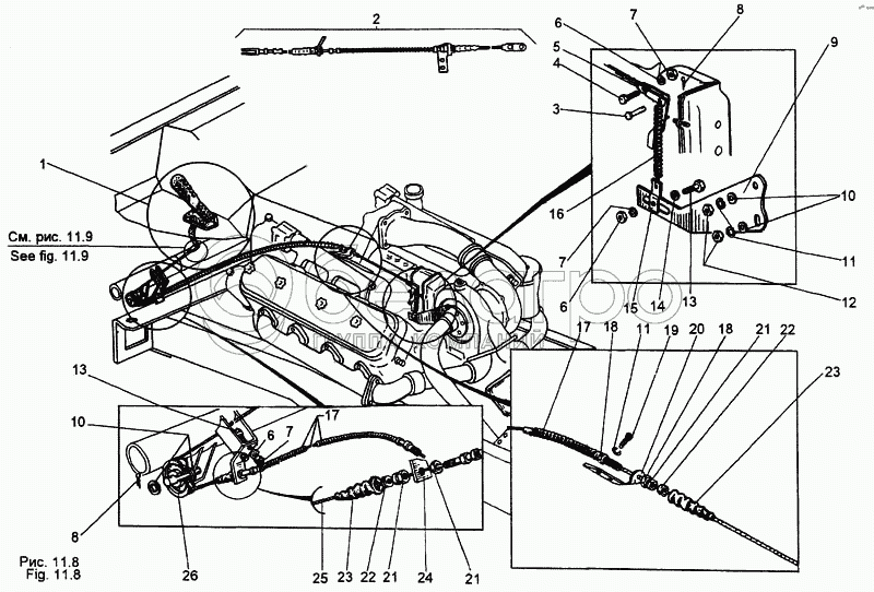
1
2
3
4
5
6
6
7
7
8
9
10
11
12
13
14
15
16
17
18
19
20
21
22
23
24
25
26
64221-1108008-10
Педаль с втулкой и рычагом
В узле: 1
1
64221-1108005-10
Педаль с кронштейном
В узле: 1
2
65158-1108292
Привод гибкий
В узле: 1
3
260035
Палец 8х28
В узле: 1
4
201454
Болт М8-6gх16
В узле: 1
5
79092-1108588
Пластина
В узле: 2
6
252155
Шайба 8Л
В узле: 4
6
252155
Шайба 8Л
В узле: 4
7
250510
Гайка М8х1-6Н
В узле: 4
7
250510
Гайка М8х1-6Н
В узле: 4
8
258039
Шплинт 3,2х20
В узле: 3
9
65158-1108128
Кронштейн
В узле: 1
10
252006
Шайба 10
В узле: 4
11
252156
Шайба 10Л
В узле: 4
12
250512
Гайка М10-6Н
В узле: 2
13
201456
Болт М8-6gх20
В узле: 3
14
252005
Шайба 8
В узле: 1
15
5336-1108045
Держатель пружины
В узле: 1
16
500-5001146
Пружина-ограничитель
В узле: 1
17
65158-1108589
Оболочка с наконечником
В узле: 1
18
250615
Гайка М12х1,25-6Н
В узле: 2
19
201493
Болт М10-6gх16
В узле: 2
20
5336-1108626-10
Кронштейн
В узле: 1
21
374537
Гайка М12х1,25-6Н
В узле: 2
22
5335-1108581-01
Втулка
В узле: 2
23
6422-3508097
Чехол
В узле: 2
24
6923-1108614
Кронштейн
В узле: 1
25
65158-1108596
Трос с наконечником
В узле: 1
26
79092-1108357
Ролик
В узле: 1
Содержащиеся в справочниках-каталогах запасные части и детали не предлагаются к продаже, а носят исключительно информационный характер

Ваша заявка была отправлена. В ближайшее время наши специалисты с Вами свяжутся по указанному Вами телефону.

Представьтесь
Поле обязательно для заполнения
Ваш телефон
Введите правильный номер телефона
E-mail
Введите правильный e-mail
Тема
Тема
применяемость финансирование доставка цена, наличие другое сервис и гарантия
Время для звонка
08:00
08:00 09:00 10:00 11:00 12:00 13:00 14:00 15:00 16:00 17:00 18:00 19:00
19:00
08:00 09:00 10:00 11:00 12:00 13:00 14:00 15:00 16:00 17:00 18:00 19:00

Мы постараемся перезвонить в указанное время

Если вы не хотите ждать, то звоните нашим вежливым консультантам:

8 800 100-2-700
Подтвердите, что вы не робот
Подтвердите, что вы не робот
Спасибо!

Ваше сообщение успешно отправлено!

ЗакрытьПовторить попытку