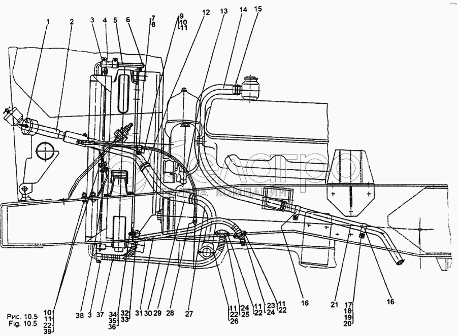
Каталог запасных частей к технике: МЗКТ-65158. Установка агрегатов системы смазки

zoom-in zoom-out enlarge shrink circle-right circle-left file-text2 info cart arraw right arraw left zoom out zoom in arraw maximize arraw minimize
1
2
3
4
5
6
7
8
9
9
10
10
11
11
12
13
14
15
16
17
18
19
20
21
22
23
24
25
26
27
28
29
30
31
32
33
34
35
36
37
37
38
39
0000-8101068
Кран ВС-11
В узле: 1
1
543-1018270
Пробка заливной горловины
В узле: 1
2
65158-1018078
Труба маслоналивная
В узле: 1
3
500-1303160
Хомутик
В узле: 8
4
543М-1018298
Шланг соединительный
В узле: 2
5
65158-1013296
Труба соединительная
В узле: 1
6
315404
Кляммер
В узле: 2
7
500-1104540
Втулка
В узле: 1
8
315407
Кляммер
В узле: 1
9
201456
Болт М8-6gх20
В узле: 1
9
201456
Болт М8-6gх20
В узле: 1
10
250510
Гайка М8х1-6Н
В узле: 1
10
250510
Гайка М8х1-6Н
В узле: 5
11
252135
Шайба 8Т
В узле: 11
11
252135
Шайба 8Т
В узле: 1
12
64229-1303514
Хомут
В узле: 2
13
5336-1018078
Указатель уровня масла
В узле: 1
14
7911-1303210-01
Труба расширительного бачка
В узле: 1
15
64229-1303506
Хомут
В узле: 2
16
401874
Кляммер
В узле: 2
17
210410
Болт М10-6gх50
В узле: 2
18
250512
Гайка М10-6Н
В узле: 2
19
252136
Шайба 10 ОТ
В узле: 2
20
65158-1018156
Втулка
В узле: 2
21
65158-1018288
Труба суфлирующая
В узле: 1
22
201458
Болт М8-6gх25
В узле: 10
23
65158-1013116
Фланец с краном
В узле: 1
24
65158-1013172
Прокладка
В узле: 2
25
65158-1013114
Фланец с патрубком
В узле: 1
26
65158-1018166
Прокладка
В узле: 1
27
65158-1018168
Труба подводящая
В узле: 1
28
312326
Прокладка 14х19х1,5
В узле: 1
29
6422-1018062-10
Рукав
В узле: 1
30
65158-1013294
Рукав Ф16
В узле: 1
31
65158-1013293
Рукав Ф16
В узле: 1
32
379202
Кляммер
В узле: 1
33
543-3506222
Прокладка резиновая
В узле: 1
34
201418
Болт М6-6gх16
В узле: 1
35
250508
Гайка М6-6Н
В узле: 1
36
252134
Шайба 6Т
В узле: 1
37
504В-1013045
Пружина
В узле: 2
37
504В-1013045
Пружина
В узле: 4
38
65158-1018094
Кронштейн
В узле: 1
39
252038
Шайба 8
В узле: 4
40
65158-1013192-10
Кронштейн
В узле: 1
41
543-3506013
Прокладка 12М3
В узле: 1
45
742952-8101270
Рукав
В узле: 2
46
65158-1013130
Труба
В узле: 1
47
65158-1013134-10
Труба
В узле: 1
48
543-3506226-А
Прокладка резиновая Д4101.545
В узле: 1
Содержащиеся в справочниках-каталогах запасные части и детали не предлагаются к продаже, а носят исключительно информационный характер

Ваша заявка была отправлена. В ближайшее время наши специалисты с Вами свяжутся по указанному Вами телефону.

Представьтесь
Поле обязательно для заполнения
Ваш телефон
Введите правильный номер телефона
E-mail
Введите правильный e-mail
Тема
Тема
применяемость финансирование доставка цена, наличие другое сервис и гарантия
Время для звонка
08:00
08:00 09:00 10:00 11:00 12:00 13:00 14:00 15:00 16:00 17:00 18:00 19:00
19:00
08:00 09:00 10:00 11:00 12:00 13:00 14:00 15:00 16:00 17:00 18:00 19:00

Мы постараемся перезвонить в указанное время

Если вы не хотите ждать, то звоните нашим вежливым консультантам:

8 800 100-2-700
Подтвердите, что вы не робот
Подтвердите, что вы не робот
Спасибо!

Ваше сообщение успешно отправлено!

ЗакрытьПовторить попытку