Каталог запасных частей к технике: МЗКТ-65158. Установка бака

zoom-in zoom-out enlarge shrink circle-right circle-left file-text2 info cart arraw right arraw left zoom out zoom in arraw maximize arraw minimize
1
2
3
4
5
6
7
8
9
10
11
12
13
14
15
16
17
18
19
20
21
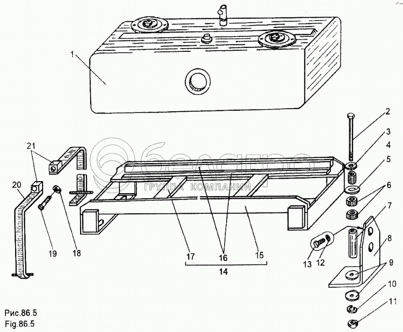
1
6515-8608010
Бак
В узле: 1
2
201554
Болт М12-6hх80
В узле: 4
3
252007
Шайба 12
В узле: 4
4
6515-8608085
Труба
В узле: 4
5
375965
Шайба 16
В узле: 4
6
543-1302105
Подушка
В узле: 8
7
6515-8608087
Труба
В узле: 4
8
6515-8608050-10
Кронштейн
В узле: 4
9
252045
Шайба 12
В узле: 8
10
252157
Шайба 12Л
В узле: 4
11
250514
Гайка М12-6Н
В узле: 4
12
252136
Шайба 10 ОТ
В узле: 8
13
201497
Болт М10-6gх25
В узле: 8
14
6515-8608120
Основание с прокладками
В узле: 1
15
6515-8608125
Основание
В узле: 1
16
6515-8608078
Прокладка
В узле: 4
17
6515-8608074
Прокладка
В узле: 2
18
250515
Гайка М12х1,25-6Н
В узле: 4
19
371799
Болт М12х1,25-6gх160
В узле: 2
20
6515-8608074
Прокладка
В узле: 4
21
6515-8608060
Хомут
В узле: 4
Содержащиеся в справочниках-каталогах запасные части и детали не предлагаются к продаже, а носят исключительно информационный характер

Ваша заявка была отправлена. В ближайшее время наши специалисты с Вами свяжутся по указанному Вами телефону.

Представьтесь
Поле обязательно для заполнения
Ваш телефон
Введите правильный номер телефона
E-mail
Введите правильный e-mail
Тема
Тема
применяемость финансирование доставка цена, наличие другое сервис и гарантия
Время для звонка
08:00
08:00 09:00 10:00 11:00 12:00 13:00 14:00 15:00 16:00 17:00 18:00 19:00
19:00
08:00 09:00 10:00 11:00 12:00 13:00 14:00 15:00 16:00 17:00 18:00 19:00

Мы постараемся перезвонить в указанное время

Если вы не хотите ждать, то звоните нашим вежливым консультантам:

8 800 100-2-700
Подтвердите, что вы не робот
Подтвердите, что вы не робот
Спасибо!

Ваше сообщение успешно отправлено!

ЗакрытьПовторить попытку