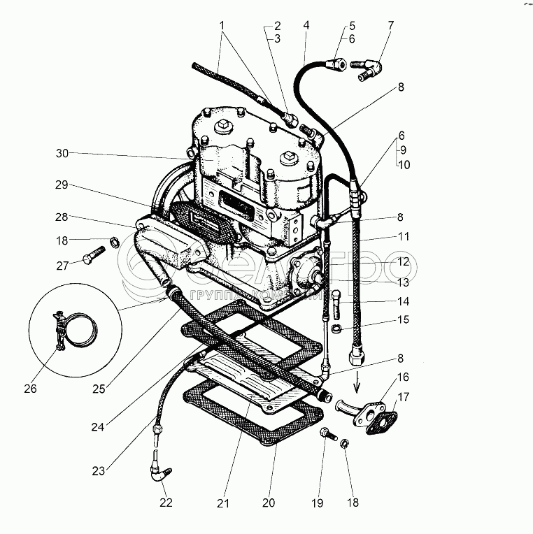
Каталог запасных частей к технике: МЗКТ-65158. Установка компрессора

zoom-in zoom-out enlarge shrink circle-right circle-left file-text2 info cart arraw right arraw left zoom out zoom in arraw maximize arraw minimize
1
2
3
4
5
6
6
7
8
8
8
9
10
11
12
13
14
15
16
17
18
18
19
20
21
22
23
24
25
26
27
28
29
30
250508
Гайка М6-6Н
В узле: 1
201422
Болт М6-6gх25
В узле: 1
252134
Шайба 6Т
В узле: 1
262541
Пробка КГ 1/8"
В узле: 1
315409
Кляммер
В узле: 1
1
5336-1304030
Трубка
В узле: 2
2
314802
Муфта конусная 10
В узле: 2
3
405641
Гайка накидная 10
В узле: 2
4
692378-3506048
Трубопровод L=2800 мм
В узле: 1
5
379276
Муфта конусная 15
В узле: 1
6
405674
Гайка накидная 1-15
В узле: 2
7
379652
Угольник
В узле: 1
8
379051
Угольник
В узле: 2
8
379051
Угольник
В узле: 2
9
0000-1602722
Кольцо 012-016-25-2-2
В узле: 1
10
379256
Муфта 15
В узле: 1
11
7930-3506630
Шланг
В узле: 1
12
5336-3509278
Трубка со шлангом
В узле: 1
13
379737
Угольник
В узле: 1
14
201499
Болт М10-6gх30
В узле: 4
15
252136
Шайба 10 ОТ
В узле: 4
16
6923-3509230
Патрубок
В узле: 1
17
5336-3509238
Прокладка патрубка
В узле: 1
18
252135
Шайба 8Т
В узле: 4
19
201456
Болт М8-6gх20
В узле: 2
20
236-1002284
Прокладка крышки
В узле: 1
21
500-3509105
Крышка
В узле: 1
22
402766
Угольник
В узле: 1
23
500-3509260-20
Трубка
В узле: 1
24
130-3509103-Б
Прокладка крышки
В узле: 1
25
504В-3509247
Шланг всасывающий
В узле: 1
26
379936
Хомут 26
В узле: 2
27
201454
Болт М8-6gх16
В узле: 2
28
500-3509248
Патрубок
В узле: 1
29
130-3509240
Прокладка патрубка
В узле: 1
30
16-3509012
Компрессор
В узле: 1
Содержащиеся в справочниках-каталогах запасные части и детали не предлагаются к продаже, а носят исключительно информационный характер

Ваша заявка была отправлена. В ближайшее время наши специалисты с Вами свяжутся по указанному Вами телефону.

Представьтесь
Поле обязательно для заполнения
Ваш телефон
Введите правильный номер телефона
E-mail
Введите правильный e-mail
Тема
Тема
применяемость финансирование доставка цена, наличие другое сервис и гарантия
Время для звонка
08:00
08:00 09:00 10:00 11:00 12:00 13:00 14:00 15:00 16:00 17:00 18:00 19:00
19:00
08:00 09:00 10:00 11:00 12:00 13:00 14:00 15:00 16:00 17:00 18:00 19:00

Мы постараемся перезвонить в указанное время

Если вы не хотите ждать, то звоните нашим вежливым консультантам:

8 800 100-2-700
Подтвердите, что вы не робот
Подтвердите, что вы не робот
Спасибо!

Ваше сообщение успешно отправлено!

ЗакрытьПовторить попытку