Каталог запасных частей к технике: МЗКТ-65158. Установка контейнера и аккумуляторных батарей

zoom-in zoom-out enlarge shrink circle-right circle-left file-text2 info cart arraw right arraw left zoom out zoom in arraw maximize arraw minimize
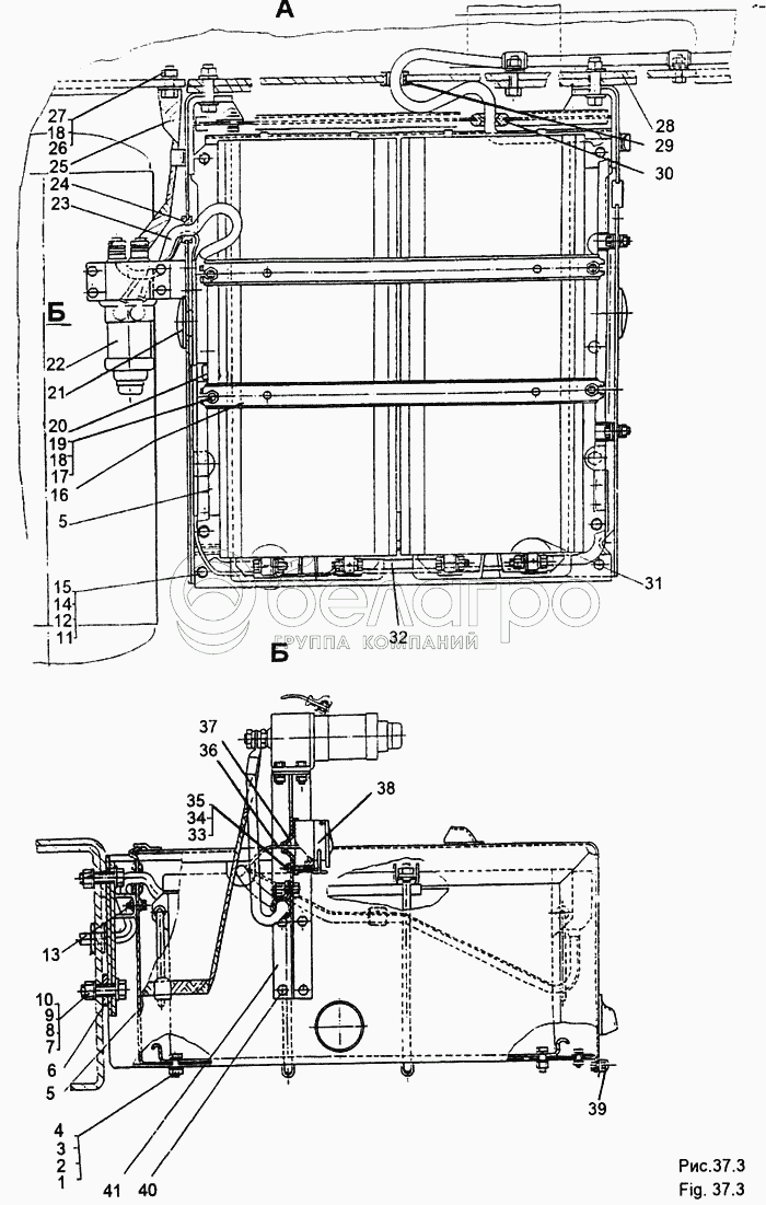
1
2
3
4
5
6
7
8
9
9
10
11
12
13
14
15
16
17
18
18
19
21
22
24
25
26
27
28
29
30
31
33
34
35
36
37
38
40
41
543-3724074-10
Рукав Ф22
В узле: 1
7909-3754076
Колпачок
В узле: 1
69237-3700008
Установка аккумуляторных батарей
В узле: 1
1
252005
Шайба 8
В узле: 6
2
252135
Шайба 8Т
В узле: 6
3
250510
Гайка М8х1-6Н
В узле: 4
4
201456
Болт М8-6gх20
В узле: 4
5
8007-3748002
Аккумуляторный контейнер
В узле: 1
6
376197
Шайба 20
В узле: 2
7
547А-3724057-11
Перемычка малая
В узле: 1
8
252016
Шайба 14
В узле: 4
9
69237-3724062
Провод массы
В узле: 1
9
250558
Гайка М14-6Н
В узле: 4
10
252138
Шайба 14 ОТ
В узле: 4
11
252134
Шайба 6Т
В узле: 22
12
252037
Шайба 6
В узле: 4
13
201418
Болт М6-6gх16
В узле: 4
14
250508
Гайка М6-6Н
В узле: 16
15
201420
Болт М6-6gх20
В узле: 8
16
8007-3748116
Рамка
В узле: 1
17
252006
Шайба 10
В узле: 4
18
201593
Болт М14-6gх50
В узле: 4
18
250512
Гайка М10-6Н
В узле: 9
19
8007-3748084
Стяжка
В узле: 4
21
8007-3748086
Заглушка
В узле: 1
22
ВК860Б-3737000
Выключатель «массы» ВК860Б
В узле: 1
24
5336-3724068
Втулка
В узле: 1
25
7413-3724084
Провод массы
В узле: 1
26
252136
Шайба 10 ОТ
В узле: 1
27
201497
Болт М10-6gх25
В узле: 1
28
69237-3724056
Провод стартера
В узле: 1
29
547А-3506046
Втулка
В узле: 1
30
500-3724065
Втулка
В узле: 1
31
547А-3703010
Батарея заряженная
В узле: 2
33
252133
Шайба 5Т
В узле: 3
34
250464
Гайка М5-6Н
В узле: 3
35
231590
Винт 2.М5-6gх40
В узле: 3
36
79092-3724039-10
Жгут проводов розетки
В узле: 1
37
500А-3724152
Чехол защитный
В узле: 1
38
ПС400-3723100
Розетка переносной лампы ПС400
В узле: 1
40
201416
Болт М6-6gх12
В узле: 4
41
69237-3737040
Кронштейн
В узле: 1
Содержащиеся в справочниках-каталогах запасные части и детали не предлагаются к продаже, а носят исключительно информационный характер

Ваша заявка была отправлена. В ближайшее время наши специалисты с Вами свяжутся по указанному Вами телефону.

Представьтесь
Поле обязательно для заполнения
Ваш телефон
Введите правильный номер телефона
E-mail
Введите правильный e-mail
Тема
Тема
применяемость финансирование доставка цена, наличие другое сервис и гарантия
Время для звонка
08:00
08:00 09:00 10:00 11:00 12:00 13:00 14:00 15:00 16:00 17:00 18:00 19:00
19:00
08:00 09:00 10:00 11:00 12:00 13:00 14:00 15:00 16:00 17:00 18:00 19:00

Мы постараемся перезвонить в указанное время

Если вы не хотите ждать, то звоните нашим вежливым консультантам:

8 800 100-2-700
Подтвердите, что вы не робот
Подтвердите, что вы не робот
Спасибо!

Ваше сообщение успешно отправлено!

ЗакрытьПовторить попытку