Каталог запасных частей к технике: МЗКТ-65158. Установка радиатора

zoom-in zoom-out enlarge shrink circle-right circle-left file-text2 info cart arraw right arraw left zoom out zoom in arraw maximize arraw minimize
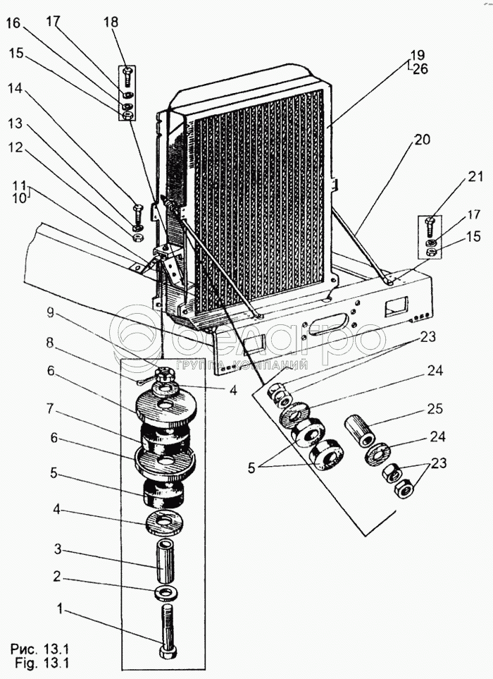
1
2
3
4
5
6
7
8
9
10
11
12
13
14
15
16
17
18
19
20
21
23
24
25
26
692378-1300020
Установка бачка расширительного
В узле: 1
692378-1300032
Установка клапана редукционного
В узле: 1
692378-1300024
Установка привода шторки
В узле: 1
692378-1300005
Установка радиатора
В узле: 1
692378-1300010
Установка трубопроводов системы охлаждения дв.
В узле: 1
692378-1300000
Система охлаждения двигателя
В узле: 1
1
205157
Болт 2М12х1,25-6gх70
В узле: 2
2
252045-10
Шайба 12
В узле: 4
3
500-1302124
Втулка распорная
В узле: 2
4
252018
Шайба 18
В узле: 2
5
547А-3723402
Подушка
В узле: 6
6
204-1302062
Чашка
В узле: 4
7
204-1302060
Подушка
В узле: 2
8
258040
Шплинт 3,2х25
В узле: 2
9
250977
Гайка М12х1,25-5Н6Н
В узле: 2
10
692378-1302552
Кронштейн правый
В узле: 1
11
692378-1302553
Кронштейн левый
В узле: 1
12
250559
Гайка М14х1,5-6Н
В узле: 1
13
252138
Шайба 14 ОТ
В узле: 1
14
372540
Болт М14х1,5-6gх65
В узле: 1
15
250512
Гайка М10-6Н
В узле: 5
16
69237-1302066
Пластина регулировочная
В узле: 10
17
252136
Шайба 10 ОТ
В узле: 5
18
201501
Болт М10-6gх60
В узле: 3
19
692378-1301008
Радиатор в состоянии установки
В узле: 1
20
692378-1302112
Тяга
В узле: 2
21
201499
Болт М10-6gх30
В узле: 2
23
250615
Гайка М12х1,25-6Н
В узле: 8
24
5335-1302063
Чашка малая
В узле: 4
25
500-1302138
Втулка распорная
В узле: 2
26
692378-1301008-10
Радиатор в состоянии установки
В узле: 1
Содержащиеся в справочниках-каталогах запасные части и детали не предлагаются к продаже, а носят исключительно информационный характер

Ваша заявка была отправлена. В ближайшее время наши специалисты с Вами свяжутся по указанному Вами телефону.

Представьтесь
Поле обязательно для заполнения
Ваш телефон
Введите правильный номер телефона
E-mail
Введите правильный e-mail
Тема
Тема
применяемость финансирование доставка цена, наличие другое сервис и гарантия
Время для звонка
08:00
08:00 09:00 10:00 11:00 12:00 13:00 14:00 15:00 16:00 17:00 18:00 19:00
19:00
08:00 09:00 10:00 11:00 12:00 13:00 14:00 15:00 16:00 17:00 18:00 19:00

Мы постараемся перезвонить в указанное время

Если вы не хотите ждать, то звоните нашим вежливым консультантам:

8 800 100-2-700
Подтвердите, что вы не робот
Подтвердите, что вы не робот
Спасибо!

Ваше сообщение успешно отправлено!

ЗакрытьПовторить попытку