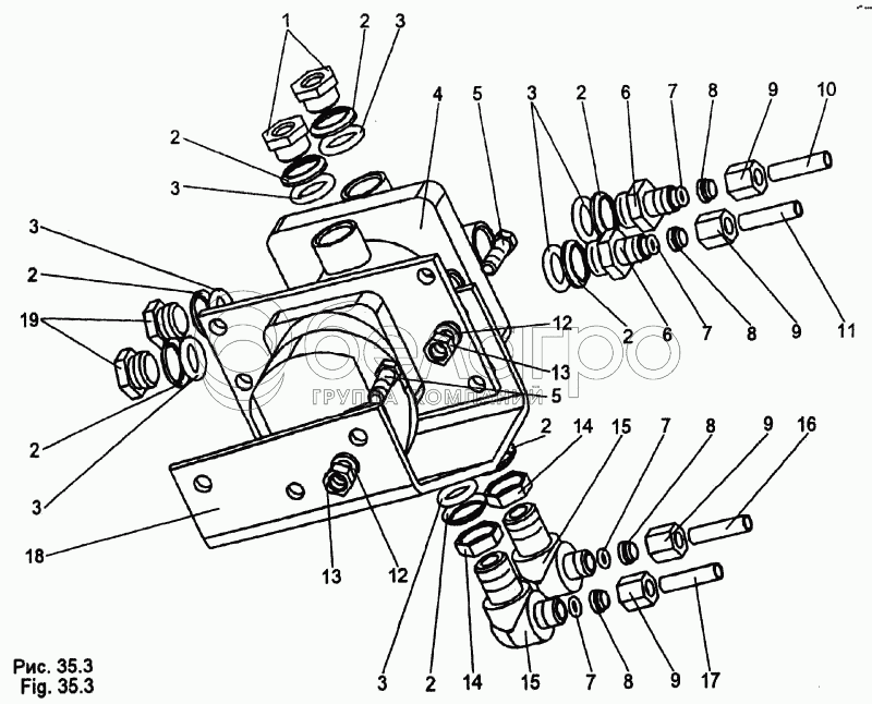
Каталог запасных частей к технике: МЗКТ-65158. Установка тормозного крана

zoom-in zoom-out enlarge shrink circle-right circle-left file-text2 info cart arraw right arraw left zoom out zoom in arraw maximize arraw minimize
1
2
2
3
3
4
5
6
7
8
9
10
11
12
13
14
15
16
17
18
19
1
374924
Гайка
В узле: 2
2
376145
Шайба 22
В узле: 4
2
376145
Шайба 22
В узле: 4
3
0000-3515733
Кольцо 020-025-30-2-2
В узле: 4
3
0000-3515733
Кольцо 020-025-30-2-2
В узле: 44
4
100-3514008
Кран тормозной
В узле: 1
5
201499
Болт М10-6gх30
В узле: 7
6
404304
Штуцер
В узле: 2
7
0000-3506717
Кольцо 008-011-19-2-2
В узле: 4
8
379254
Муфта 10
В узле: 4
9
405641
Гайка накидная 10
В узле: 4
10
69237-3506208
Трубопровод L=1900 мм
В узле: 1
11
69237-3506204
Трубопровод L=850 мм
В узле: 1
12
252136
Шайба 10 ОТ
В узле: 7
13
250512
Гайка М10-6Н
В узле: 7
14
374939
Гайка М22х1,5-6Н
В узле: 2
15
402741
Угольник
В узле: 2
16
69237-3506216
Трубопровод L=2000 мм
В узле: 1
17
69237-3506206
Трубопровод L=1200 мм
В узле: 1
18
69237-3514150
Кронштейн
В узле: 1
19
378609
Пробка М22х1,5-6h
В узле: 2
Содержащиеся в справочниках-каталогах запасные части и детали не предлагаются к продаже, а носят исключительно информационный характер

Ваша заявка была отправлена. В ближайшее время наши специалисты с Вами свяжутся по указанному Вами телефону.

Представьтесь
Поле обязательно для заполнения
Ваш телефон
Введите правильный номер телефона
E-mail
Введите правильный e-mail
Тема
Тема
применяемость финансирование доставка цена, наличие другое сервис и гарантия
Время для звонка
08:00
08:00 09:00 10:00 11:00 12:00 13:00 14:00 15:00 16:00 17:00 18:00 19:00
19:00
08:00 09:00 10:00 11:00 12:00 13:00 14:00 15:00 16:00 17:00 18:00 19:00

Мы постараемся перезвонить в указанное время

Если вы не хотите ждать, то звоните нашим вежливым консультантам:

8 800 100-2-700
Подтвердите, что вы не робот
Подтвердите, что вы не робот
Спасибо!

Ваше сообщение успешно отправлено!

ЗакрытьПовторить попытку