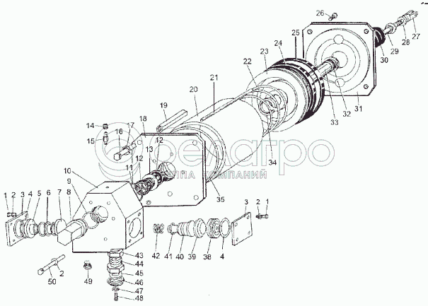
Каталог запасных частей к технике: МЗКТ-652511. Усилитель пневмогидравлический 65151-1609200-10

zoom-in zoom-out enlarge shrink circle-right circle-left file-text2 info cart arraw right arraw left zoom out zoom in arraw maximize arraw minimize
1
1
2
2
2
3
3
4
4
5
6
7
8
9
10
11
12
12
13
14
15
16
17
18
19
20
21
22
23
24
25
26
27
28
29
30
31
32
33
34
35
38
39
40
41
42
43
44
45
46
47
48
49
50
1
201420
Болт М6-6gх20
В узле: х20
2
252154
Шайба 6Л
В узле: 13
3
69237-1609205-10
Крышка
В узле: 2
4
0000-3502750
Кольцо 032-035-19-2-2
В узле: 2
5
69237-1609268-10
Втулка
В узле: 1
6
543-1804330
Пружина
В узле: 1
7
0000-1804704
Клапан Д 4205.796.00
В узле: 1
8
65151-1609208
Крышка
В узле: 1
9
0000-1903747
Кольцо 030-034-25-2-2
В узле: 1
10
65151-1609204
Корпус
В узле: 1
11
0000-4222760
Кольцо 040-044-25-2-2
В узле: 1
12
ЦГ70-280-3405087
Манжета
В узле: 2
13
69237-1609210-20
Кольцо
В узле: 1
14
12-3501049
Колпачок клапана
В узле: 1
15
543-3501048
Клапан перепускной
В узле: 1
16
201510
Болт М10-6gх65
В узле: 4
17
252156
Шайба 10Л
В узле: 4
18
65151-1609278
Крышка
В узле: 1
19
69237-1609216
Втулка
В узле: 1
20
65151-1609276
Гильза
В узле: 1
21
65151-1609248
Трубка
В узле: 1
22
535А-2206129
Пружина муфты
В узле: 1
23
69237-1609233-10
Поршень
В узле: 1
24
0000-1609873
Манжета 1-110x90-6
В узле: 1
25
69237-1609212-10
Кольцо
В узле: 1
26
221725
Винт М10-6hх35
В узле: 1
27
200-3504055-Б
Вилка
В узле: 1
28
250615
Гайка М12х1,25-6Н
В узле: 1
29
69237-1609209-10
Шток
В узле: 1
30
543-3504276
Колпак
В узле: 1
31
69237-1609218-10
Крышка
В узле: 1
32
0000-1105738
Кольцо 024-028-25-2-2
В узле: 1
33
65151-1609234
Шток
В узле: 1
34
400373
Кольцо Б28
В узле: 1
35
0000-2304717
Кольцо 110-115-30-2-2
В узле: 1
36
0000-1015739
Кольцо 025-029-25-2-2
В узле: 1
37
0000-1310719
Кольцо 010-014-25-2-2
В узле: 1
38
65151-1609242
Ограничитель
В узле: 1
39
65151-1609217
Мембрана
В узле: 1
40
65151-1609215
Поршень
В узле: 1
41
0000-1308725
Кольцо 014-018-25-2-2
В узле: 1
42
69237-1609224-20
Пружина
В узле: 1
43
69237-1609229-10
Втулка
В узле: 1
44
69237-1609225
Сапун
В узле: 1
45
79301-1609226
Клапан
В узле: 1
46
79301-1609227
Крышка
В узле: 1
47
252132
Шайба 4
В узле: 1
48
220050
Винт М4-6gх8
В узле: 1
49
262542
Пробка КГ 1/4"
В узле: 2
50
200222
Болт М6-6gх65
В узле: 5
Содержащиеся в справочниках-каталогах запасные части и детали не предлагаются к продаже, а носят исключительно информационный характер

Ваша заявка была отправлена. В ближайшее время наши специалисты с Вами свяжутся по указанному Вами телефону.

Представьтесь
Поле обязательно для заполнения
Ваш телефон
Введите правильный номер телефона
E-mail
Введите правильный e-mail
Тема
Тема
применяемость финансирование доставка цена, наличие другое сервис и гарантия
Время для звонка
08:00
08:00 09:00 10:00 11:00 12:00 13:00 14:00 15:00 16:00 17:00 18:00 19:00
19:00
08:00 09:00 10:00 11:00 12:00 13:00 14:00 15:00 16:00 17:00 18:00 19:00

Мы постараемся перезвонить в указанное время

Если вы не хотите ждать, то звоните нашим вежливым консультантам:

8 800 100-2-700
Подтвердите, что вы не робот
Подтвердите, что вы не робот
Спасибо!

Ваше сообщение успешно отправлено!

ЗакрытьПовторить попытку