Каталог запасных частей к технике: МЗКТ-652511. Установка управления раздаточной коробки

zoom-in zoom-out enlarge shrink circle-right circle-left file-text2 info cart arraw right arraw left zoom out zoom in arraw maximize arraw minimize
1
2
3
4
5
6
6
7
7
8
9
10
11
12
13
14
1
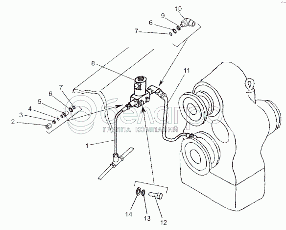
652511-1806084
Воздухопровод
В узле: 1
2
405641
Гайка накидная 10
В узле: 2
3
379254
Муфта 10
В узле: 2
4
0000-3506717
Кольцо 008-011-19-2-2
В узле: 2
5
404209-01
Штуцер
В узле: 1
6
375818
Шайба 12
В узле: 2
7
0000-1310719
Кольцо 010-014-25-2-2
В узле: 2
8
0000-2511411
Клапан электромагнитный КЭМ16-01
В узле: 1
9
374614
Гайка М12х1,5-5Н6Н
В узле: 1
10
74131-1806178
Угольник
В узле: 1
11
6923-3506114
Шланг
В узле: 1
12
200269
Болт М8-6gх50
В узле: 2
13
252135
Шайба 8Т
В узле: 2
14
252005
Шайба 8
В узле: 2
Содержащиеся в справочниках-каталогах запасные части и детали не предлагаются к продаже, а носят исключительно информационный характер

Ваша заявка была отправлена. В ближайшее время наши специалисты с Вами свяжутся по указанному Вами телефону.

Представьтесь
Поле обязательно для заполнения
Ваш телефон
Введите правильный номер телефона
E-mail
Введите правильный e-mail
Тема
Тема
применяемость финансирование доставка цена, наличие другое сервис и гарантия
Время для звонка
08:00
08:00 09:00 10:00 11:00 12:00 13:00 14:00 15:00 16:00 17:00 18:00 19:00
19:00
08:00 09:00 10:00 11:00 12:00 13:00 14:00 15:00 16:00 17:00 18:00 19:00

Мы постараемся перезвонить в указанное время

Если вы не хотите ждать, то звоните нашим вежливым консультантам:

8 800 100-2-700
Подтвердите, что вы не робот
Подтвердите, что вы не робот
Спасибо!

Ваше сообщение успешно отправлено!

ЗакрытьПовторить попытку