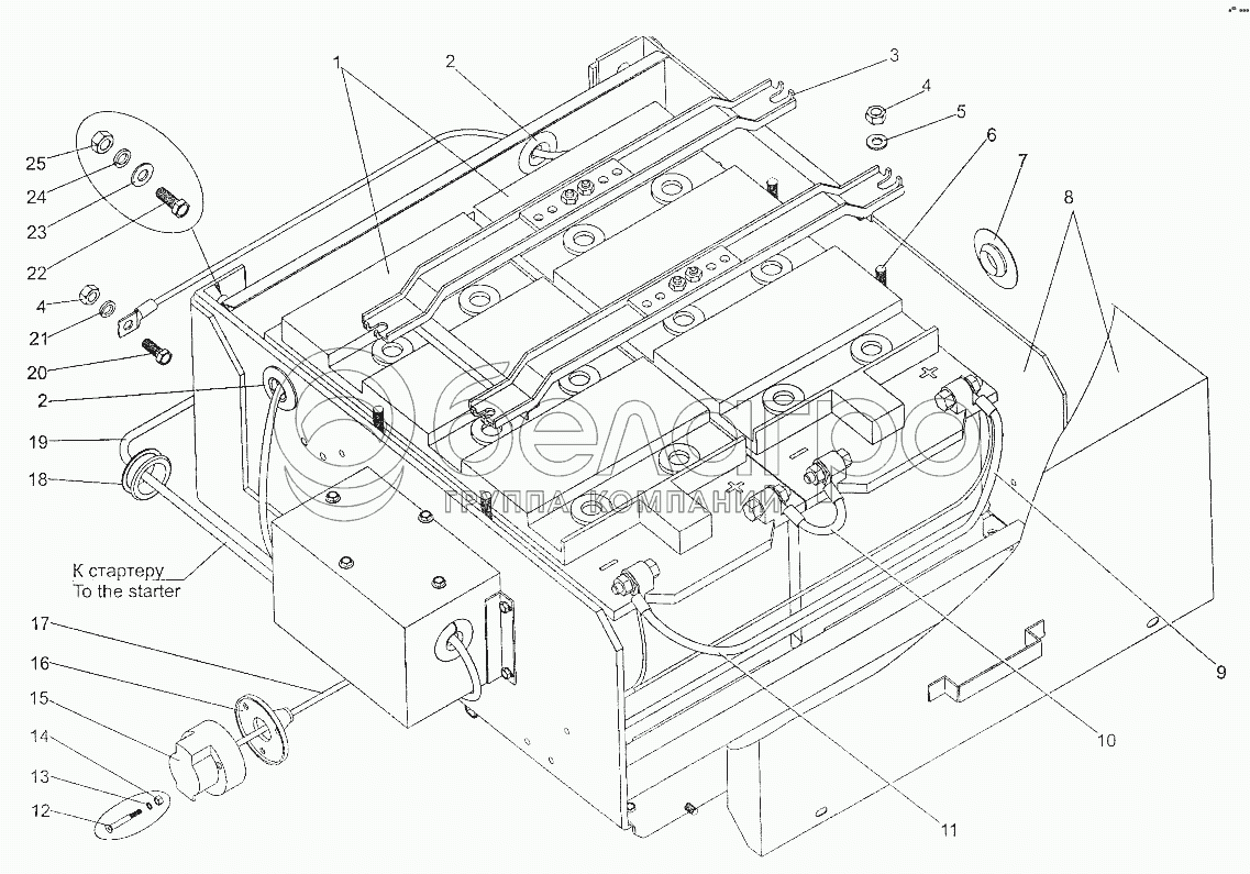
Каталог запасных частей к технике: МЗКТ-700600-011. Установка аккумуляторных батарей и контейнера

zoom-in zoom-out enlarge shrink circle-right circle-left file-text2 info cart arraw right arraw left zoom out zoom in arraw maximize arraw minimize
1
2
2
3
4
4
5
6
7
8
9
10
11
12
13
14
15
16
17
18
19
20
21
22
23
24
25
1
0000-3703412
Батарея 6СТ-190АП необслуживаемая
В узле: 2
2
547A-3724874
Втулка
В узле: 2
3
8007-3748116
Рамка
В узле: 1
4
250512
Гайка М10-6Н
В узле: 9
5
252006
Шайба 10
В узле: 4
6
8007-3748084
Стяжка
В узле: 4
7
8007-3748086
Заглушка
В узле: 1
8
65157-3748002
Контейнер аккумуляторных батарей
В узле: 1
9
65157-3724068
Провод
В узле: 1
10
547A-3724057-11
Перемычка малая
В узле: 1
11
65157-3724084
Провод
В узле: 1
12
221590
Винт М5-6gx40
В узле: 3
13
252133
Шайба 5Т
В узле: 3
14
250464
Гайка М5-6Н
В узле: 3
15
ПС400-3723100
Розетка переносной лампы ПС400
В узле: 1
16
500A-3724152
Чехол защитный
В узле: 1
17
79092-3724039-20
Жгут проводов
В узле: 1
18
547A-1015045
Втулка
В узле: 2
19
700600-3724056-10
Провод
В узле: 1
20
201497
Болт М10-6gх25
В узле: 1
21
252136
Шайба 10 ОТ
В узле: 1
22
201593
Болт М14-6gх50
В узле: 4
23
252016
Шайба 14
В узле: 4
24
252138
Шайба 14 ОТ
В узле: 4
25
250558
Гайка М14-6Н
В узле: 4
Содержащиеся в справочниках-каталогах запасные части и детали не предлагаются к продаже, а носят исключительно информационный характер

Ваша заявка была отправлена. В ближайшее время наши специалисты с Вами свяжутся по указанному Вами телефону.

Представьтесь
Поле обязательно для заполнения
Ваш телефон
Введите правильный номер телефона
E-mail
Введите правильный e-mail
Тема
Тема
применяемость финансирование доставка цена, наличие другое сервис и гарантия
Время для звонка
08:00
08:00 09:00 10:00 11:00 12:00 13:00 14:00 15:00 16:00 17:00 18:00 19:00
19:00
08:00 09:00 10:00 11:00 12:00 13:00 14:00 15:00 16:00 17:00 18:00 19:00

Мы постараемся перезвонить в указанное время

Если вы не хотите ждать, то звоните нашим вежливым консультантам:

8 800 100-2-700
Подтвердите, что вы не робот
Подтвердите, что вы не робот
Спасибо!

Ваше сообщение успешно отправлено!

ЗакрытьПовторить попытку