Каталог запасных частей к технике: МЗКТ-700600-011. Установка подножек

zoom-in zoom-out enlarge shrink circle-right circle-left file-text2 info cart arraw right arraw left zoom out zoom in arraw maximize arraw minimize
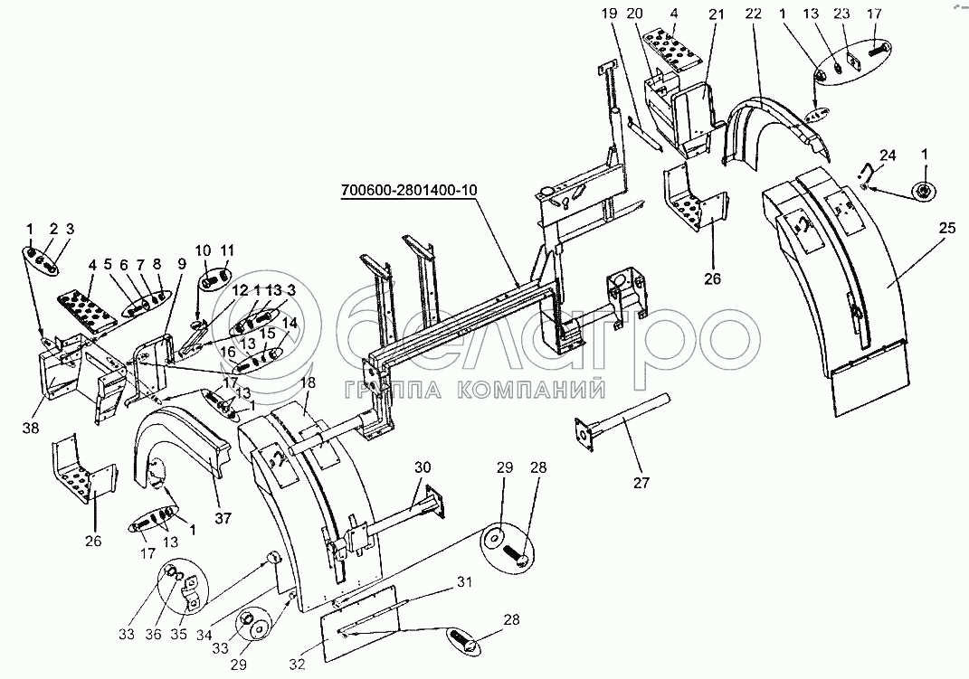
700600-2801400-10
1
1
1
1
1
1
2
3
3
4
4
5
6
7
8
9
10
11
12
13
13
13
13
13
14
15
16
16
16
17
17
17
18
19
20
21
22
23
24
25
26
26
27
28
28
29
29
30
31
32
33
33
34
35
36
37
38
700600-2801400-10
Поперечина
В узле: ---
1
374235
Гайка М8-6Н
В узле: 60
2
252038
Шайба 8
В узле: 16
3
201456
Болт М8-6gх20
В узле: 16
4
6422-8405024
Подножка верхняя
В узле: 2
5
201420
Болт М6-6gх20
В узле: 8
6
252037
Шайба 6
В узле: 8
7
252004
Шайба 6
В узле: 4
8
407807-01
Гайка М6-6Н
В узле: 8
9
700600-8405087
Панель
В узле: 1
10
201493
Болт М10-6gх16
В узле: 2
11
252136
Шайба 10 ОТ
В узле: 2
12
700600-8405057
Раскос
В узле: 1
13
252005
Шайба 8
В узле: 50
14
250510
Гайка М8х1-6Н
В узле: 80
15
252135
Шайба 8Т
В узле: 50
16
231663
Винт2М8-6gx18
В узле: 4
16
221663
Винт М8-6gх18
В узле: 4
17
201458
Болт М8-6gх25
В узле: 28
18
700600-8403029
Брызговик крыла
В узле: 1
19
6923-8405058
Раскос
В узле: 1
20
69237-8405470
Панель правая
В узле: 1
21
6923-8405086
Панель правая
В узле: 1
22
700600-8403012
Крыло
В узле: 1
23
69237-8403036
Пластина
В узле: 8
24
692372-8404926
Хомут 51
В узле: 7
25
700600-8403028
Брызговик крыла
В узле: 1
26
6422-8405016
Подножка нижняя
В узле: 2
27
700600-8404222-10
Кронштейн
В узле: 1
28
220082
Винт М5-6gх20
В узле: 14
29
252036
Шайба 5
В узле: 10
30
700600-8404205
Кронштейн
В узле: 1
31
65251-8404318
Накладка
В узле: 2
32
65251-8404118
Брызговик
В узле: 2
33
250464
Гайка М5-6Н
В узле: 14
34
69237-8404932
Держатель
В узле: 2
35
93782-3731128
Петля
В узле: 4
36
252133
Шайба 5Т
В узле: 8
37
700600-8403013
Крыло
В узле: 1
38
69237-8405471
Панель левая
В узле: 1
Содержащиеся в справочниках-каталогах запасные части и детали не предлагаются к продаже, а носят исключительно информационный характер

Ваша заявка была отправлена. В ближайшее время наши специалисты с Вами свяжутся по указанному Вами телефону.

Представьтесь
Поле обязательно для заполнения
Ваш телефон
Введите правильный номер телефона
E-mail
Введите правильный e-mail
Тема
Тема
применяемость финансирование доставка цена, наличие другое сервис и гарантия
Время для звонка
08:00
08:00 09:00 10:00 11:00 12:00 13:00 14:00 15:00 16:00 17:00 18:00 19:00
19:00
08:00 09:00 10:00 11:00 12:00 13:00 14:00 15:00 16:00 17:00 18:00 19:00

Мы постараемся перезвонить в указанное время

Если вы не хотите ждать, то звоните нашим вежливым консультантам:

8 800 100-2-700
Подтвердите, что вы не робот
Подтвердите, что вы не робот
Спасибо!

Ваше сообщение успешно отправлено!

ЗакрытьПовторить попытку