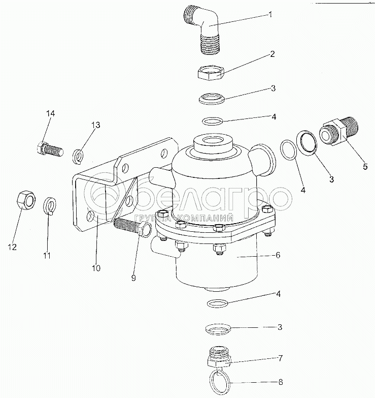
Каталог запасных частей к технике: МЗКТ-700600-011. Установка влагомаслоотделителя

zoom-in zoom-out enlarge shrink circle-right circle-left file-text2 info cart arraw right arraw left zoom out zoom in arraw maximize arraw minimize
1
2
3
3
3
4
4
4
5
6
7
7
8
9
10
11
12
13
14
1
408762-01
Угольник
В узле: 1
2
374939
Гайка М22х1,5-6Н
В узле: 1
3
376145
Шайба 22
В узле: 3
4
0000-3515733
Кольцо 020-025-30-2-2
В узле: 3
5
404314
Штуцер
В узле: 1
6
6525-3536110
Влагомаслоотделитель
В узле: 1
7
5336-3513110
Клапан слива конденсата
В узле: 1
7
0000-3513120
Клапан слива конденсата 105.069.03.000
В узле: 1
8
5247Г-3921441
Кольцо
В узле: 1
9
201544
Болт М12-6gx40
В узле: 2
10
692371-3536060
Кронштейн
В узле: 1
11
252137
Шайба 12 ОТ
В узле: 2
12
250514
Гайка М12-6Н
В узле: 2
13
252136
Шайба 10 ОТ
В узле: 2
14
201497
Болт М10-6gх25
В узле: 2
Содержащиеся в справочниках-каталогах запасные части и детали не предлагаются к продаже, а носят исключительно информационный характер

Ваша заявка была отправлена. В ближайшее время наши специалисты с Вами свяжутся по указанному Вами телефону.

Представьтесь
Поле обязательно для заполнения
Ваш телефон
Введите правильный номер телефона
E-mail
Введите правильный e-mail
Тема
Тема
применяемость финансирование доставка цена, наличие другое сервис и гарантия
Время для звонка
08:00
08:00 09:00 10:00 11:00 12:00 13:00 14:00 15:00 16:00 17:00 18:00 19:00
19:00
08:00 09:00 10:00 11:00 12:00 13:00 14:00 15:00 16:00 17:00 18:00 19:00

Мы постараемся перезвонить в указанное время

Если вы не хотите ждать, то звоните нашим вежливым консультантам:

8 800 100-2-700
Подтвердите, что вы не робот
Подтвердите, что вы не робот
Спасибо!

Ваше сообщение успешно отправлено!

ЗакрытьПовторить попытку