Каталог запасных частей к технике: МЗКТ-7402. Подрессоривание кабины переднее

zoom-in zoom-out enlarge shrink circle-right circle-left file-text2 info cart arraw right arraw left zoom out zoom in arraw maximize arraw minimize
1
1
1
2
2
3
3
3
3
3
3
4
4
5
5
6
6
7
7
8
8
9
9
10
11
12
13
14
15
15
15
15
16
16
17
17
17
17
18
18
19
20
21
21
22
22
23
23
24
24
25
25
26
26
27
27
28
28
29
29
30
30
31
31
32
32
33
33
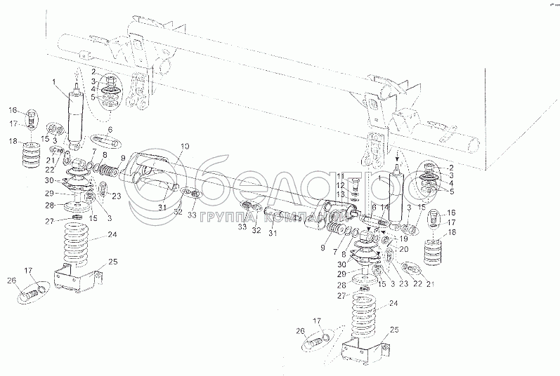
1
20.5001010-03
Амортизатор
В узле: ---
1
20.5001010
Амортизатор
В узле: ---
2
374377
Гайка М10х1,25-6Н
В узле: ---
3
252136
Шайба 10 ОТ
В узле: ---
4
504В-6801122
Шайба
В узле: ---
5
500-1302139
Буфер
В узле: ---
6
200320
Болт М10-6gх55
В узле: ---
7
376196
Шайба 27
В узле: ---
8
376212
Шайба 28
В узле: ---
9
64221-5001782
Втулка
В узле: ---
10
64226-5001710-30
Стабилизатор
В узле: ---
11
372613
Болт М16х1,5-6gх55
В узле: ---
12
252139
Шайба 16 ОТ
В узле: ---
13
252017
Шайба 16
В узле: ---
14
79092-5001788
Стопор
В узле: ---
15
250512
Гайка М10-6Н
В узле: ---
16
201538
Болт М12-6gх25
В узле: ---
17
252137
Шайба 12 ОТ
В узле: ---
18
5336-5001766-01
Буфер
В узле: ---
19
374809
Гайка М18х1,5
В узле: ---
20
258054
Шплинт 4х32
В узле: ---
21
201456
Болт М8-6gх20
В узле: ---
22
252135
Шайба 8Т
В узле: ---
23
370906
Болт М10-6gх30
В узле: ---
24
5336-5001730-01
Пружина передняя
В узле: ---
25
79092-5001760
Кронштейн
В узле: ---
26
201540
Болт М12-6gх30
В узле: ---
27
250661
Гайка М24х2-6Н
В узле: ---
28
79092-5001152
Чашка верхняя
В узле: ---
29
79092-5001676
Опора
В узле: ---
30
5336-5001756
Буфер
В узле: ---
31
64221-5001722
Ось
В узле: ---
32
264072
Масленка 1.1.Ц6
В узле: ---
33
12-3501049
Колпачок клапана
В узле: ---
Содержащиеся в справочниках-каталогах запасные части и детали не предлагаются к продаже, а носят исключительно информационный характер

Ваша заявка была отправлена. В ближайшее время наши специалисты с Вами свяжутся по указанному Вами телефону.

Представьтесь
Поле обязательно для заполнения
Ваш телефон
Введите правильный номер телефона
E-mail
Введите правильный e-mail
Тема
Тема
применяемость финансирование доставка цена, наличие другое сервис и гарантия
Время для звонка
08:00
08:00 09:00 10:00 11:00 12:00 13:00 14:00 15:00 16:00 17:00 18:00 19:00
19:00
08:00 09:00 10:00 11:00 12:00 13:00 14:00 15:00 16:00 17:00 18:00 19:00

Мы постараемся перезвонить в указанное время

Если вы не хотите ждать, то звоните нашим вежливым консультантам:

8 800 100-2-700
Подтвердите, что вы не робот
Подтвердите, что вы не робот
Спасибо!

Ваше сообщение успешно отправлено!

ЗакрытьПовторить попытку