Каталог запасных частей к технике: МЗКТ-74131. Управление подачей топлива, трубы выхлопные

zoom-in zoom-out enlarge shrink circle-right circle-left file-text2 info cart arraw right arraw left zoom out zoom in arraw maximize arraw minimize
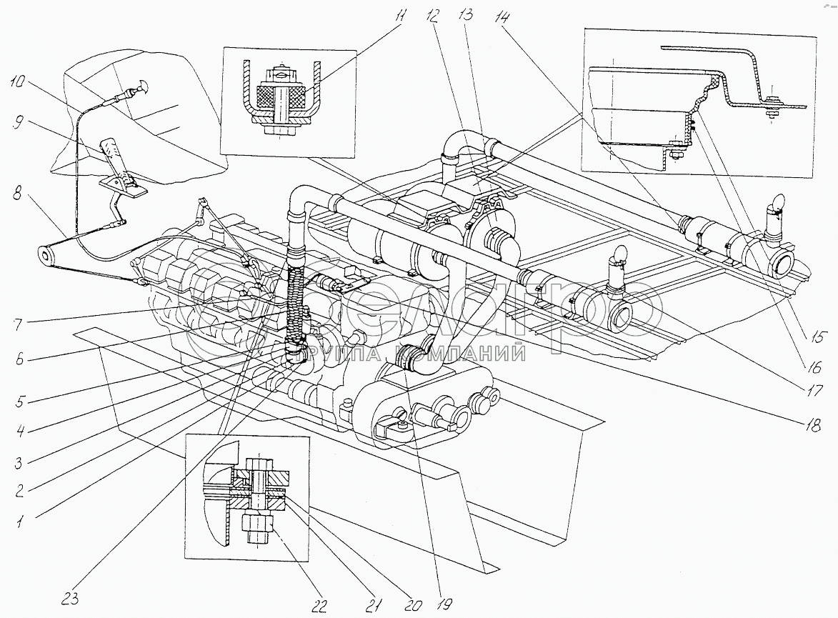
1
2
3
4
5
6
7
8
10
11
12
13
14
15
16
17
18
19
20
21
22
23
402717
Угольник
В узле: 1
238Н-1109010-20
Фильтр воздушный
В узле: 2
74131-1200005
Установка системы выпуска
В узле: 1
370515
Болт М5-6gх10
В узле: 1
504В-1108262
Втулка
В узле: 1
500-1104541-Б
Втулка
В узле: 2
74131-1108294
Трос
В узле: 1
504В-1108262
Втулка
В узле: 1
100-3537110
Кран
В узле: 1
379198
Кляммер
В узле: 1
376291
Шайба
В узле: 2
371678
Болт 2М10х1-6hх38
В узле: 12
379954
Хомут 32
В узле: 4
64221-3570037
Прокладка
В узле: 1
543-3506222
Прокладка резиновая
В узле: 2
7413-1303128
Рукав
В узле: 2
100-3570110
Цилиндр
В узле: 1
2531114-016
Кольцо 008-011-19-2-3
В узле: 1
370515
Болт М5-6gх10
В узле: 1
1
250536
Гайка М10-6Н
В узле: 12
2
74131-1203064
Патрубок
В узле: 2
3
5428-1203027-10
Прокладка
В узле: 2
4
5336-3570010-02
Заслонка
В узле: 2
5
74131-1203422
Прокладка
В узле: 2
6
79221-1203530
Металлорукав
В узле: 2
7
74131-3570200
Тяга
В узле: 1
8
74131-1108292
Привод гибкий
В узле: 1
10
74131-1115070
Тяга
В узле: 1
11
547А-3723402
Подушка
В узле: 12
12
7929-1158247
Шланг Ф 150
В узле: 2
13
64229-1109468
Хомут
В узле: 16
14
6923-1203449
Хомут
В узле: 2
15
7413-1158045
Патрубок
В узле: 1
16
379961
Хомут 215
В узле: 1
17
515Б-1203027
Прокладка
В узле: 2
18
79092-1115060-10
Цилиндр с кронштейном
В узле: 1
19
6422-1109144
Переходник
В узле: 2
20
537-1203428
Прокладка регулировочная
В узле: 4
21
537-1203422
Прокладка
В узле: 8
22
537-1205055
Гайка М12х1,75
В узле: 8
23
79221-1203420
Прокладка
В узле: 4
Содержащиеся в справочниках-каталогах запасные части и детали не предлагаются к продаже, а носят исключительно информационный характер

Ваша заявка была отправлена. В ближайшее время наши специалисты с Вами свяжутся по указанному Вами телефону.

Представьтесь
Поле обязательно для заполнения
Ваш телефон
Введите правильный номер телефона
E-mail
Введите правильный e-mail
Тема
Тема
применяемость финансирование доставка цена, наличие другое сервис и гарантия
Время для звонка
08:00
08:00 09:00 10:00 11:00 12:00 13:00 14:00 15:00 16:00 17:00 18:00 19:00
19:00
08:00 09:00 10:00 11:00 12:00 13:00 14:00 15:00 16:00 17:00 18:00 19:00

Мы постараемся перезвонить в указанное время

Если вы не хотите ждать, то звоните нашим вежливым консультантам:

8 800 100-2-700
Подтвердите, что вы не робот
Подтвердите, что вы не робот
Спасибо!

Ваше сообщение успешно отправлено!

ЗакрытьПовторить попытку