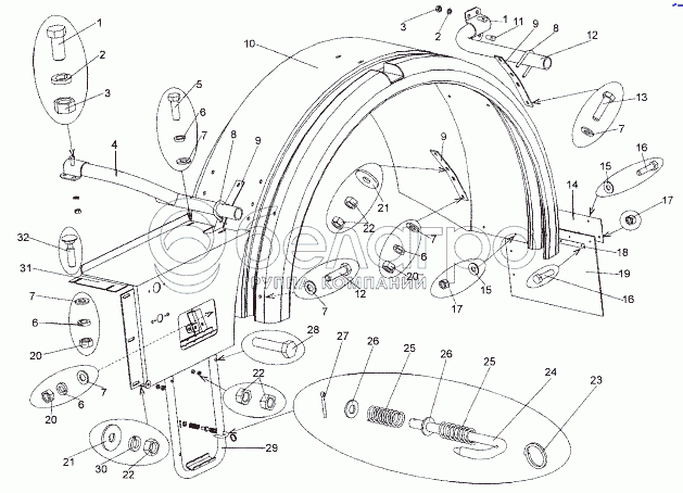
Каталог запасных частей к технике: МЗКТ-74171. Установка передних крыльев

zoom-in zoom-out enlarge shrink circle-right circle-left file-text2 info cart arraw right arraw left zoom out zoom in arraw maximize arraw minimize
1
1
2
2
3
3
4
4
5
6
6
6
6
7
7
7
7
7
7
8
8
9
9
9
10
10
11
12
12
13
14
15
15
16
16
17
17
18
19
20
20
20
21
21
22
22
22
23
24
25
25
26
26
27
28
29
30
31
31
32
1
201585
Болт М14-6hх30
В узле: 12
2
252138
Шайба 14 ОТ
В узле: 16
3
250558
Гайка М14-6Н
В узле: 16
4
652511-8403125
Кронштейн левый
В узле: 1
4
652511-8403124
Кронштейн правый
В узле: 1
5
201456
Болт М8-6gх20
В узле: 4
6
252135
Шайба 8Т
В узле: 28
7
252038
Шайба 8
В узле: 48
8
652511-8403238
Хомут 51
В узле: 8
9
652511-8403224
Накладка
В узле: 8
10
74171-8403021
Крыло левое
В узле: 1
10
74171-8403020
Крыло правое
В узле: 1
11
201588
Болт М14-6gх38
В узле: 4
12
74171-8403134
Кронштейн
В узле: 2
13
201460
Болт М8-6gх30
В узле: 20
14
652511-8403236
Накладка
В узле: 2
15
252037
Шайба 6
В узле: 12
16
201418
Болт М6-6gх16
В узле: 16
17
250508
Гайка М6-6Н
В узле: 16
18
65251-8404318
Накладка
В узле: 2
19
65251-8404118
Брызговик
В узле: 2
20
250510
Гайка М8х1-6Н
В узле: 24
21
252039
Шайба 10
В узле: 22
22
250512
Гайка М10-6Н
В узле: 46
23
5247Г-3921441
Кольцо
В узле: 2
24
6515-8508963
Фиксатор
В узле: 2
25
547A-1727208
Пружина возвратная
В узле: 4
26
252006
Шайба 10
В узле: 4
27
258024
Шплинт 2,5х16
В узле: 2
28
371249
Болт М10-6gx50
В узле: 4
29
652511-8405360
Подножка
В узле: 2
30
252136
Шайба 10 ОТ
В узле: 6
31
652511-8405321
Подножка левая
В узле: 1
31
652511-8405320
Подножка правая
В узле: 1
32
210382
Болт М8-6gх35
В узле: 4
Содержащиеся в справочниках-каталогах запасные части и детали не предлагаются к продаже, а носят исключительно информационный характер

Ваша заявка была отправлена. В ближайшее время наши специалисты с Вами свяжутся по указанному Вами телефону.

Представьтесь
Поле обязательно для заполнения
Ваш телефон
Введите правильный номер телефона
E-mail
Введите правильный e-mail
Тема
Тема
применяемость финансирование доставка цена, наличие другое сервис и гарантия
Время для звонка
08:00
08:00 09:00 10:00 11:00 12:00 13:00 14:00 15:00 16:00 17:00 18:00 19:00
19:00
08:00 09:00 10:00 11:00 12:00 13:00 14:00 15:00 16:00 17:00 18:00 19:00

Мы постараемся перезвонить в указанное время

Если вы не хотите ждать, то звоните нашим вежливым консультантам:

8 800 100-2-700
Подтвердите, что вы не робот
Подтвердите, что вы не робот
Спасибо!

Ваше сообщение успешно отправлено!

ЗакрытьПовторить попытку