Каталог запасных частей к технике: МЗКТ-74296. Картер блокировки 7930-1802230-01

zoom-in zoom-out enlarge shrink circle-right circle-left file-text2 info cart arraw right arraw left zoom out zoom in arraw maximize arraw minimize
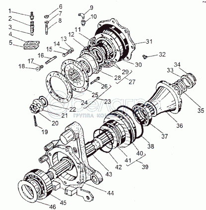
1
2
3
4
5
6
7
8
9
10
11
12
13
14
15
16
17
18
19
20
20
21
23
24
25
26
27
28
29
30
31
32
33
34
35
36
37
38
39
40
41
42
43
44
45
46
1
537-3732030
Контакт сигнализирующий
В узле: 1
2
537-3732040
Контакт подвижный
В узле: 1
3
0000-2402201
Шарик 9.525-100
В узле: 1
4
7930-1830084
Пластина
В узле: 1
5
7930-1830086
Прокладка
В узле: 1
6
250511
Гайка М8х1-6Н
В узле: 2
7
252135
Шайба 8Т
В узле: 2
8
216528
Шпилька М8х28
В узле: 2
9
379086
Угольник
В узле: 1
10
401549
Ниппель
В узле: 1
11
7930-3507116
Прокладка
В узле: 1
12
79221-1729089
Прокладка
В узле: 1
13
252006
Шайба 10
В узле: 7
14
252136
Шайба 10 ОТ
В узле: 7
15
370906
Болт М10-6gх30
В узле: 7
16
373586
Шпилька М14х40
В узле: 7
17
252138
Шайба 14 ОТ
В узле: 7
18
250559
Гайка М14х1,5-6Н
В узле: 7
19
258085
Шплинт 6,3х50
В узле: 1
20
547A-1731043
Кольцо уплотнительное
В узле: 1
20
375152
Гайка М39х2-5Н6Н
В узле: 1
21
535A-1802229
Шайба
В узле: 1
23
7930-1802269
Фланец
В узле: 1
24
547A-1721234
Шайба
В узле: 1
25
7930-1802270
Фланец
В узле: 1
26
372540
Болт М14х1,5-6gх65
В узле: 8
27
79221-1721170-01
Крышка
В узле: 1
28
79221-1721172
Крышка
В узле: 1
29
0001-1802001
Манжета ВА92-120-12 SIMRIT 72 NBR 902
В узле: 1
30
535А-2501094-Б
Втулка боковой опоры редуктора
В узле: 1
31
7930-1802239-10
Картер блокировки
В узле: 1
32
262542
Пробка КГ 1/4"
В узле: 1
33
7930-1802203
Шайба
В узле: 1
34
400583
Кольцо 1Б70
В узле: 1
35
547 A-1729094
Пружина
В узле: 1
36
7930-1830078
Муфта блокировки
В узле: 1
37
0000-1710379
Подшипник 6-1000916
В узле: 1
38
0000-1716811
Кольцо 140-150-58-2-2
В узле: 1
39
7930-1830076
Поршень
В узле: 1
40
7930-1830081
Поршень
В узле: 1
41
7930-1830082
Втулка
В узле: 1
42
0000-2327806
Кольцо 120-130-58-2-2
В узле: 1
43
7930-1802104
Вал
В узле: 1
44
7930-3507068
Суппорт
В узле: 1
45
0000-1721229
Подшипник 215А
В узле: 1
46
7922-1729102
Шайба
В узле: 1
Содержащиеся в справочниках-каталогах запасные части и детали не предлагаются к продаже, а носят исключительно информационный характер

Ваша заявка была отправлена. В ближайшее время наши специалисты с Вами свяжутся по указанному Вами телефону.

Представьтесь
Поле обязательно для заполнения
Ваш телефон
Введите правильный номер телефона
E-mail
Введите правильный e-mail
Тема
Тема
применяемость финансирование доставка цена, наличие другое сервис и гарантия
Время для звонка
08:00
08:00 09:00 10:00 11:00 12:00 13:00 14:00 15:00 16:00 17:00 18:00 19:00
19:00
08:00 09:00 10:00 11:00 12:00 13:00 14:00 15:00 16:00 17:00 18:00 19:00

Мы постараемся перезвонить в указанное время

Если вы не хотите ждать, то звоните нашим вежливым консультантам:

8 800 100-2-700
Подтвердите, что вы не робот
Подтвердите, что вы не робот
Спасибо!

Ваше сообщение успешно отправлено!

ЗакрытьПовторить попытку