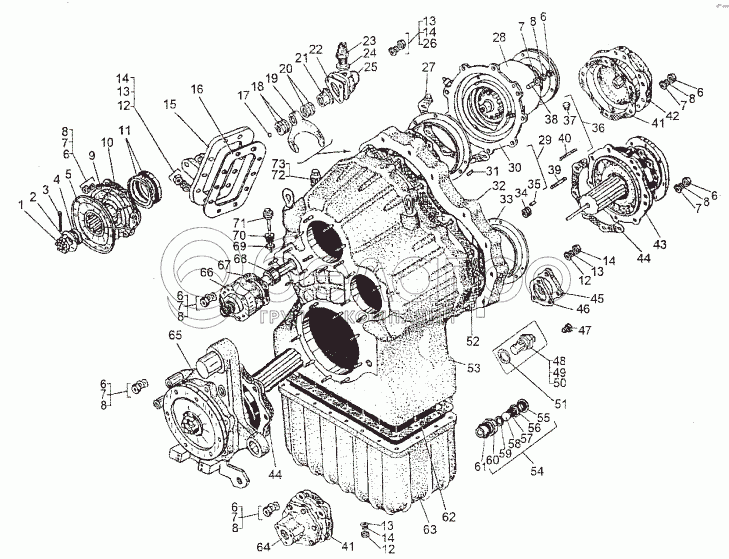
Каталог запасных частей к технике: МЗКТ-74296. Картерные детали и узлы раздаточной коробки

zoom-in zoom-out enlarge shrink circle-right circle-left file-text2 info cart arraw right arraw left zoom out zoom in arraw maximize arraw minimize
1
2
3
4
5
6
6
6
6
6
6
6
7
7
7
7
7
7
7
8
8
8
8
8
8
8
9
10
11
12
12
12
13
13
13
13
14
14
14
14
15
16
17
18
19
20
21
22
23
24
25
26
27
28
29
30
31
32
33
34
35
36
37
38
39
40
41
41
42
43
44
44
45
46
47
48
49
50
51
52
53
54
55
56
57
58
59
60
61
62
63
64
65
66
67
68
69
70
71
72
73
1
375152
Гайка М39х2-5Н6Н
В узле: 1
2
535А-1802229
Шайба
В узле: 1
3
258085
Шплинт 6,3х50
В узле: 1
4
547 А-1731043
Кольцо
В узле: 1
5
547 А-1729106
Фланец привода
В узле: 1
6
250515
Гайка М12х1,25-6Н
В узле: 47
7
252007
Шайба 12
В узле: 47
8
252137
Шайба 12 ОТ
В узле: 49
9
7930-1802066
Крышка
В узле: 1
10
7930-1802067
Прокладка
В узле: 1
11
0001-1802001
Манжета ВА92-120-12 SIMRIT 72 NBR 902
В узле: 2
12
250513
Гайка М10х1-6Н
В узле: 31
13
252006
Шайба 10
В узле: 34
14
252136
Шайба 10 ОТ
В узле: 36
15
7413-1802540
Крышка
В узле: 1
16
7413-1802542
Прокладка
В узле: 1
17
0000-2402201
Шарик 9.525-100
В узле: 6
18
375054
Гайка М27х1,5
В узле: 2
19
7930-1803020-10
Вилка
В узле: 1
20
375012
Гайка М24х1.5-6Н
В узле: 2
21
7930-1803068
Втулка
В узле: 1
22
7930-1803158
Прокладка
В узле: 1
23
0000-3710465
Выключатель ВК12-3А
В узле: 3
24
375992
Шайба 16
В узле: 3
25
7930-1803157
Крышка
В узле: 1
26
374243
Гайка М10х1-5Н6Н
В узле: 3
27
7930-1802059
Прокладка
В узле: 1
28
742952-1810010
Механизм отбора мощности
В узле: 1
29
7930-1802020
Крышка
В узле: 1
30
7930-1802282
Втулка
В узле: 1
31
408403
Штифт 10х28
В узле: 2
32
7930-1802023
Крышка
В узле: 1
33
7930-1802283
Втулка
В узле: 1
34
543-2312356
Переходник
В узле: 2
35
377391
Штифт 6х8
В узле: 2
36
7930-1802018
Крышка
В узле: 1
37
262542
Пробка КГ 1/4"
В узле: 4
38
373513
Шпилька М12х32
В узле: 17
39
373271
Шпилька М10х25
В узле: 6
40
216284
Шпилька М12х40 66.016
В узле: 5
41
7930-1802099
Прокладка
В узле: 2
42
7930-1802098
Крышка
В узле: 1
43
7930-1802190-01
Крышка
В узле: 1
44
7930-1802240
Прокладка
В узле: 2
45
7911-1802108
Крышка
В узле: 1
46
7911-1805142
Прокладка крышки
В узле: 1
47
262542
Пробка КГ 1/4"
В узле: 1
48
7930-1808090
Клапан
В узле: 1
49
535A-2001314
Пружина клапана
В узле: 1
50
378607
Пробка М22х1,5-6д
В узле: 1
51
0000-1907745
Кольцо 028-034-36-2-2
В узле: 1
52
7930-1802021
Прокладка
В узле: 1
53
7930-1802010-10
Картер
В узле: 1
54
543-1718360
Клапан сливной
В узле: 1
55
535А-1018542-Б
Пробка клапана
В узле: 1
56
535А-1018544-Б
Прокладка пробки
В узле: 1
57
543-1718366
Пружина сливного клапана
В узле: 1
58
0000-3410201
Шарик 26,988-100
В узле: 1
59
543-1718370
Седло сливного клапана
В узле: 1
60
543-1718364
Корпус сливного клапана
В узле: 1
61
543-1018552
Прокладка
В узле: 1
62
7930-1802402
Прокладка
В узле: 1
63
7930-1802401
Поддон
В узле: 1
64
74133-3841010
Привод спидометра
В узле: 1
65
7930-1802230-01
Картер блокировки
В узле: 1
66
7930-1803100-10
Пневмопереключатель
В узле: 1
67
7930-1803102
Прокладка
В узле: 1
68
7930-1803066
Втулка
В узле: 1
69
535A-1018157
Прокладка
В узле: 1
70
543-1101075
Втулка
В узле: 1
71
7929-4202250
Указатель уровня масла
В узле: 1
72
7908-1731250-02
Суфлер
В узле: 1
73
535А-3509474-Б
Прокладка штуцера
В узле: 1
Содержащиеся в справочниках-каталогах запасные части и детали не предлагаются к продаже, а носят исключительно информационный характер

Ваша заявка была отправлена. В ближайшее время наши специалисты с Вами свяжутся по указанному Вами телефону.

Представьтесь
Поле обязательно для заполнения
Ваш телефон
Введите правильный номер телефона
E-mail
Введите правильный e-mail
Тема
Тема
применяемость финансирование доставка цена, наличие другое сервис и гарантия
Время для звонка
08:00
08:00 09:00 10:00 11:00 12:00 13:00 14:00 15:00 16:00 17:00 18:00 19:00
19:00
08:00 09:00 10:00 11:00 12:00 13:00 14:00 15:00 16:00 17:00 18:00 19:00

Мы постараемся перезвонить в указанное время

Если вы не хотите ждать, то звоните нашим вежливым консультантам:

8 800 100-2-700
Подтвердите, что вы не робот
Подтвердите, что вы не робот
Спасибо!

Ваше сообщение успешно отправлено!

ЗакрытьПовторить попытку