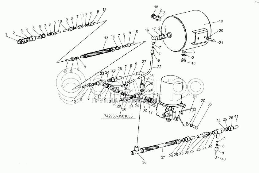
Каталог запасных частей к технике: МЗКТ-74296. Установка аппаратов систеты обезвоживания воздуха

zoom-in zoom-out enlarge shrink circle-right circle-left file-text2 info cart arraw right arraw left zoom out zoom in arraw maximize arraw minimize
1
2
2
2
2
2
2
3
3
3
3
3
3
4
5
6
7
7
7
7
7
7
7
7
7
8
8
8
8
8
8
8
8
8
9
9
9
9
9
9
9
9
9
10
11
12
12
13
14
15
15
16
17
17
17
18
18
19
20
20
21
22
23
24
24
24
24
24
24
25
25
25
25
25
25
26
26
26
26
26
26
27
28
29
30
31
32
33
34
35
36
37
38
39
40
41
1
0001-3515001
Клапан контрольного вывода 476 703 115 0
В узле: 1
2
376145
Шайба 22
В узле: 6
3
0000-3515733
Кольцо 020-025-30-2-2
В узле: 6
4
404308
Штуцер
В узле: 1
5
252159
Шайба 16Л
В узле: 1
6
250636
Гайка М16х1,5-6Н
В узле: 1
7
0000-3506717
Кольцо 008-011-19-2-2
В узле: 9
8
379254
Муфта 10
В узле: 9
9
405641
Гайка накидная 10
В узле: 9
10
742953-3506241
Трубопровод
В узле: 1
11
379002
Ниппель
В узле: 1
12
742952-3506239
Трубопровод
В узле: 1
13
742952-3570210
Шланг
В узле: 1
14
404439
Штуцер
В узле: 1
15
742952-3506238
Трубопровод
В узле: 1
16
402741
Угольник
В узле: 1
17
374939
Гайка М22х1,5-6Н
В узле: 3
18
378609
Пробка М22х1,5-6h
В узле: 2
19
742952-3513015
Ресивер А10-220
В узле: 1
20
252137
Шайба 12 ОТ
В узле: 5
21
201538
Болт М12-6gх25
В узле: 2
22
742953-3506237
Трубопровод
В узле: 1
23
403039
Тройник
В узле: 1
24
0000-1602722
Кольцо 012-016-25-2-2
В узле: 6
25
379256
Муфта 15
В узле: 6
26
405674
Гайка накидная 1-15
В узле: 6
27
742953-3506056
Трубопровод
В узле: 1
28
402843
Угольник
В узле: 1
29
374614
Гайка М12х1,5-5Н6Н
В узле: 1
30
375818
Шайба 12
В узле: 1
31
0000-1310719
Кольцо 010-014-25-2-2
В узле: 1
32
379755-10
Угольник
В узле: 1
33
0001-3536004
Осушитель воздуха 432 410 104 0
В узле: 1
34
74295-3536106
Пластина
В узле: 1
35
371777
Болт М12x1,5-6gx30
В узле: 1
36
401434
Тройник
В узле: 1
37
742952-3506640
Шланг
В узле: 1
38
742953-3506057
Трубопровод
В узле: 1
39
403043
Тройник
В узле: 1
40
742953-3506228
Трубопровод
В узле: 1
41
742953-3506058
Трубопровод
В узле: 1
Содержащиеся в справочниках-каталогах запасные части и детали не предлагаются к продаже, а носят исключительно информационный характер

Ваша заявка была отправлена. В ближайшее время наши специалисты с Вами свяжутся по указанному Вами телефону.

Представьтесь
Поле обязательно для заполнения
Ваш телефон
Введите правильный номер телефона
E-mail
Введите правильный e-mail
Тема
Тема
применяемость финансирование доставка цена, наличие другое сервис и гарантия
Время для звонка
08:00
08:00 09:00 10:00 11:00 12:00 13:00 14:00 15:00 16:00 17:00 18:00 19:00
19:00
08:00 09:00 10:00 11:00 12:00 13:00 14:00 15:00 16:00 17:00 18:00 19:00

Мы постараемся перезвонить в указанное время

Если вы не хотите ждать, то звоните нашим вежливым консультантам:

8 800 100-2-700
Подтвердите, что вы не робот
Подтвердите, что вы не робот
Спасибо!

Ваше сообщение успешно отправлено!

ЗакрытьПовторить попытку