Каталог запасных частей к технике: МЗКТ-74296. Установка системы выпуска отработавших газов

zoom-in zoom-out enlarge shrink circle-right circle-left file-text2 info cart arraw right arraw left zoom out zoom in arraw maximize arraw minimize
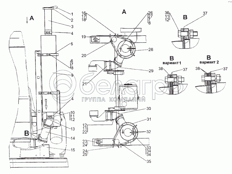
1
2
3
4
4
5
6
7
7
8
8
9
10
11
11
11
12
12
12
13
14
15
16
17
18
19
20
21
22
23
24
24
25
26
27
28
29
30
31
32
33
34
34
35
36
37
37
37
38
38
1
74131-1203400
Заслонка
В узле: 2
2
74131-1203430
Кронштейн заслонки
В узле: 2
3
742952-1203060
Патрубок
В узле: 2
4
74295-1203434
Хомут
В узле: 4
5
74295-1203028-10
Хомут
В узле: 4
6
201501
Болт М10-6gх60
В узле: 8
7
252136
Шайба 10 ОТ
В узле: 10
8
250512
Гайка М10-6Н
В узле: 10
9
0001-1201001
Глушитель МРМ09-0205
В узле: 2
10
201538
Болт М12-6gх25
В узле: 4
11
252137
Шайба 12 ОТ
В узле: 28
12
25051402
Гайка М12-6Н
В узле: 28
13
74296-1203063
Патрубок
В узле: 2
14
69237-1203530-10
Металлорукав
В узле: 2
15
74296-1203240
Кронштейн
В узле: 1
16
201418
Болт М6-6gх16
В узле: 16
17
252134
Шайба 6Т
В узле: 16
18
252037
Шайба 6
В узле: 16
19
74296-1203241
Кронштейн
В узле: 1
20
742952-1203446
Кронштейн
В узле: 1
21
0001-3570004
Заслонка моторного тормоза
В узле: 2
22
407694-06
Шпилька М12х3п/6gx95
В узле: 8
23
742952-1203615
Стяжка
В узле: 4
24
251647
Гайка М12х1,25-6Н
В узле: 12
25
371309
Болт М12х1,25-6gх35
В узле: 8
26
201497
Болт М10-6gх25
В узле: 2
27
252006
Шайба 10
В узле: 2
28
74296-1204020
Кожух глушителя
В узле: 1
29
74296-1203030
Патрубок
В узле: 1
30
74296-1203031
Патрубок
В узле: 1
31
742952-1204021
Кожух глушителя
В узле: 1
32
252004
Шайба 6
В узле: 4
33
200222
Болт М6-6gх65
В узле: 2
34
250508
Гайка М6-6Н
В узле: 4
35
742952-1203447
Кронштейн глушителя
В узле: 1
36
201544
Болт М12-6gx40
В узле: 16
37
537-1203422
Прокладка
В узле: 12
38
537-1203428
Прокладка регулировочная
В узле: 8
Содержащиеся в справочниках-каталогах запасные части и детали не предлагаются к продаже, а носят исключительно информационный характер

Ваша заявка была отправлена. В ближайшее время наши специалисты с Вами свяжутся по указанному Вами телефону.

Представьтесь
Поле обязательно для заполнения
Ваш телефон
Введите правильный номер телефона
E-mail
Введите правильный e-mail
Тема
Тема
применяемость финансирование доставка цена, наличие другое сервис и гарантия
Время для звонка
08:00
08:00 09:00 10:00 11:00 12:00 13:00 14:00 15:00 16:00 17:00 18:00 19:00
19:00
08:00 09:00 10:00 11:00 12:00 13:00 14:00 15:00 16:00 17:00 18:00 19:00

Мы постараемся перезвонить в указанное время

Если вы не хотите ждать, то звоните нашим вежливым консультантам:

8 800 100-2-700
Подтвердите, что вы не робот
Подтвердите, что вы не робот
Спасибо!

Ваше сообщение успешно отправлено!

ЗакрытьПовторить попытку