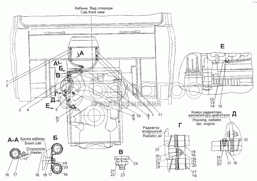
Каталог запасных частей к технике: МЗКТ-74296. Установка трубопроводов отопителя кабины

zoom-in zoom-out enlarge shrink circle-right circle-left file-text2 info cart arraw right arraw left zoom out zoom in arraw maximize arraw minimize
1
1
2
3
3
4
5
6
6
7
7
8
9
10
11
12
13
14
15
16
16
16
16
16
16
17
17
17
17
18
18
19
19
20
20
20
21
22
23
24
25
26
27
28
29
30
31
31
32
1
379936
Хомут 26
В узле: 6
2
742952-8101270
Рукав
В узле: 1
3
64227-3724628
Хомут
В узле: 1
4
543-4225119
Рукав
В узле: 1
5
7930-8101273-10
Рукав
В узле: 1
6
5336-8101310
Краник отопителя
В узле: 1
7
6923-1305010
Краник сливной
В узле: 1
8
7911-3122066
Штуцер подводящий
В узле: 1
9
312678
Прокладка 30х42х2
В узле: 1
10
379952
Хомут 30
В узле: 1
11
742952-8101272
Рукав D16
В узле: 1
12
250636
Гайка М16х1,5-6Н
В узле: 1
13
375960
Шайба 16
В узле: 1
14
0000-1308725
Кольцо 014-018-25-2-2
В узле: 1
15
74296-8101856
Переходник угловой
В узле: 1
16
543-3506226-А
Прокладка резиновая Д4101.545
В узле: 6
17
379202
Кляммер
В узле: 4
18
379673
Кляммеp
В узле: 2
19
201418
Болт М6-6gх16
В узле: 2
20
252134
Шайба 6Т
В узле: 3
21
250640
Гайка М20х1,5-6Н
В узле: 1
22
252161
Шайба 20Л
В узле: 1
23
262542
Пробка КГ 1/4"
В узле: 1
24
742952-8101281
Патрубок
В узле: 1
25
543-3408135
Пружина защитная
В узле: 1
26
201495
Болт М10-6gх20
В узле: 1
27
252136
Шайба 10 ОТ
В узле: 1
28
74296-8101044
Кронштейн
В узле: 1
29
543-3408046
Пружина защитная
В узле: 1
30
201422
Болт М6-6gх25
В узле: 1
31
250508
Гайка М6-6Н
В узле: 2
32
74295-8101046
Кронштейн
В узле: 1
Содержащиеся в справочниках-каталогах запасные части и детали не предлагаются к продаже, а носят исключительно информационный характер

Ваша заявка была отправлена. В ближайшее время наши специалисты с Вами свяжутся по указанному Вами телефону.

Представьтесь
Поле обязательно для заполнения
Ваш телефон
Введите правильный номер телефона
E-mail
Введите правильный e-mail
Тема
Тема
применяемость финансирование доставка цена, наличие другое сервис и гарантия
Время для звонка
08:00
08:00 09:00 10:00 11:00 12:00 13:00 14:00 15:00 16:00 17:00 18:00 19:00
19:00
08:00 09:00 10:00 11:00 12:00 13:00 14:00 15:00 16:00 17:00 18:00 19:00

Мы постараемся перезвонить в указанное время

Если вы не хотите ждать, то звоните нашим вежливым консультантам:

8 800 100-2-700
Подтвердите, что вы не робот
Подтвердите, что вы не робот
Спасибо!

Ваше сообщение успешно отправлено!

ЗакрытьПовторить попытку