Каталог запасных частей к технике: МЗКТ-74296. Вал карданный 79092-2201010

zoom-in zoom-out enlarge shrink circle-right circle-left file-text2 info cart arraw right arraw left zoom out zoom in arraw maximize arraw minimize
1
2
3
3
4
4
5
5
6
6
7
8
9
10
11
12
13
14
15
16
17
18
19
20
21
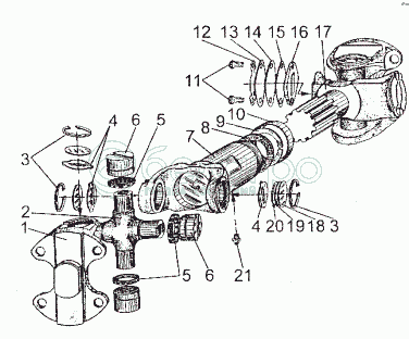
1
7414-2403146
Фланец-вилка
В узле: 2
2
53205-2205026-10
Крестовина
В узле: 2
3
7911-2303128-10
Кольцо упорное
В узле: 6
4
7911-2303142-10
Чека
В узле: 6
5
53205-2205036
Уплотнение торцовое
В узле: 8
6
0000-2303367
Подшипник 804707АС10
В узле: 8
7
79092-2201047
Вилка скользящая
В узле: 1
8
535А-2208088
Кольцо уплотнительное
В узле: 1
9
200-2201089
Кольцо
В узле: 1
10
200-2201087-Т
Обойма сальника
В узле: 1
11
201514
Болт М10х1х16
В узле: 4
12
6422-2201041
Пластина
В узле: 2
13
547А-2303125
Пластина балансировочная
В узле: 2
14
547А-2303126
Пластина балансировочная
В узле: 2
15
547А-2303127
Пластина балансировочная
В узле: 2
16
6422-2201040
Крышка подшипника
В узле: 2
17
79092-2201028
Вилка
В узле: 1
18
7911-2303130
Пластина регулировочная
В узле: 6
19
7911-2303131
Пластина регулировочная
В узле: 6
20
7911-2303132
Пластина регулировочная
В узле: 6
21
264020
Масленка 1.3.Ц6
В узле: 1
Содержащиеся в справочниках-каталогах запасные части и детали не предлагаются к продаже, а носят исключительно информационный характер

Ваша заявка была отправлена. В ближайшее время наши специалисты с Вами свяжутся по указанному Вами телефону.

Представьтесь
Поле обязательно для заполнения
Ваш телефон
Введите правильный номер телефона
E-mail
Введите правильный e-mail
Тема
Тема
применяемость финансирование доставка цена, наличие другое сервис и гарантия
Время для звонка
08:00
08:00 09:00 10:00 11:00 12:00 13:00 14:00 15:00 16:00 17:00 18:00 19:00
19:00
08:00 09:00 10:00 11:00 12:00 13:00 14:00 15:00 16:00 17:00 18:00 19:00

Мы постараемся перезвонить в указанное время

Если вы не хотите ждать, то звоните нашим вежливым консультантам:

8 800 100-2-700
Подтвердите, что вы не робот
Подтвердите, что вы не робот
Спасибо!

Ваше сообщение успешно отправлено!

ЗакрытьПовторить попытку