Каталог запасных частей к технике: МЗКТ-7429. Опора рычага переключения передач 201-1702200

zoom-in zoom-out enlarge shrink circle-right circle-left file-text2 info cart arraw right arraw left zoom out zoom in arraw maximize arraw minimize
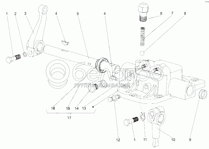
1
1
2
3
4
4
5
6
7
8
9
10
11
12
13
14
15
16
17
1
310026
Болт М12х1,25
В узле: 2
2
252137
Шайба 12 ОТ
В узле: 1
3
201-1702229-10
Рычаг валика
В узле: 1
4
0000-1702202
Шпонка 5х10
В узле: 2
5
201-1702221
Валик переключения передач
В узле: 1
6
236-1702235
Стакан пружины
В узле: 1
7
236-1702106
Пружина
В узле: 1
8
0000-1709201-01
Шарик Б 12,7-100
В узле: 1
9
313934
Заглушка 28
В узле: 1
10
201-1702222
Рычаг переключения передач
В узле: 1
11
312213
Шайба 12
В узле: 1
12
310041
Болт установочный
В узле: 1
13
216523
Шпилька М8х1,25
В узле: 2
14
316172
Пробка М16х1,5
В узле: 1
15
312333
Прокладка 16х25х2
В узле: 1
16
201-1702276
Манжета
В узле: 1
17
201-1702206
Корпус
В узле: 1
Содержащиеся в справочниках-каталогах запасные части и детали не предлагаются к продаже, а носят исключительно информационный характер

Ваша заявка была отправлена. В ближайшее время наши специалисты с Вами свяжутся по указанному Вами телефону.

Представьтесь
Поле обязательно для заполнения
Ваш телефон
Введите правильный номер телефона
E-mail
Введите правильный e-mail
Тема
Тема
применяемость финансирование доставка цена, наличие другое сервис и гарантия
Время для звонка
08:00
08:00 09:00 10:00 11:00 12:00 13:00 14:00 15:00 16:00 17:00 18:00 19:00
19:00
08:00 09:00 10:00 11:00 12:00 13:00 14:00 15:00 16:00 17:00 18:00 19:00

Мы постараемся перезвонить в указанное время

Если вы не хотите ждать, то звоните нашим вежливым консультантам:

8 800 100-2-700
Подтвердите, что вы не робот
Подтвердите, что вы не робот
Спасибо!

Ваше сообщение успешно отправлено!

ЗакрытьПовторить попытку