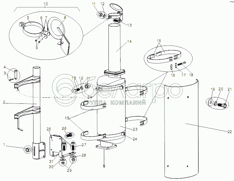
Каталог запасных частей к технике: МЗКТ-75165. Крепление глушителя

zoom-in zoom-out enlarge shrink circle-right circle-left file-text2 info cart arraw right arraw left zoom out zoom in arraw maximize arraw minimize
1
2
3
4
5
6
7
8
9
10
11
11
12
12
13
13
14
15
15
16
17
18
19
20
21
22
23
24
24
25
26
27
28
29
30
31
1
251647
Гайка М12х1,25-6Н
В узле: ---
2
79092-1203446
Кронштейн глушителя
В узле: ---
3
258053
Шплинт 4х25
В узле: ---
4
260092
Палец 12х48
В узле: ---
5
65272-1203430
Кронштейн заслонки
В узле: ---
6
65272-1203409
Втулка
В узле: ---
7
258024
Шплинт 2,5х16
В узле: ---
8
65272-1203400
Заслонка
В узле: ---
9
260022
Палец 6х45
В узле: ---
10
65272-1203398
Заслонка
В узле: ---
11
250512
Гайка М10-6Н
В узле: ---
12
252136
Шайба 10 ОТ
В узле: ---
13
201501
Болт М10-6gх60
В узле: ---
14
79092-1203010
Труба выхлопная
В узле: ---
15
65158-1203029
Хомут
В узле: ---
16
5434-3513060
Ось
В узле: ---
17
5434-3513062
Ось
В узле: ---
18
407093-01
Болт хомута М10-6gх80
В узле: ---
19
252037
Шайба 6
В узле: ---
20
252134
Шайба 6Т
В узле: ---
21
201418
Болт М6-6gх16
В узле: ---
22
65272-1204020
Кожух глушителя
В узле: ---
23
69234-1201010
Глушитель
В узле: ---
24
692375-1204028
Хомут
В узле: ---
25
79092-1203200
Кронштейн
В узле: ---
26
371309
Болт М12х1,25-6gх35
В узле: ---
27
371341
Болт М16х1,5-6gх45
В узле: ---
28
252017
Шайба 16
В узле: ---
29
374634
Гайка М16х1,5-6Н
В узле: ---
30
252047-10
Шайба 16
В узле: ---
31
372613
Болт М16х1,5-6gх55
В узле: ---
Содержащиеся в справочниках-каталогах запасные части и детали не предлагаются к продаже, а носят исключительно информационный характер

Ваша заявка была отправлена. В ближайшее время наши специалисты с Вами свяжутся по указанному Вами телефону.

Представьтесь
Поле обязательно для заполнения
Ваш телефон
Введите правильный номер телефона
E-mail
Введите правильный e-mail
Тема
Тема
применяемость финансирование доставка цена, наличие другое сервис и гарантия
Время для звонка
08:00
08:00 09:00 10:00 11:00 12:00 13:00 14:00 15:00 16:00 17:00 18:00 19:00
19:00
08:00 09:00 10:00 11:00 12:00 13:00 14:00 15:00 16:00 17:00 18:00 19:00

Мы постараемся перезвонить в указанное время

Если вы не хотите ждать, то звоните нашим вежливым консультантам:

8 800 100-2-700
Подтвердите, что вы не робот
Подтвердите, что вы не робот
Спасибо!

Ваше сообщение успешно отправлено!

ЗакрытьПовторить попытку