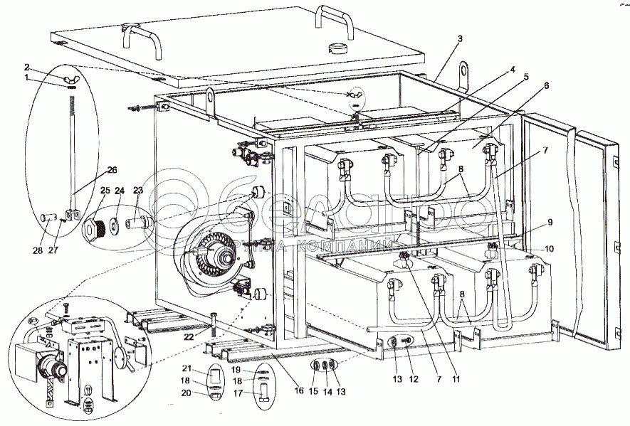
Каталог запасных частей к технике: МЗКТ-75165. Крепление контейнера и аккумуляторных батарей контейнера

zoom-in zoom-out enlarge shrink circle-right circle-left file-text2 info cart arraw right arraw left zoom out zoom in arraw maximize arraw minimize
1
2
3
4
5
6
7
7
8
8
9
10
11
12
13
13
14
15
16
17
18
18
19
20
21
22
23
24
25
26
27
28
1
252005
Шайба 8
В узле: ---
2
251513
Гайка М8-6Н
В узле: ---
3
74131-3748002
Аккумуляторный контейнер
В узле: ---
4
7930-3748560
Планка прижимная верхняя
В узле: ---
5
7930-3748238
Стяжка
В узле: ---
6
0000-3703401
Батарея 6СТ-190 АП
В узле: ---
7
7930-3724066
Провод
В узле: ---
8
543-3724057-10
Перемычка
В узле: ---
9
7930-3748600
Планка прижимная нижняя
В узле: ---
10
74131-3842030
Датчик температуры
В узле: ---
11
74131-3842020
Датчик температуры
В узле: ---
12
201456
Болт М8-6gх20
В узле: ---
13
252038
Шайба 8
В узле: ---
14
252135
Шайба 8Т
В узле: ---
15
250510
Гайка М8х1-6Н
В узле: ---
16
7429-3748084
Усилитель
В узле: ---
17
201501
Болт М10-6gх60
В узле: ---
18
252136
Шайба 10 ОТ
В узле: ---
19
252039
Шайба 10
В узле: ---
20
250512
Гайка М10-6Н
В узле: ---
21
7429-3748270
Втулка
В узле: ---
22
200319
Болт М10-6gх50
В узле: ---
23
543-3724245
Уплотнитель проводов
В узле: ---
24
376190
Шайба 27
В узле: ---
25
543-3724241
Гайка М39х2
В узле: ---
26
7930-3748256
Стяжка
В узле: ---
27
258038
Шплинт 3,2х16
В узле: ---
28
260039
Палец 8х38
В узле: ---
Содержащиеся в справочниках-каталогах запасные части и детали не предлагаются к продаже, а носят исключительно информационный характер

Ваша заявка была отправлена. В ближайшее время наши специалисты с Вами свяжутся по указанному Вами телефону.

Представьтесь
Поле обязательно для заполнения
Ваш телефон
Введите правильный номер телефона
E-mail
Введите правильный e-mail
Тема
Тема
применяемость финансирование доставка цена, наличие другое сервис и гарантия
Время для звонка
08:00
08:00 09:00 10:00 11:00 12:00 13:00 14:00 15:00 16:00 17:00 18:00 19:00
19:00
08:00 09:00 10:00 11:00 12:00 13:00 14:00 15:00 16:00 17:00 18:00 19:00

Мы постараемся перезвонить в указанное время

Если вы не хотите ждать, то звоните нашим вежливым консультантам:

8 800 100-2-700
Подтвердите, что вы не робот
Подтвердите, что вы не робот
Спасибо!

Ваше сообщение успешно отправлено!

ЗакрытьПовторить попытку