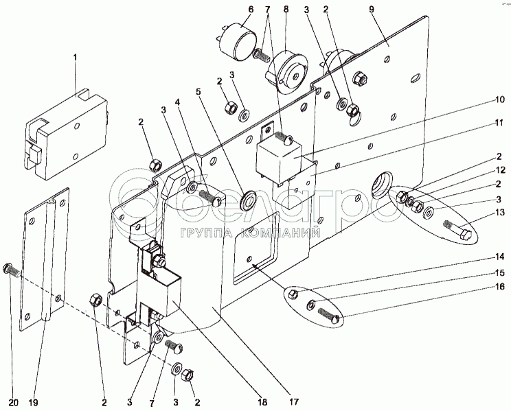
Каталог запасных частей к технике: МЗКТ-75165. Панель блоков предохранителей и реле

zoom-in zoom-out enlarge shrink circle-right circle-left file-text2 info cart arraw right arraw left zoom out zoom in arraw maximize arraw minimize
1
1
1
2
2
2
2
2
2
2
3
3
3
3
3
3
4
5
6
7
7
8
9
10
11
12
13
14
15
16
17
17
17
18
19
20
20
1
ПР112-3722100-А
Предохранитель ПР112-3722-100А
В узле: ---
1
ПР112-3722200-А
Предохранитель ПР112-3722-200А
В узле: ---
1
111-3722000
Блок предохранителей 111.3722
В узле: ---
2
250508
Гайка М6-6Н
В узле: ---
3
252004
Шайба 6
В узле: ---
4
220107
Винт М6-6gх20
В узле: ---
5
535А-3724015
Втулка резиновая
В узле: ---
6
РС493-3803010
Прерыватель контрольной лампы
В узле: ---
7
220104
Винт М6-6gх14
В узле: ---
8
64221-3747015
Кронштейн-реле
В узле: ---
9
64221-3722023
Кронштейн блоков предохранителей и реле
В узле: ---
10
0000-3747657
Реле 738.3747-20
В узле: ---
11
0000-3723806
Розетка электрическая АР-93
В узле: ---
12
252154
Шайба 6Л
В узле: ---
13
201422
Болт М6-6gх25
В узле: ---
14
250464
Гайка М5-6Н
В узле: ---
15
252003
Шайба 5
В узле: ---
16
220082
Винт М5-6gх20
В узле: ---
17
ПР112-3722000
Блок предохранителей
В узле: ---
17
ПР112-3722100-А
Предохранитель ПР112-3722-100А
В узле: ---
17
ПР112-3722200-А
Предохранитель ПР112-3722-200А
В узле: ---
18
12-3741000
Сопротивление добавочное
В узле: ---
19
692375-3711082
Петля кронштейна
В узле: ---
20
221604
Винт М6-6gх14
В узле: ---
20
231604
Винт 2М6-6gх14
В узле: ---
Содержащиеся в справочниках-каталогах запасные части и детали не предлагаются к продаже, а носят исключительно информационный характер

Ваша заявка была отправлена. В ближайшее время наши специалисты с Вами свяжутся по указанному Вами телефону.

Представьтесь
Поле обязательно для заполнения
Ваш телефон
Введите правильный номер телефона
E-mail
Введите правильный e-mail
Тема
Тема
применяемость финансирование доставка цена, наличие другое сервис и гарантия
Время для звонка
08:00
08:00 09:00 10:00 11:00 12:00 13:00 14:00 15:00 16:00 17:00 18:00 19:00
19:00
08:00 09:00 10:00 11:00 12:00 13:00 14:00 15:00 16:00 17:00 18:00 19:00

Мы постараемся перезвонить в указанное время

Если вы не хотите ждать, то звоните нашим вежливым консультантам:

8 800 100-2-700
Подтвердите, что вы не робот
Подтвердите, что вы не робот
Спасибо!

Ваше сообщение успешно отправлено!

ЗакрытьПовторить попытку