Каталог запасных частей к технике: МЗКТ-75165. Установка инструментального ящика

zoom-in zoom-out enlarge shrink circle-right circle-left file-text2 info cart arraw right arraw left zoom out zoom in arraw maximize arraw minimize
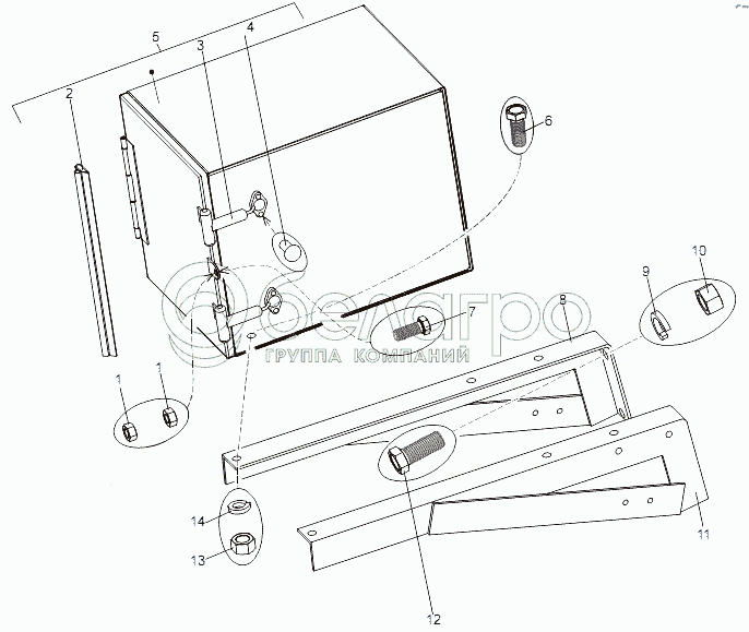
1
1
2
3
4
5
6
7
8
9
10
11
12
13
14
1
250512
Гайка М10-6Н
В узле: ---
2
543А-3919749-10
Уплотнитель двери
В узле: ---
3
543-8402690
Застежка
В узле: ---
4
252591
Заклепка 5х10
В узле: ---
5
79092-3919710
Ящик III для индивидуального ЗИПа
В узле: ---
6
201540
Болт М12-6gх30
В узле: ---
7
201497
Болт М10-6gх25
В узле: ---
8
73136-3919701
Кронштейн левый
В узле: ---
9
252139
Шайба 16 ОТ
В узле: ---
10
250560
Гайка М16-6Н
В узле: ---
11
79096-3919700
Кронштейн правый
В узле: ---
12
202119
Болт М16-6gх40
В узле: ---
13
250514
Гайка М12-6Н
В узле: ---
14
252137
Шайба 12 ОТ
В узле: ---
Содержащиеся в справочниках-каталогах запасные части и детали не предлагаются к продаже, а носят исключительно информационный характер

Ваша заявка была отправлена. В ближайшее время наши специалисты с Вами свяжутся по указанному Вами телефону.

Представьтесь
Поле обязательно для заполнения
Ваш телефон
Введите правильный номер телефона
E-mail
Введите правильный e-mail
Тема
Тема
применяемость финансирование доставка цена, наличие другое сервис и гарантия
Время для звонка
08:00
08:00 09:00 10:00 11:00 12:00 13:00 14:00 15:00 16:00 17:00 18:00 19:00
19:00
08:00 09:00 10:00 11:00 12:00 13:00 14:00 15:00 16:00 17:00 18:00 19:00

Мы постараемся перезвонить в указанное время

Если вы не хотите ждать, то звоните нашим вежливым консультантам:

8 800 100-2-700
Подтвердите, что вы не робот
Подтвердите, что вы не робот
Спасибо!

Ваше сообщение успешно отправлено!

ЗакрытьПовторить попытку