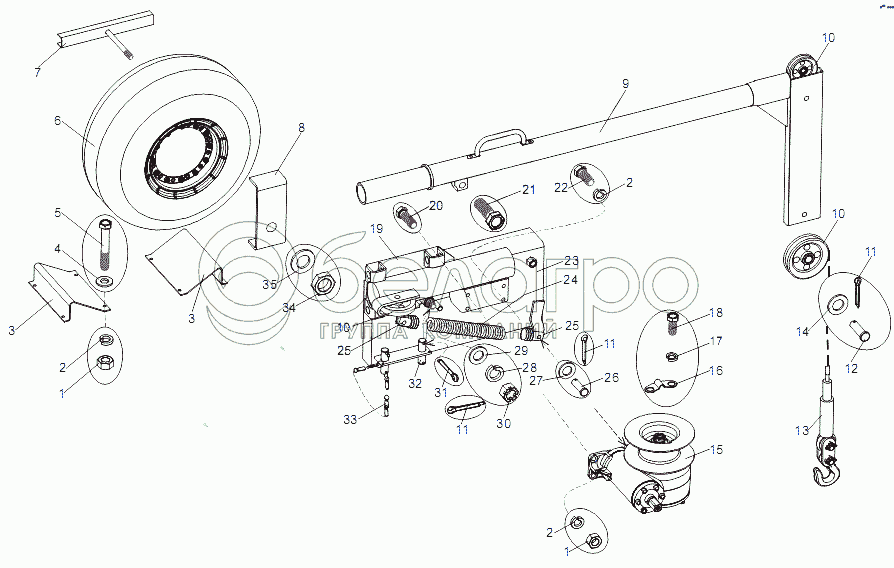
Каталог запасных частей к технике: МЗКТ-75165. Установка подъемника запасного колеса

zoom-in zoom-out enlarge shrink circle-right circle-left file-text2 info cart arraw right arraw left zoom out zoom in arraw maximize arraw minimize
1
1
2
2
2
3
3
4
5
6
7
8
9
10
10
10
11
11
11
12
13
14
15
16
17
18
19
20
21
22
23
24
25
25
26
27
28
29
30
31
32
33
34
35
1
250512
Гайка М10-6Н
В узле: ---
2
252136
Шайба 10 ОТ
В узле: ---
3
79092-3105021
Упор
В узле: ---
4
252006
Шайба 10
В узле: ---
5
201510
Болт М10-6gх65
В узле: ---
6
7909-3101011
Колесо
В узле: ---
7
79092-3105060
Прижим
В узле: ---
8
79092-3105066
Кронштейн
В узле: ---
9
79092-3925010
Стрела подъемника
В узле: ---
10
5247-3925303
Ролик блочный
В узле: ---
11
258053
Шплинт 4х25
В узле: ---
12
260137
Палец 16х50
В узле: ---
13
5247Б-3925274-Б
Трос подъемника с крюком
В узле: ---
14
252017
Шайба 16
В узле: ---
15
5247Б-3925220-А2
Редуктор
В узле: ---
16
5247-3508472-01
Хомут крепления троса
В узле: ---
17
252135
Шайба 8Т
В узле: ---
18
201456
Болт М8-6gх20
В узле: ---
19
79092-3925018
Стойка
В узле: ---
20
370906
Болт М10-6gх30
В узле: ---
21
206973
Болт 3М16х1,5-6gx75
В узле: ---
22
201497
Болт М10-6gх25
В узле: ---
23
79092-3925020
Опора
В узле: ---
24
8385-2707242
Пружина
В узле: ---
25
8385-2707243
Пробка
В узле: ---
26
260088
Палец 12х38
В узле: ---
27
252007
Шайба 12
В узле: ---
28
252140
Шайба 18.0Т
В узле: ---
29
252018
Шайба 18
В узле: ---
30
374809
Гайка М18х1,5
В узле: ---
31
258069
Шплинт 5х36
В узле: ---
32
377736
Штифт 22х80
В узле: ---
33
535А-4504110
Цепь предохранительная
В узле: ---
34
250661
Гайка М24х2-6Н
В узле: ---
35
252021
Шайба 24
В узле: ---
Содержащиеся в справочниках-каталогах запасные части и детали не предлагаются к продаже, а носят исключительно информационный характер

Ваша заявка была отправлена. В ближайшее время наши специалисты с Вами свяжутся по указанному Вами телефону.

Представьтесь
Поле обязательно для заполнения
Ваш телефон
Введите правильный номер телефона
E-mail
Введите правильный e-mail
Тема
Тема
применяемость финансирование доставка цена, наличие другое сервис и гарантия
Время для звонка
08:00
08:00 09:00 10:00 11:00 12:00 13:00 14:00 15:00 16:00 17:00 18:00 19:00
19:00
08:00 09:00 10:00 11:00 12:00 13:00 14:00 15:00 16:00 17:00 18:00 19:00

Мы постараемся перезвонить в указанное время

Если вы не хотите ждать, то звоните нашим вежливым консультантам:

8 800 100-2-700
Подтвердите, что вы не робот
Подтвердите, что вы не робот
Спасибо!

Ваше сообщение успешно отправлено!

ЗакрытьПовторить попытку